GM Service Manual Online
For 1990-2009 cars only
Figure 1:

Transmission Control Module (M74)


Object Number: 769662  Size: MF
(1)Transmission Control Module Connectors
(2)Transmission Control Module
(3)Powertrain Control Module (PCM) (Gas) / Engine Control Module (ECM) (Diesel)
Figure 2:

Engine Harness to Transmission-Allison


Object Number: 769664  Size: MF
(1)Turbine Sensor Harness Connector
(2)Power Take-Off (PTO) Connector
(3)Output Speed Sensor Harness Connector
(4)Transfer Case Selector Shift Control Switch
(5)Transmission Connector Harness
(6)Park/Neutral Position (PNP) Switch Connectors
(7)Allison Transmission
(8)Engine Harness
(9)Automatic Transmission Input Shaft Speed (ISS) Sensor
Figure 1:

Automatic Transmission - Allison®LCT


Object Number: 826824  Size: LF
(1)Automatic Transmission Input Shaft Speed (AT ISS) Sensor
(2)Automatic Transmission Input Shaft Speed (AT ISS) Sensor Connector
(3)Turbine Shaft Speed Sensor (TSS)
(4)Turbine Shaft Speed Sensor (TSS) Connector
(5)Vehicle Speed Sensor (VSS)
(6)Vehicle Speed Sensor (VSS) Connector
(7)Automatic Transmission (Allison®LCT)
(8)Park Neutral Position Switch (PNP)
Figure 2:

Front Left of the I/P


Object Number: 1457104  Size: LF
(1)Instrument Panel Cluster (IPC)
(2)Radio
(3)HVAC Control Assembly
(4)Overdrive Defeat Switch (Allison® LCT)
(5)Headlamp Switch
Figure 3:

Automatic Transmission Fluid Temperature (TFT) Sensor


Object Number: 826870  Size: LF
(1)Automatic Transmission Fluid Temperature (TFT) Sensor Connector
(2)Automatic Transmission Fluid Temperature (TFT) Sensor (Allison® LCT/UTX)
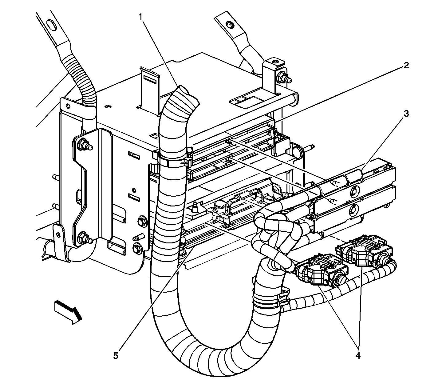
Figure 4:

ECM/TCM View (LB7)


Object Number: 822098  Size: LF
(1)Engine Harness
(2)Engine Control Module (ECM)
(3)Engine Control Module (ECM) Connectors
(4)Transmission Control Module (TCM) Connectors
(5)Transmission Control Module (TCM)
Figure 5:

ECM/TCM View (LLY)


Object Number: 1422659  Size: LF
(1)Engine Control Module (ECM)
(2)Transmission Control Module (TCM)