GM Service Manual Online
For 1990-2009 cars only
Makes
🢒
Chevrolet
🢒
2004
🢒
Kodiak C-Series (Conventional) C4/C5
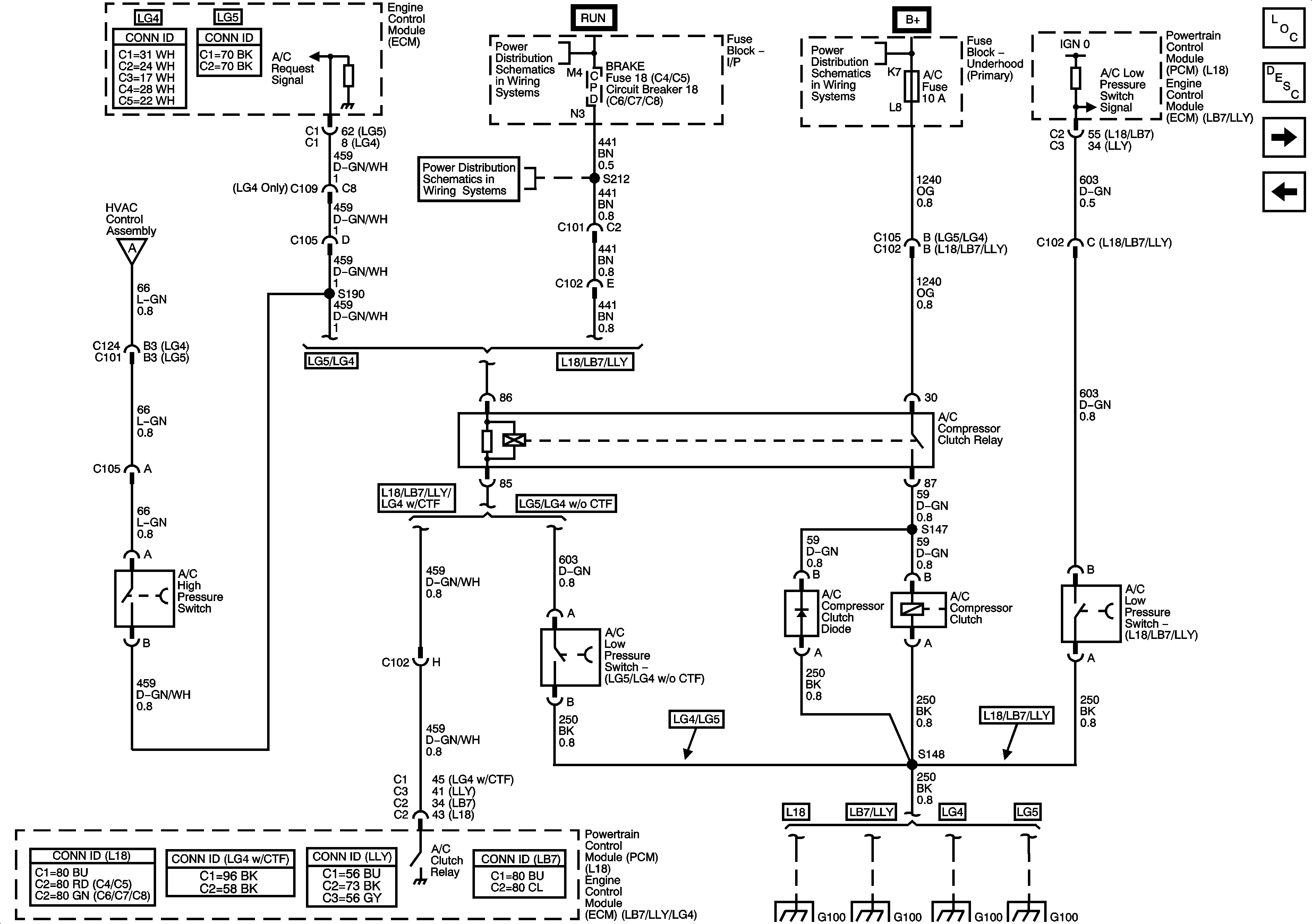
🢒 A/C Compressor Controls (C60)
A/C Compressor Controls (C60)
A/C Compressor Controls (C60)
Master Electrical Component List
Air Temperature Description and Operation
Auxiliary Controls (C36)
Blower Controls (C60)
Ignition Switch - RUN and ACC/RUN Bus Bars
A/C COMP, HTD FUEL, PCM-B, and RR DEFOG Fuses
AXLE/4WD, BRAKE, CHASSIS, and HTR/AC Fuses/Circuit Breakers
Blower Controls (C60)
G100 (L18)
G100 (LB7)
G100 (LG4)
G100 (LG5)