GM Service Manual Online
For 1990-2009 cars only
Makes
🢒
Chevrolet
🢒
2004
🢒
Kodiak C-Series (Conventional) C4/C5
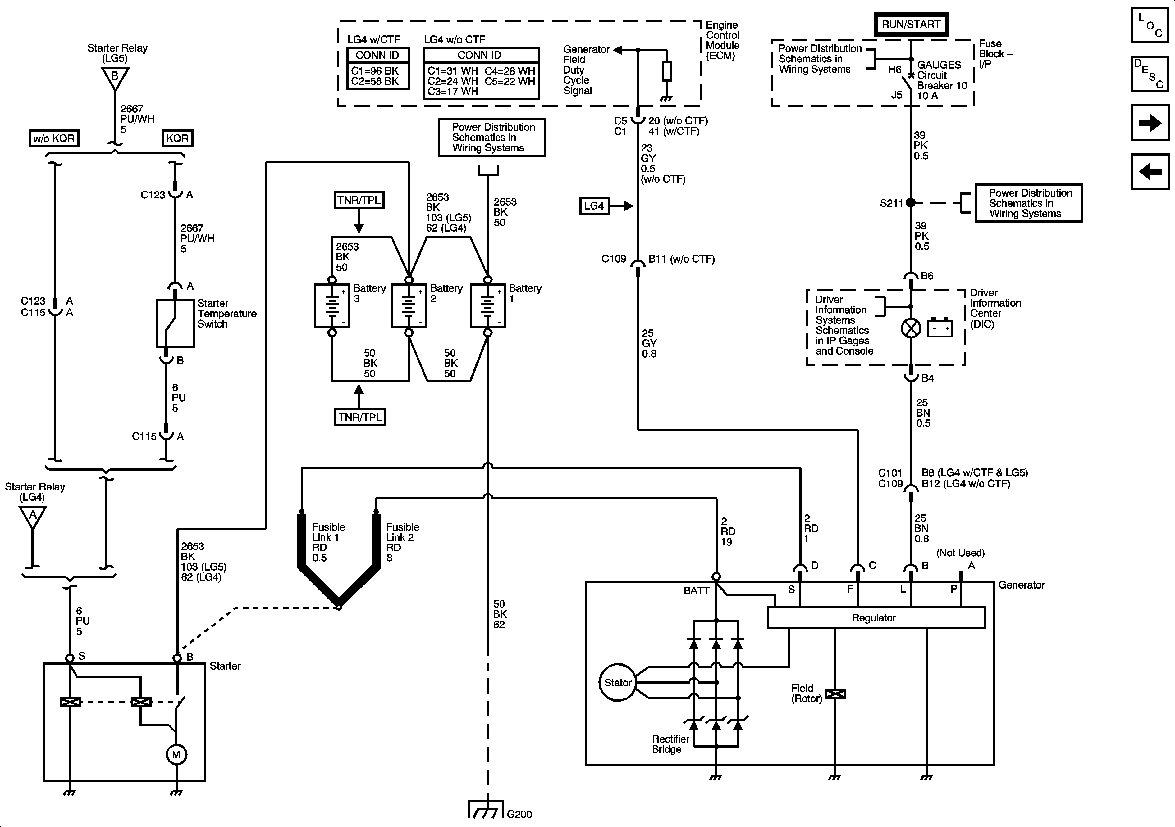
🢒 Starter and Charging System (LG4/LG5)
Starter and Charging System (LG4/LG5)
Starter and Charging System (LG4/LG5)
Master Electrical Component List
Charging System Description and Operation
Starting System (L18/LB7/LLY)
Starter Control (LG4/LG5)
Starter Control (LG4/LG5)
B+ Bus Bar
Ignition Switch - OFF/RUN/START, RUN/START and START Bus Bars
GAUGES, L-RR TRUCK, R-RR TRUCK, and SIR Fuses/Circuit Breakers
Driver Information Center (DIC)
Starter Control (LG4/LG5)
G200, G202, and G203 - 1 of 4