GM Service Manual Online
For 1990-2009 cars only
Makes
🢒
Chevrolet
🢒
2006
🢒
Kodiak C-Series (Conventional) C4/C5
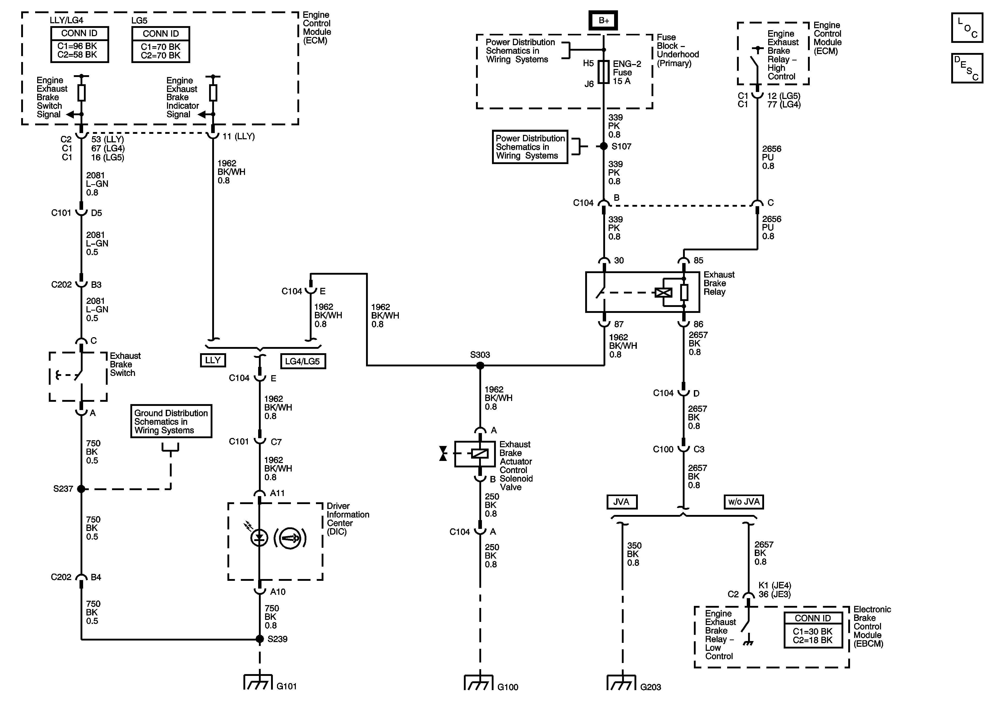
🢒 Engine Exhaust Brake Schematics
Engine Exhaust Brake Schematics
Master Electrical Component List
Exhaust Brake Description and Operation (Without RPO LLY)
ENG-2, and ENG-3 Fuses - LG4
ENG-2, and ENG-3 Fuses - LG4
G101 - 1 of 2
G101 - 1 of 2
G100 - LG4
G203 - 1 of 4