GM Service Manual Online
For 1990-2009 cars only
Makes
🢒
Chevrolet
🢒
2006
🢒
Kodiak C-Series (Conventional) C4/C5
🢒 Audible Warnings Schematics
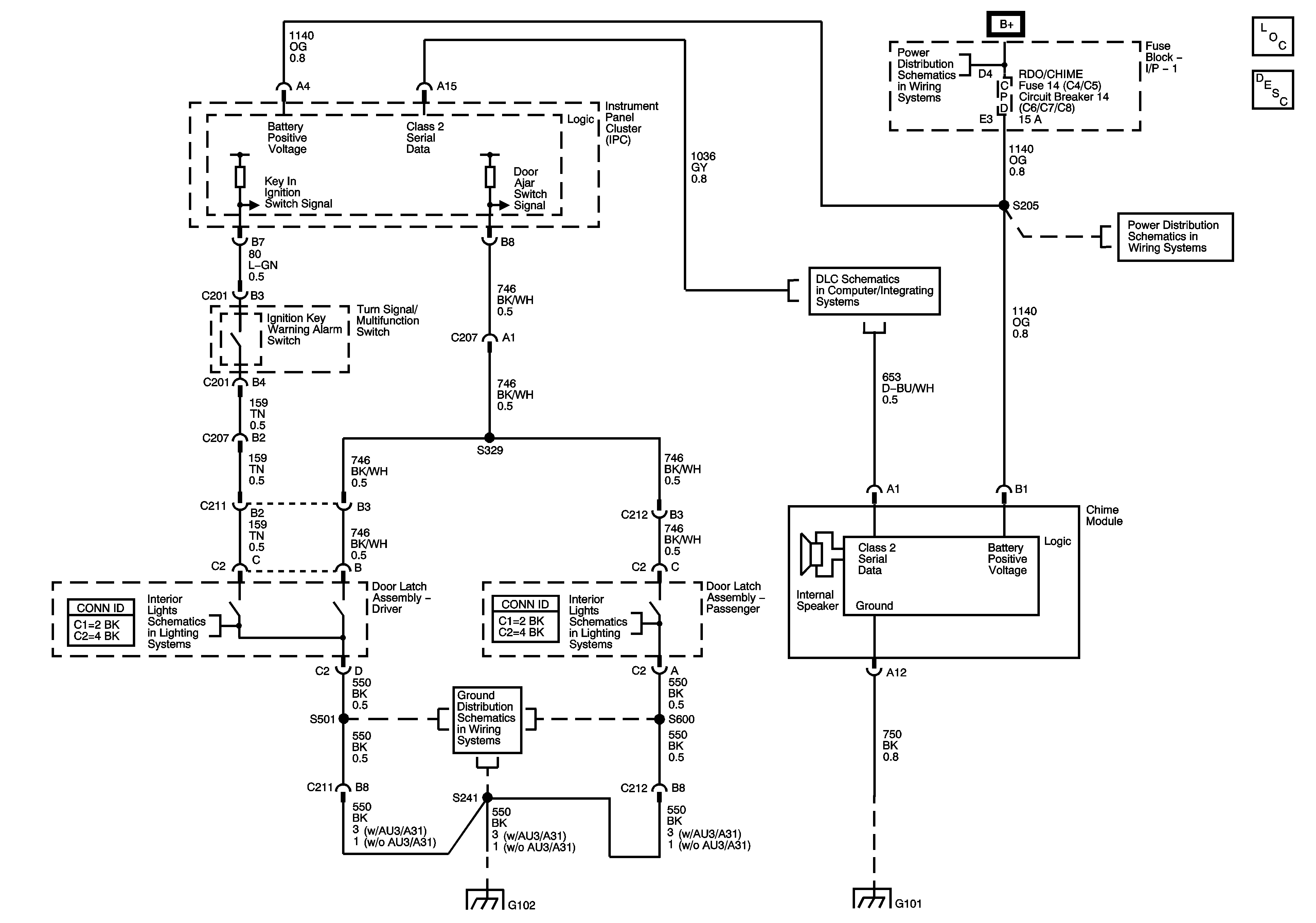
Audible Warnings Schematics
Master Electrical Component List
Audible Warnings Description and Operation
CHMSL, PWR POST, and RDO/CHIME Fuses/Circuit Breakers
CHMSL, PWR POST, and RDO/CHIME Fuses/Circuit Breakers
Splice Pack SP203
Dome/Reading Lamps
Dome/Reading Lamps
G102 - 1 of 2
G102 - 1 of 2
G101 - 1 of 2