GM Service Manual Online
For 1990-2009 cars only
Makes
🢒
Chevrolet
🢒
2006
🢒
Kodiak C-Series (Conventional) C4/C5
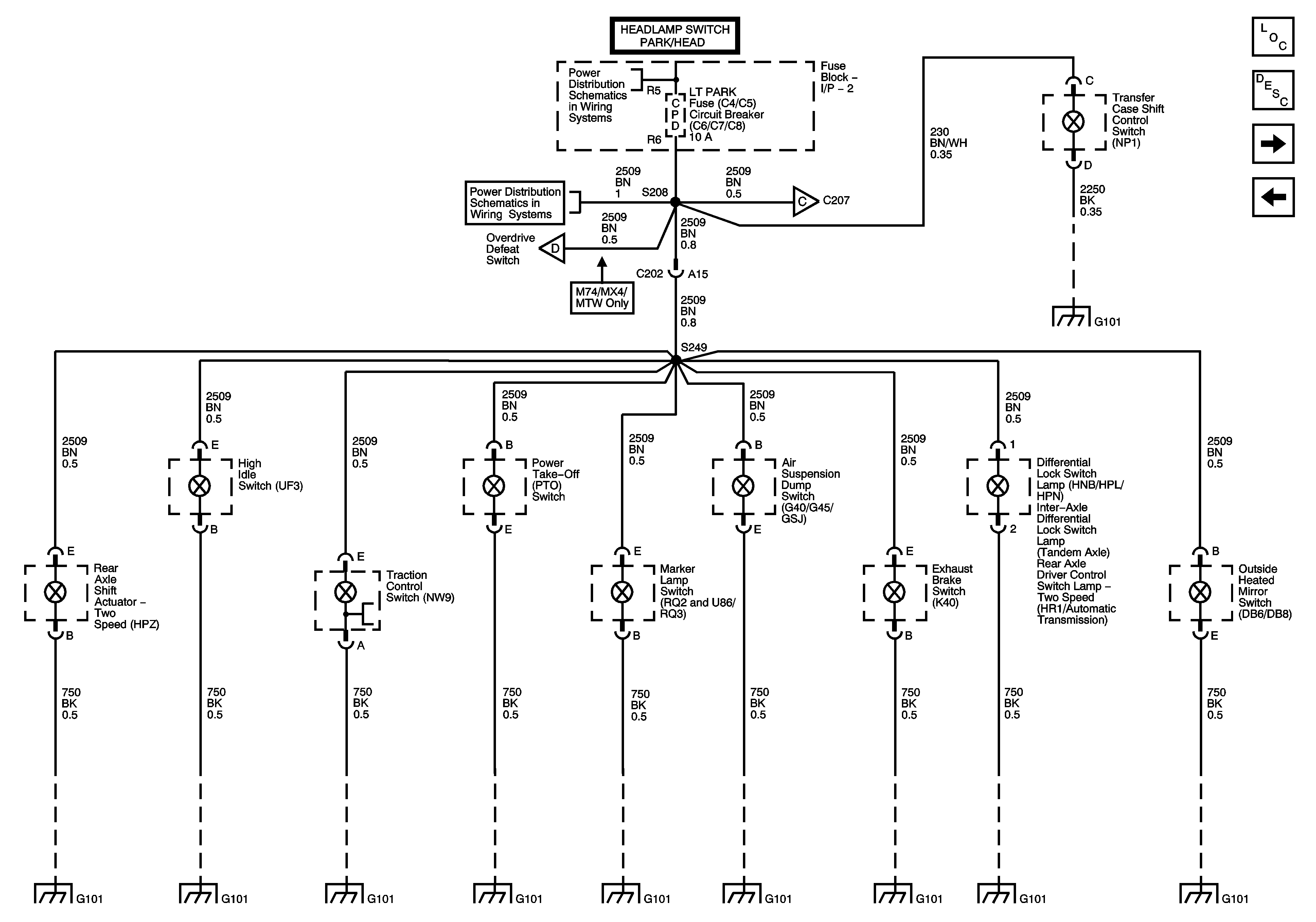
🢒 LT PARK Fuse/Circuit Breaker - 1 of 2
LT PARK Fuse/Circuit Breaker - 1 of 2
LT PARK Fuse/Circuit Breaker - 1 of 2
Master Electrical Component List
Interior Lighting Systems Description and Operation
LT PARK Fuse/Circuit Breaker - 2 of 2
Dome/Reading Lamps
CTSY LAMPS, HVAC, ILLUM, LIGHTING, LT PARK, PRK LAMPS, and RT PARK Fuses/Circuit Breakers - 1 of 2
CTSY LAMPS, HVAC, ILLUM, LIGHTING, LT PARK, PRK LAMPS, and RT PARK Fuses/Circuit Breakers - 1 of 2
LT PARK Fuse/Circuit Breaker - 2 of 2
LT PARK Fuse/Circuit Breaker - 2 of 2
G101 - 2 of 2
G101 - 2 of 2
G101 - 2 of 2
G101 - 2 of 2
G101 - 2 of 2
G101 - 2 of 2
G101 - 2 of 2
G101 - 2 of 2
G101 - 2 of 2
G101 - 1 of 2