GM Service Manual Online
For 1990-2009 cars only
Makes
🢒
Chevrolet
🢒
2006
🢒
Kodiak C-Series (Conventional) C4/C5
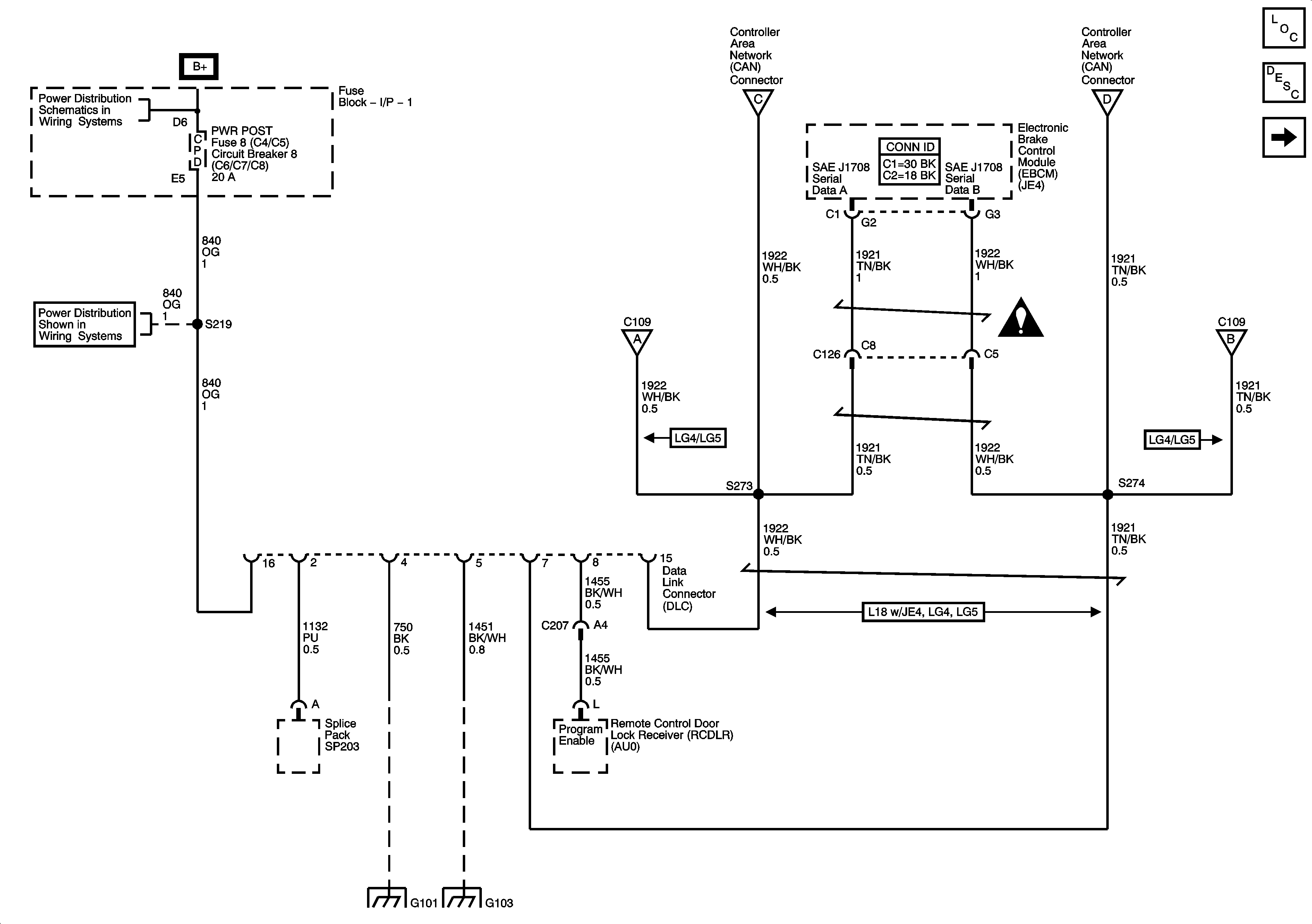
🢒 Data Link Connector Power and Ground, 1 of 2
Data Link Connector Power and Ground, 1 of 2
Data Link Connector Power and Ground, 1 of 2
Master Electrical Component List
Data Link Communications Description and Operation
Data Link Connector Power and Ground, 2 of 2 - LG4/LG5
CHMSL, PWR POST, and RDO/CHIME Fuses/Circuit Breakers
CHMSL, PWR POST, and RDO/CHIME Fuses/Circuit Breakers
Data Link Connector Power and Ground, 2 of 2 - LG4/LG5
CAN Connector Power and Ground - L18 w/JE4, LG4, LG5
CAN Connector Power and Ground - L18 w/JE4, LG4, LG5
Data Link Connector Power and Ground, 2 of 2 - LG4/LG5
Computer/Integrating Systems Schematic Icons
G101 - 1 of 2
G119 and G120