GM Service Manual Online
For 1990-2009 cars only
Makes
🢒
Chevrolet
🢒
2006
🢒
Kodiak C-Series (Conventional) C4/C5
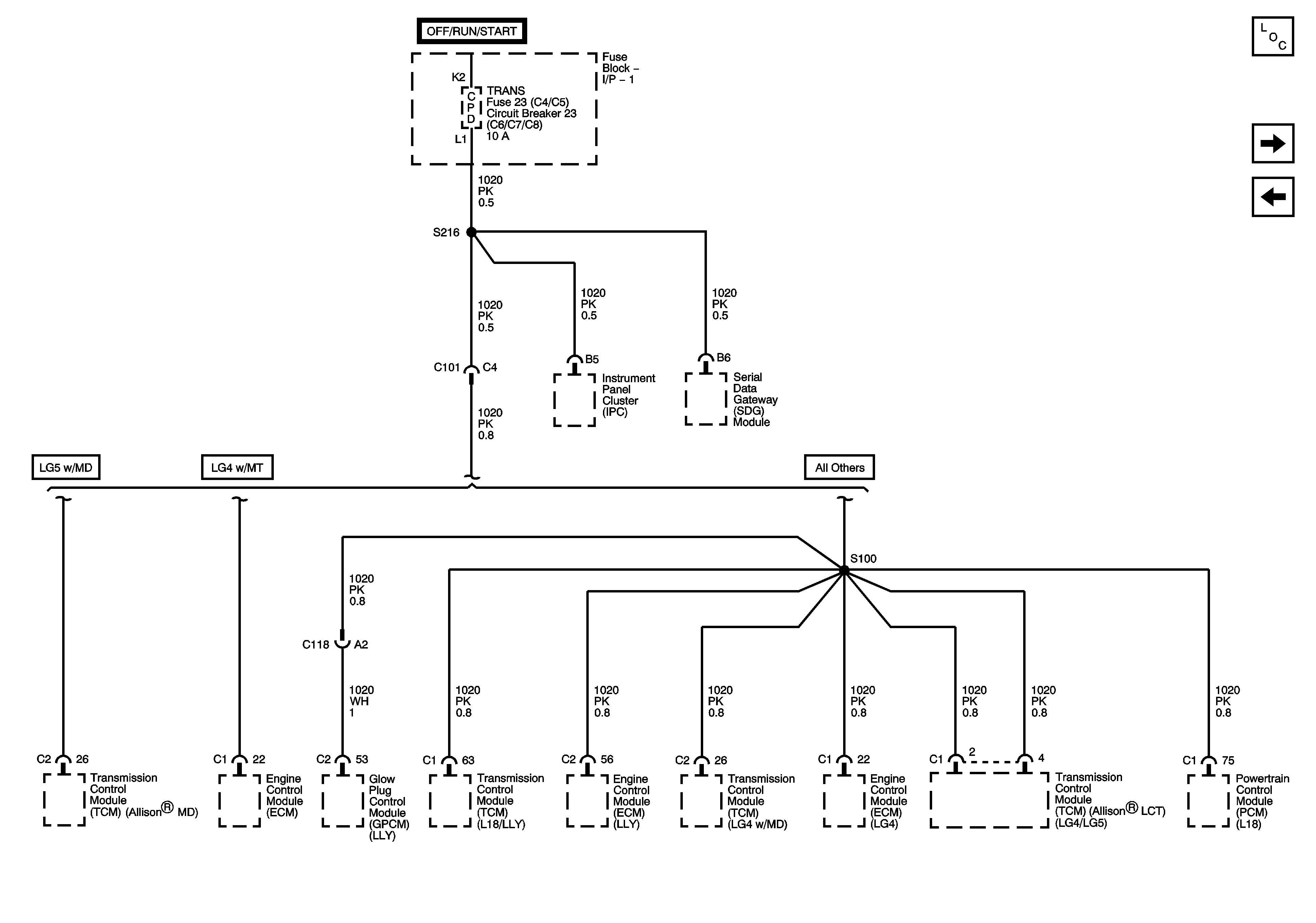
🢒 TRANS Fuse/Circuit Breaker
TRANS Fuse/Circuit Breaker
TRANS Fuse/Circuit Breaker
Master Electrical Component List
TRN/BCK/UP Fuse/Circuit Breaker
STRTR Fuse/Circuit Breaker