GM Service Manual Online
For 1990-2009 cars only
Makes
🢒
Chevrolet
🢒
2007
🢒
Kodiak C-Series (Conventional) C4/C5
🢒
Body Systems
🢒
Fixed and Moveable Windows
🢒 Moveable Window Schematics
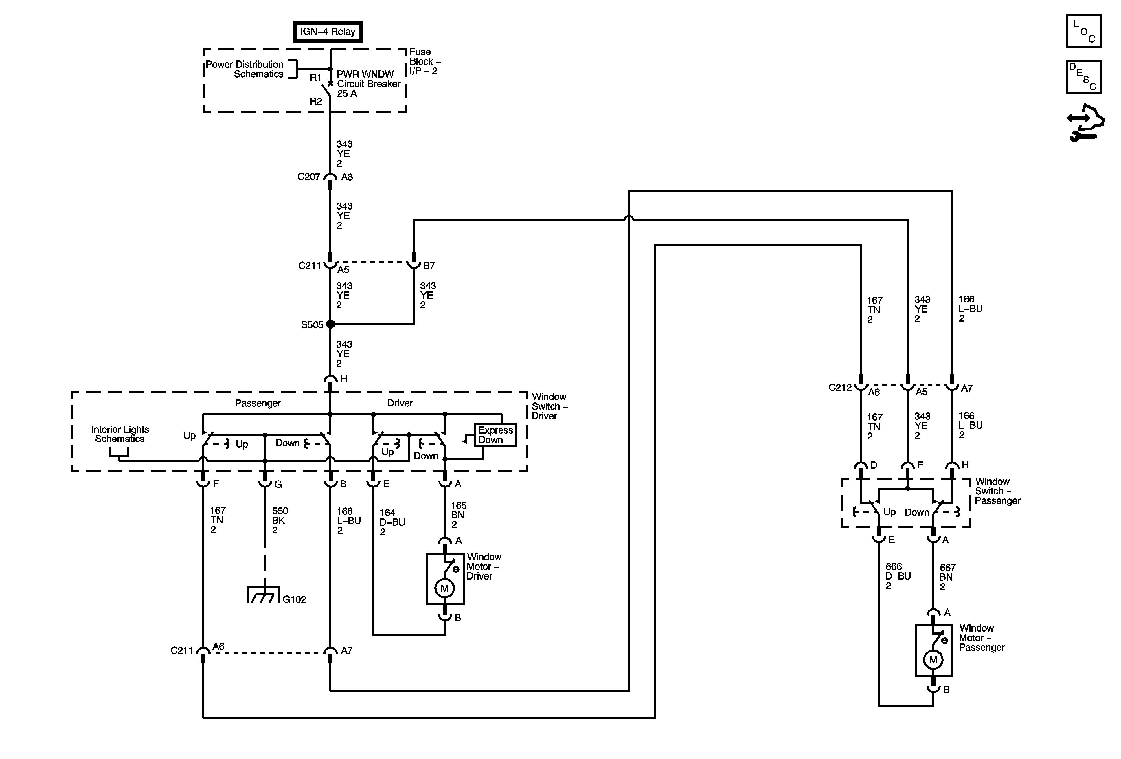
Moveable Window Schematics w/o Crew Cab
Master Electrical Component List
Power Windows Description and Operation
Control Module References
IGN-4, ELEC BRK/BRKLP, HDLP, MKR LTS, PWR WNDW, DRL, and RADIO Fuses/Circuit Breakers
LT PARK Fuse/Circuit Breaker - 2 of 2
G102 - 1 of 2
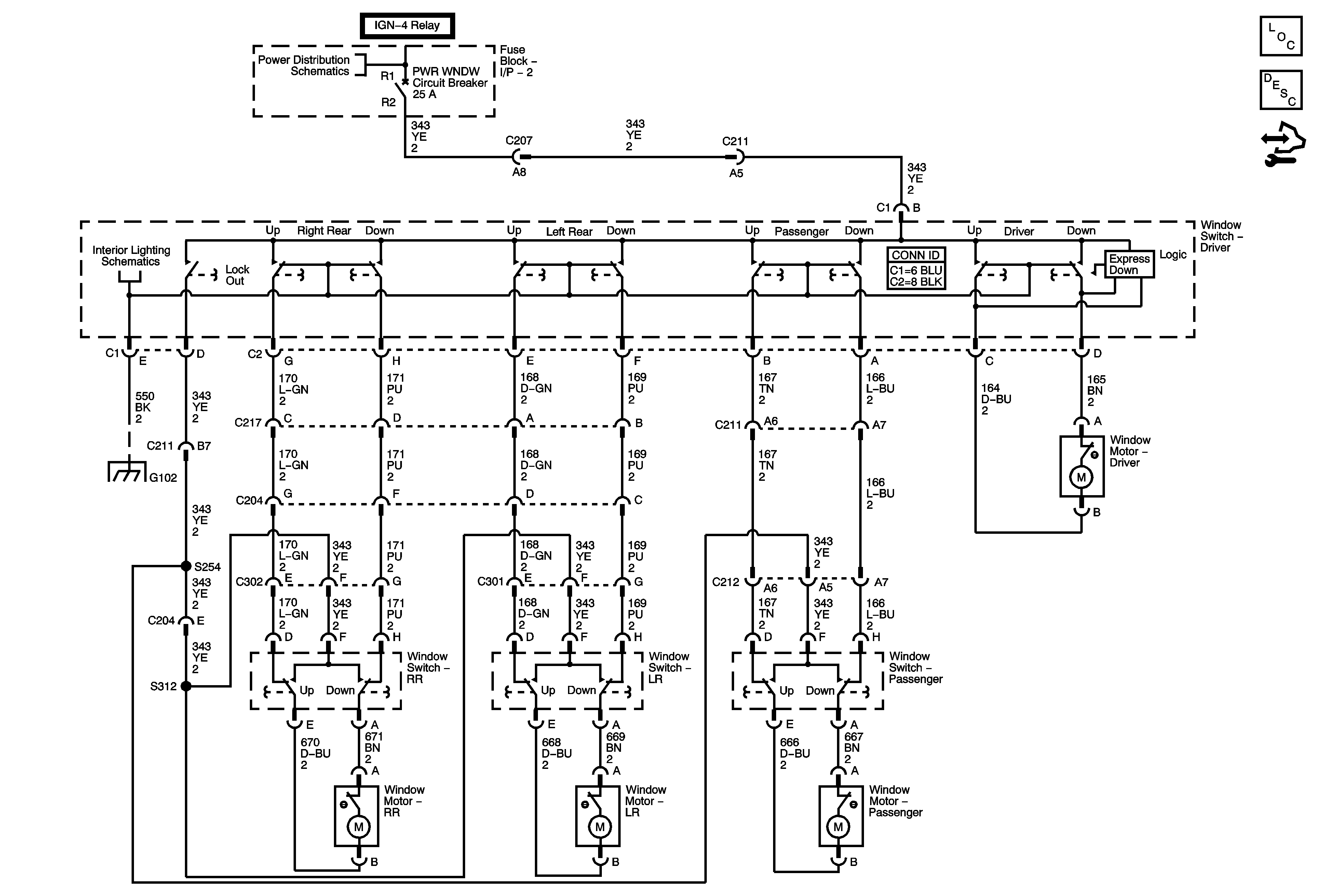
Moveable Window Schematics w/Crew Cab
Master Electrical Component List
Power Windows Description and Operation
Control Module References
G102 - 1 of 2
LT PARK Fuse/Circuit Breaker - 2 of 2
IGN-4, ELEC BRK/BRKLP, HDLP, MKR LTS, PWR WNDW, DRL, and RADIO Fuses/Circuit Breakers