GM Service Manual Online
For 1990-2009 cars only
Makes
🢒
Chevrolet
🢒
2007
🢒
Kodiak C-Series (Conventional) C4/C5
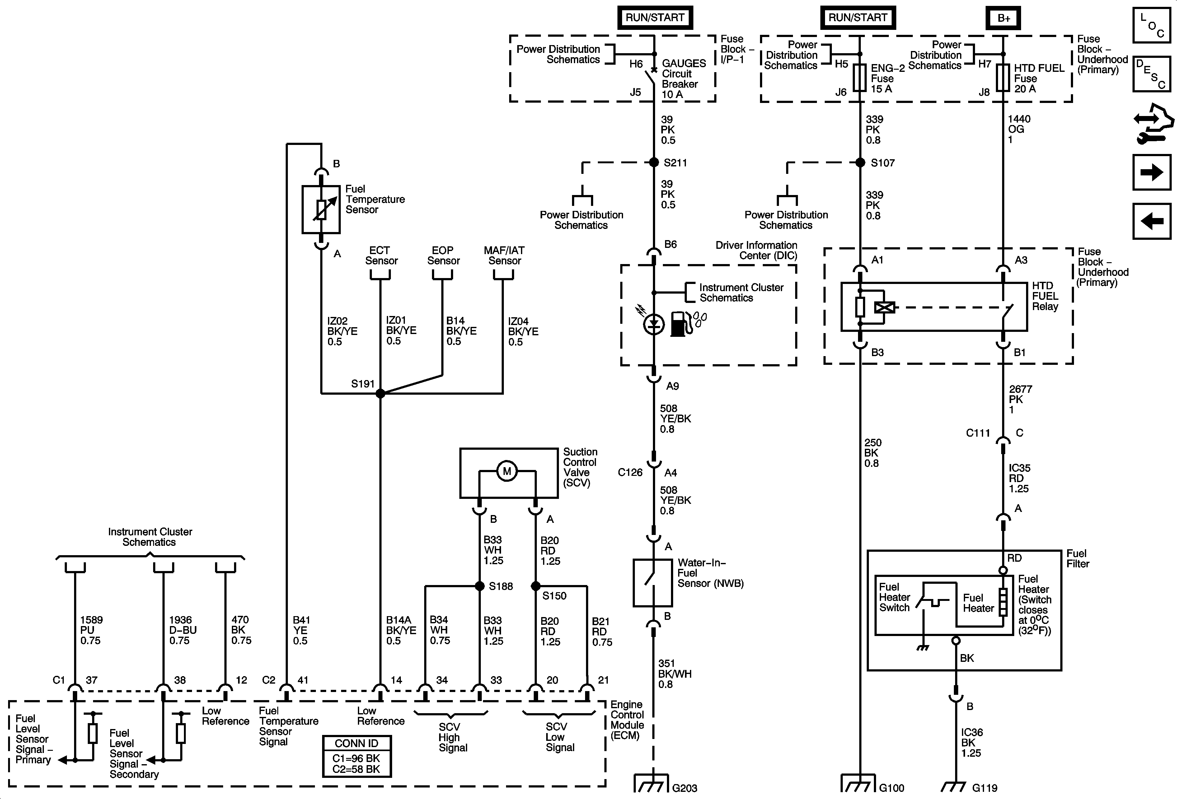
🢒 Fuel Controls - Fuel Sensors and Suction Control Valve (SCV)
Fuel Controls - Fuel Sensors and Suction Control Valve (SCV)
Fuel Controls - Fuel Sensors and Suction Control Valve (SCV)
Master Electrical Component List
Fuel System Description
Control Module References
Fuel Controls - Fuel Injectors
Engine Data Sensors - EGR Valve and Glow Plug Controls
Fuel Gage
Engine Data Sensors - Pressure and Temperature 2 of 2
Ignition Switch - OFF/RUN/START, RUN/START, and START Busses
AIRBAG, GAUGES, LT REAR TURN/STOP, and RT REAR TURN/STOP Fuses/Circuit Breakers
2007 MD-560C Driver Information System Schematics - DIC
Module Power
ENG-2, and ENG-3 Fuses - LG4
Batteries - LG4/LG5 and B+ Bus
G203 - 3 of 4
G100 - LG4