GM Service Manual Online
For 1990-2009 cars only
Makes
🢒
Chevrolet
🢒
2007
🢒
Kodiak C-Series (Conventional) C4/C5
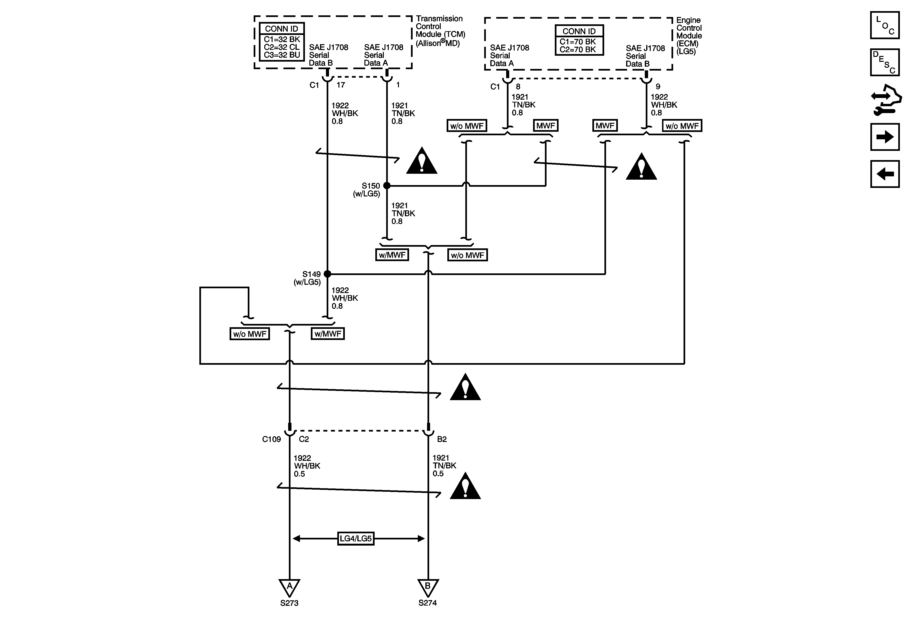
🢒 Data Link Connector Power and Ground, 2 of 2
Data Link Connector Power and Ground, 2 of 2
Data Link Connector Power and Ground, 2 of 2
Master Electrical Component List
Data Link Communications Description and Operation
Control Module References
Splice Pack SP203
Data Link Connector Power and Ground
Data Link Connector Power and Ground
Data Communication Schematic Icons
Data Communication Schematic Icons
Data Communication Schematic Icons
Data Communication Schematic Icons