GM Service Manual Online
For 1990-2009 cars only
Makes
🢒
Chevrolet
🢒
2007
🢒
Kodiak C-Series (Conventional) C4/C5
🢒 w/o LG51 of 2
w/o LG51 of 2
w/o LG5 1 of 2
Master Electrical Component List
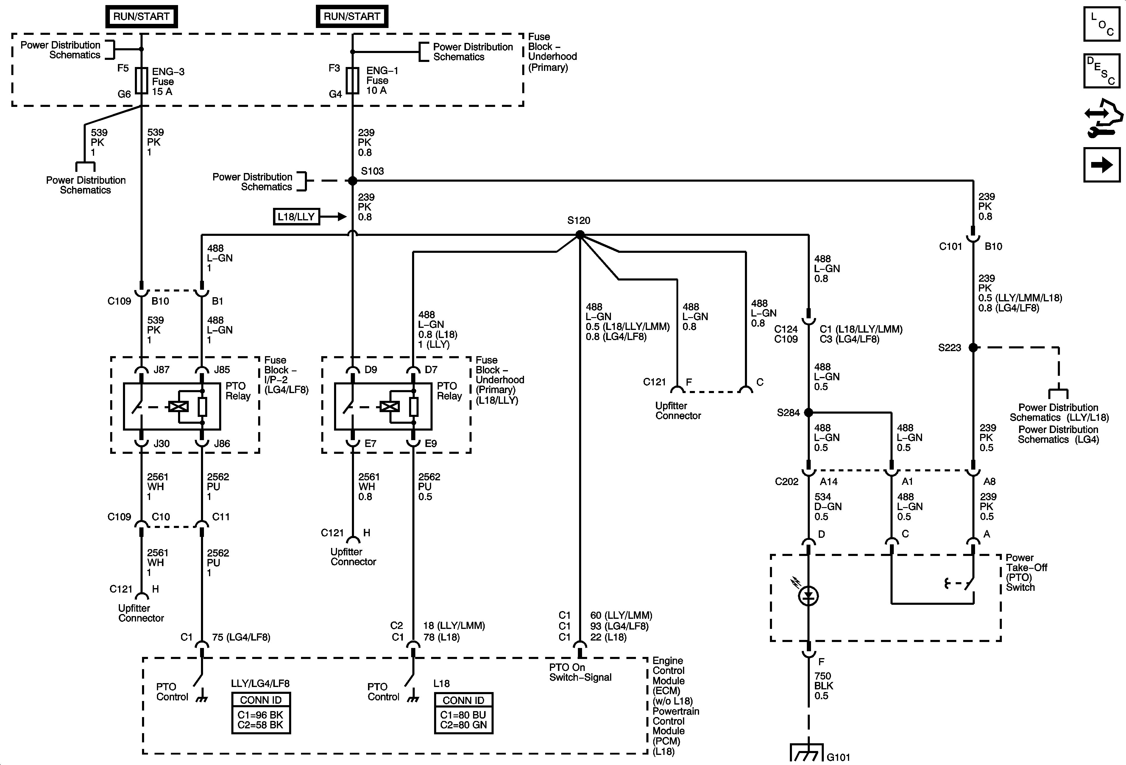
Power Take-Off (PTO) Description and Operation
Control Module References
w/o LG5 2 of 2
ENG-2, and ENG-3 Fuses - LG4
ENG-2, and ENG-3 Fuses - LG4
ENG-1 and ENG-4 Fuses - L18/LLY
ENG-1 and ENG-4 Fuses - LG4/LG5
ENG-1 and ENG-4 Fuses - L18/LLY
G101 - 2 of 2
ENG-1 and ENG-4 Fuses - L18/LLY
ENG-1 and ENG-4 Fuses - LG4/LG5