GM Service Manual Online
For 1990-2009 cars only
Makes
🢒
Chevrolet
🢒
2007
🢒
Kodiak C-Series (Conventional) C4/C5
🢒 Module Power
Module Power
Module Power
Master Electrical Component List
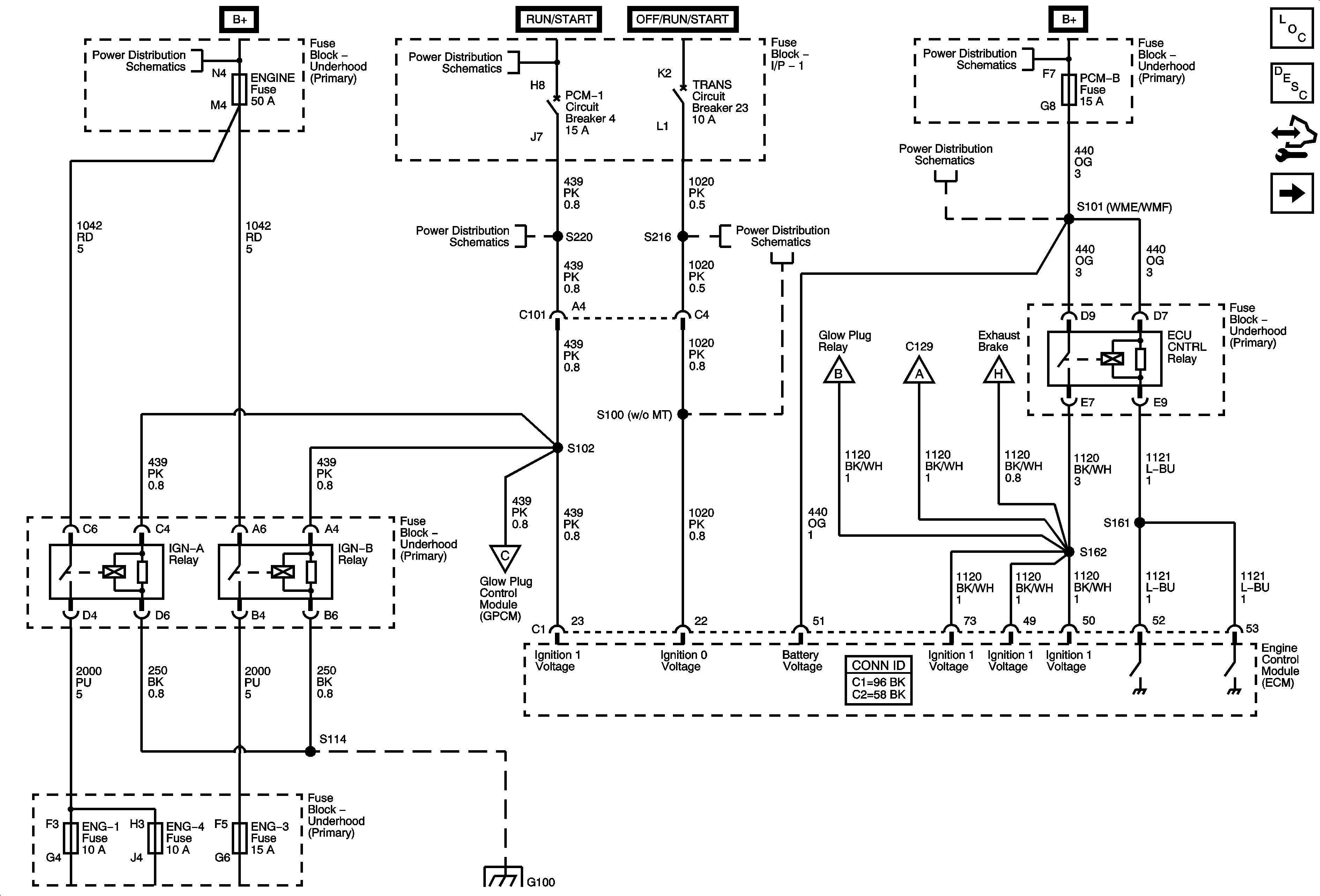
Engine Control Component Description
Control Module References
Module Ground, Serial Data, and MIL, Wait to Start, Water in Fuel Indicators
Batteries - LG4/LG5 and B+ Bus
Ignition Switch - OFF/RUN/START, RUN/START, and START Busses
ENGINE and PCM-1 Fuses/Circuit Breakers
TRANS Fuse/Circuit Breaker
A/C COMP, HTD FUEL, PCM-B and RR DEFOG Fuses
Batteries - LG4/LG5 and B+ Bus
Engine Data Sensors - EGR Valve and Glow Plug Controls
Engine Data Sensors - Mass Air Flow, Temperature, and Turbocharger Vane Position Control
Fuel Controls - Fuel Sensors, Suction Control Valve (SCV), Exhaust Temperature, DPF Pressure Sensors, and Exhaust Brake Solenoid
Engine Data Sensors - EGR Valve and Glow Plug Controls
G100 - LG4