GM Service Manual Online
For 1990-2009 cars only
Makes
🢒
Chevrolet
🢒
2007
🢒
Kodiak C-Series (Conventional) C4/C5
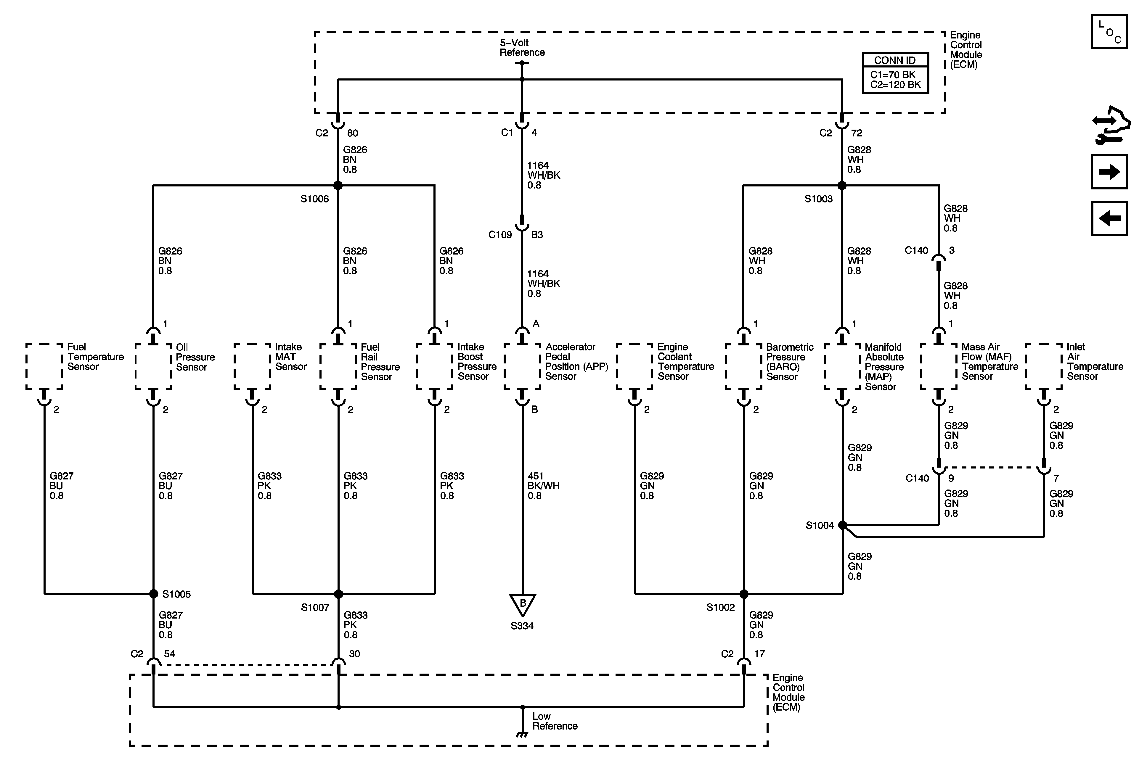
🢒 Engine Data Sensors - 5-Volt and Low Reference 1 of 2
Engine Data Sensors - 5-Volt and Low Reference 1 of 2
Engine Data Sensors - 5-Volt and Low Reference 1 of 2
Master Electrical Component List
Control Module References
Low Reference 2 of 2
Module Power, Ground, Serial Data, and MIL
Low Reference 2 of 2