GM Service Manual Online
For 1990-2009 cars only
Makes
🢒
Chevrolet
🢒
2007
🢒
Kodiak C-Series (Conventional) C4/C5
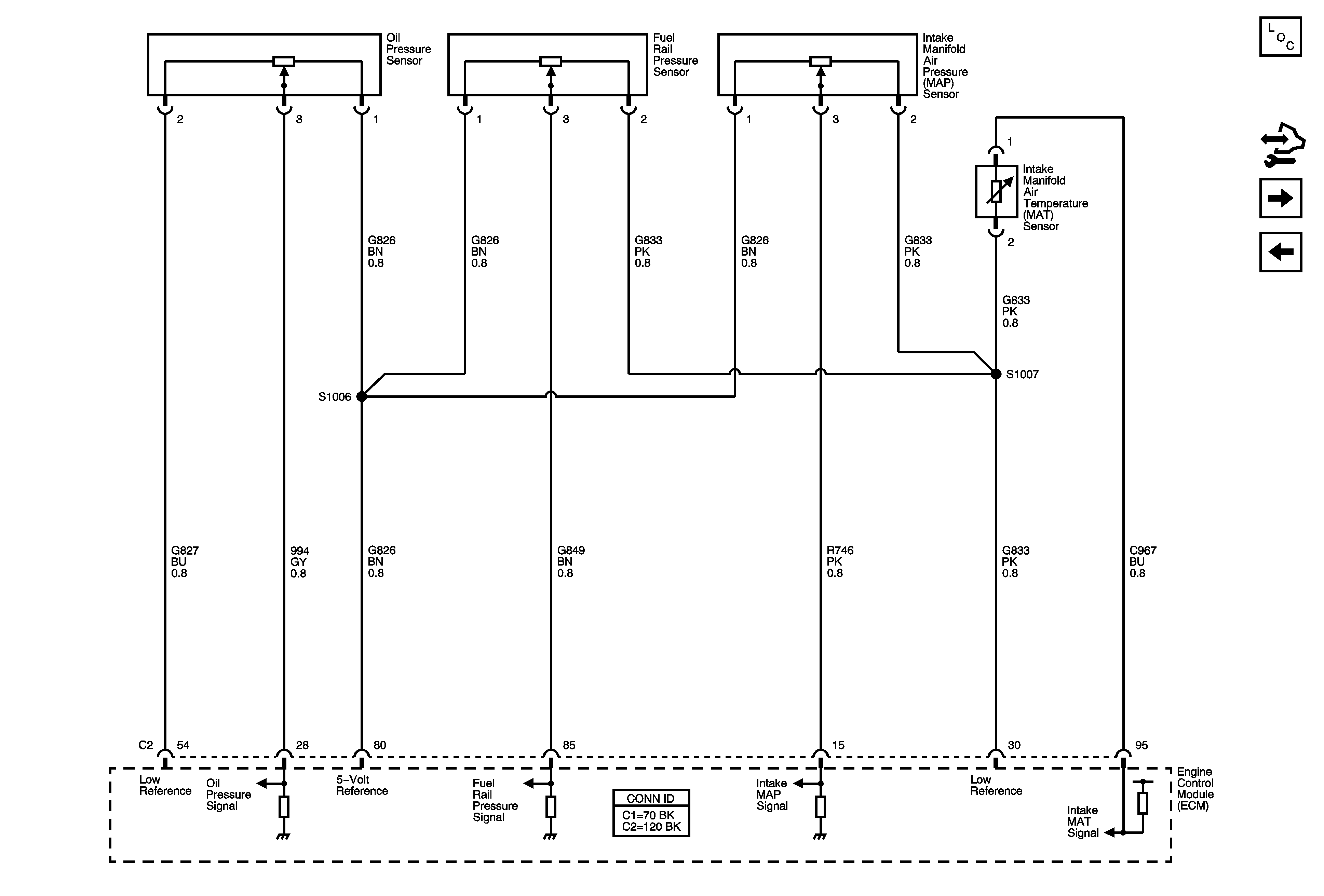
🢒 Engine Data Sensors - Pressure and Temperature 3 of 3
Engine Data Sensors - Pressure and Temperature 3 of 3
Engine Data Sensors - Pressure and Temperature 3 of 3
Master Electrical Component List
Control Module References
Engine Data Sensors - ARD Ignition Coil, and ARD Control Sensors 1 of 2
Engine Data Sensors - Pressure and Temperature 2 of 3