GM Service Manual Online
For 1990-2009 cars only
Makes
🢒
Chevrolet
🢒
2008
🢒
Kodiak C-Series (Conventional) C4/C5
🢒
Diagnostic Navigation
🢒
Vehicle Diagnostic Information
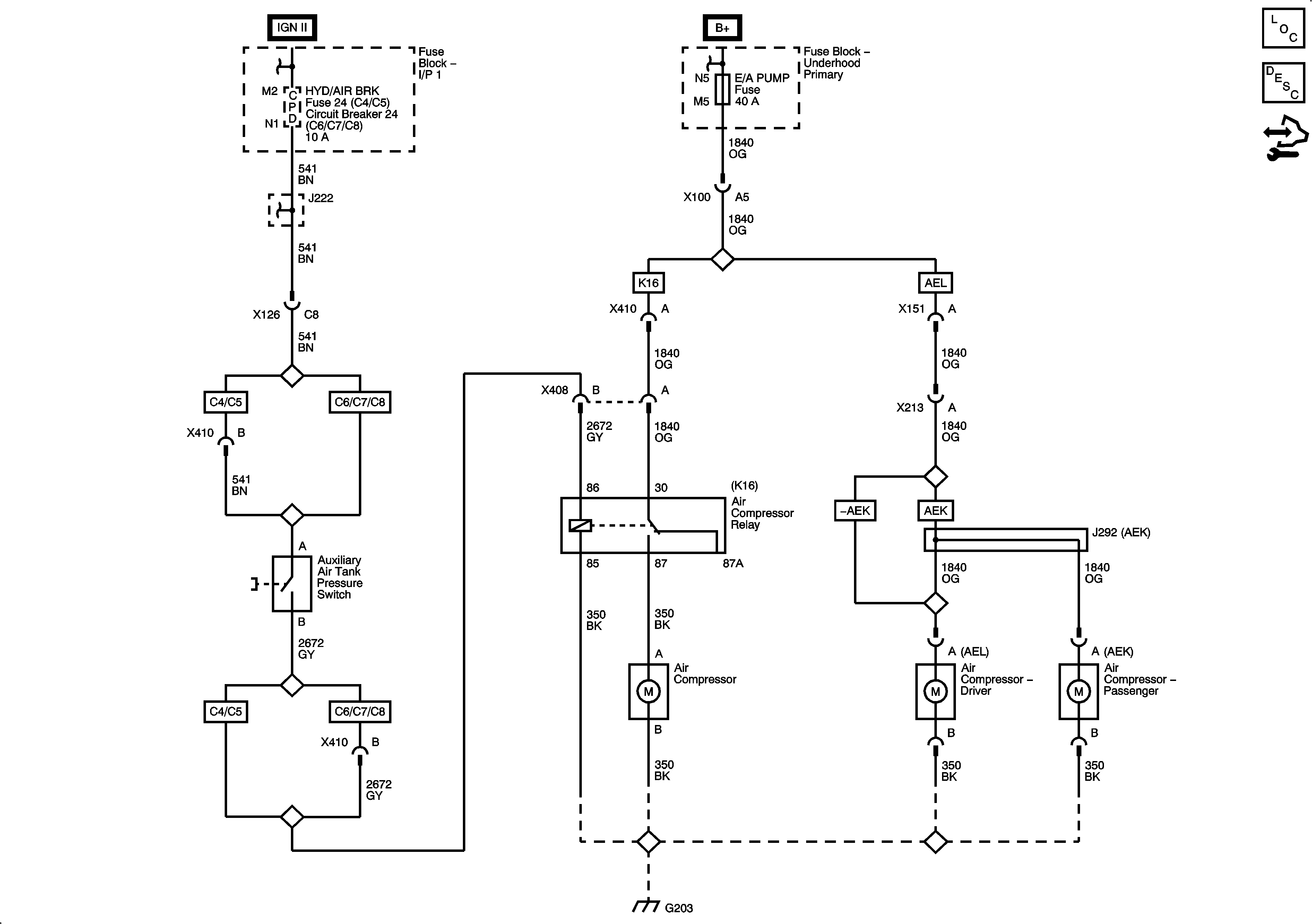
🢒 Auxiliary Air Compressor Schematics
Master Electrical Component List
Auxiliary Air Compressor Description and Operation
Control Module References
AXL/4WD, BRK, HYD/AIR BRK, and HTR/AC Fuses/Circuit Breakers
AXL/4WD, BRK, HYD/AIR BRK, and HTR/AC Fuses/Circuit Breakers
ABS-1, ABS-2, ABS-3, E/A PUMP and HORN Fuses/Circuit Breakers
G112, G113, G203 - 4 of 4, G204, G205, and G400