GM Service Manual Online
For 1990-2009 cars only
Makes
🢒
Chevrolet
🢒
2008
🢒
Kodiak C-Series (Conventional) C4/C5
🢒
Diagnostic Navigation
🢒
Vehicle Diagnostic Information
🢒 Hydraulic Brake Schematics
Figure
1:
Brake Controls, Park Brake Switch
Master Electrical Component List
Brake Warning System Description and Operation
Control Module References
Power Brake Booster Pump Controls and Stop Lamp Switch
G101 - 1 of 2
Instrument Panel Cluster - 1 of 2
AIRBAG, GAGES, LT REAR TURN/STOP, and RT REAR TURN/STOP Fuses/Circuit Breakers
AIRBAG, GAGES, LT REAR TURN/STOP, and RT REAR TURN/STOP Fuses/Circuit Breakers
Splice Pack SP203
G203 - 2 of 4
DIC
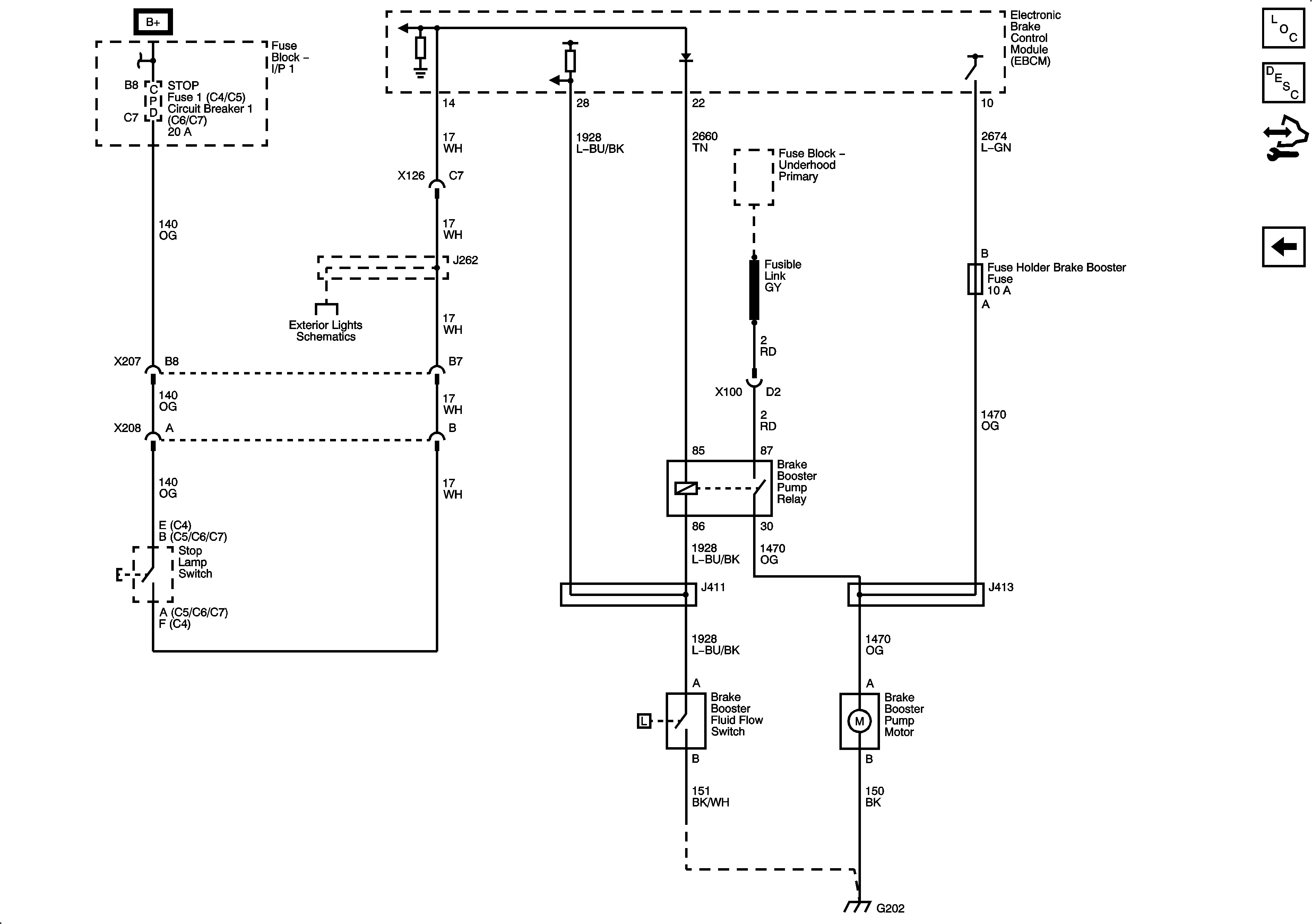
Figure
2:
Brake Booster Controls and Stop Lamp Switch
Master Electrical Component List
Hydraulic Brake System Description and Operation
Control Module References
Hydraulic Brakes
BAT/HAZ, HAZRD, PWR/ACCY, STOP, and TRLR Fuses/Circuit Breakers
Hazard, Stop, and Turn Signal Controls
G103 - 2 of 2