GM Service Manual Online
For 1990-2009 cars only
Makes
🢒
Chevrolet
🢒
2008
🢒
Kodiak C-Series (Conventional) C4/C5
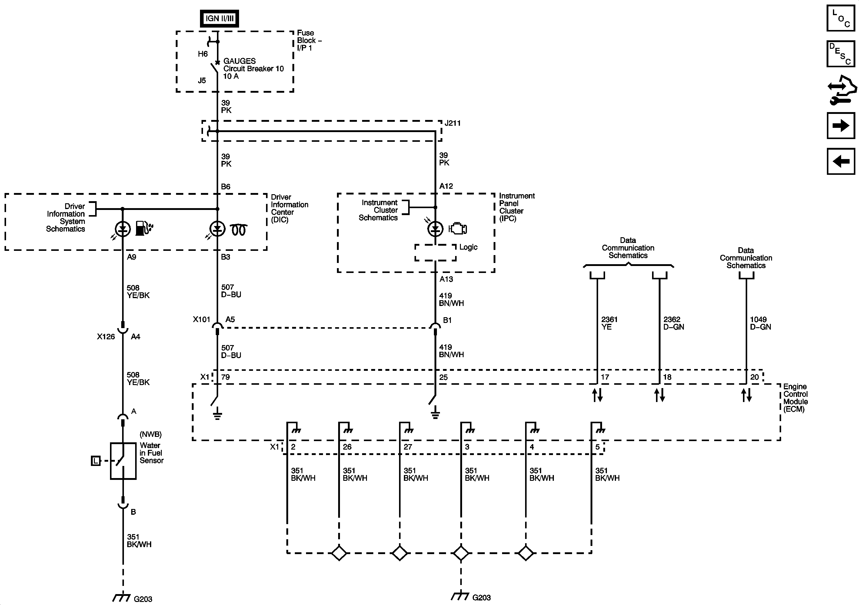
🢒 Module Ground, Serial Data, and MIL, Wait to Start, Water in Fuel Indicators
Module Ground, Serial Data, and MIL, Wait to Start, Water in Fuel Indicators
Module Ground, Serial Data, and MIL, Wait to Start, Water in Fuel Indicators
Master Electrical Component List
Control Module References
Engine Data Sensors - 5-Volt and Low Reference
Module Power
DIC
G203 - 3 of 4
AIRBAG, GAGES, LT REAR TURN/STOP, and RT REAR TURN/STOP Fuses/Circuit Breakers
AIRBAG, GAGES, LT REAR TURN/STOP, and RT REAR TURN/STOP Fuses/Circuit Breakers
Instrument Panel Cluster - 1 of 2
G203 - 3 of 4
J1939 Serial Data, 2 of 2 - L18 w/JE4, LF6, LF8
Splice Pack SP203