GM Service Manual Online
For 1990-2009 cars only
Makes
🢒
Chevrolet
🢒
2008
🢒
Kodiak C-Series (Conventional) C4/C5
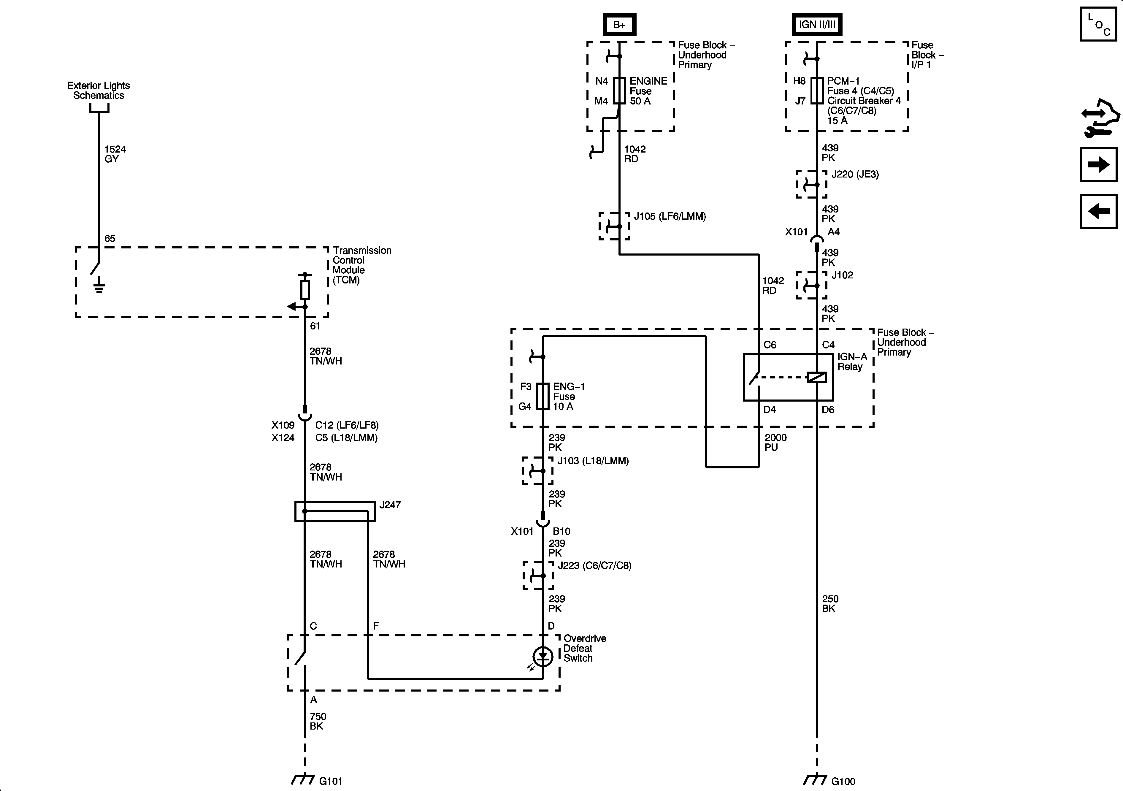
🢒 Overdrive Defeat Switch and CAN Serial Data
Overdrive Defeat Switch and CAN Serial Data
Overdrive Defeat Switch and CAN Serial Data
Master Electrical Component List
Control Module References
C102 - Upfitter TRANS OPT Connector and Internal Mode Switch
Module Power, Ground, Serial Data, MIL, VSS, and Torque Controls
Backup Lamp Control
G101 - 1 of 2
ENGINE and PCM-1 Fuses/Circuit Breakers
ENGINE and PCM-1 Fuses/Circuit Breakers
ENG-1 and ENG-4 Fuses - L18/LMM
ENG-1 and ENG-4 Fuses - L18/LMM
ENG-1 and ENG-4 Fuses - L18/LMM
ENGINE and PCM-1 Fuses/Circuit Breakers
ENGINE and PCM-1 Fuses/Circuit Breakers
ENGINE and PCM-1 Fuses/Circuit Breakers
Ground Distribution Schematics