GM Service Manual Online
For 1990-2009 cars only
Makes
🢒
Chevrolet
🢒
2008
🢒
Kodiak C-Series (Conventional) C4/C5
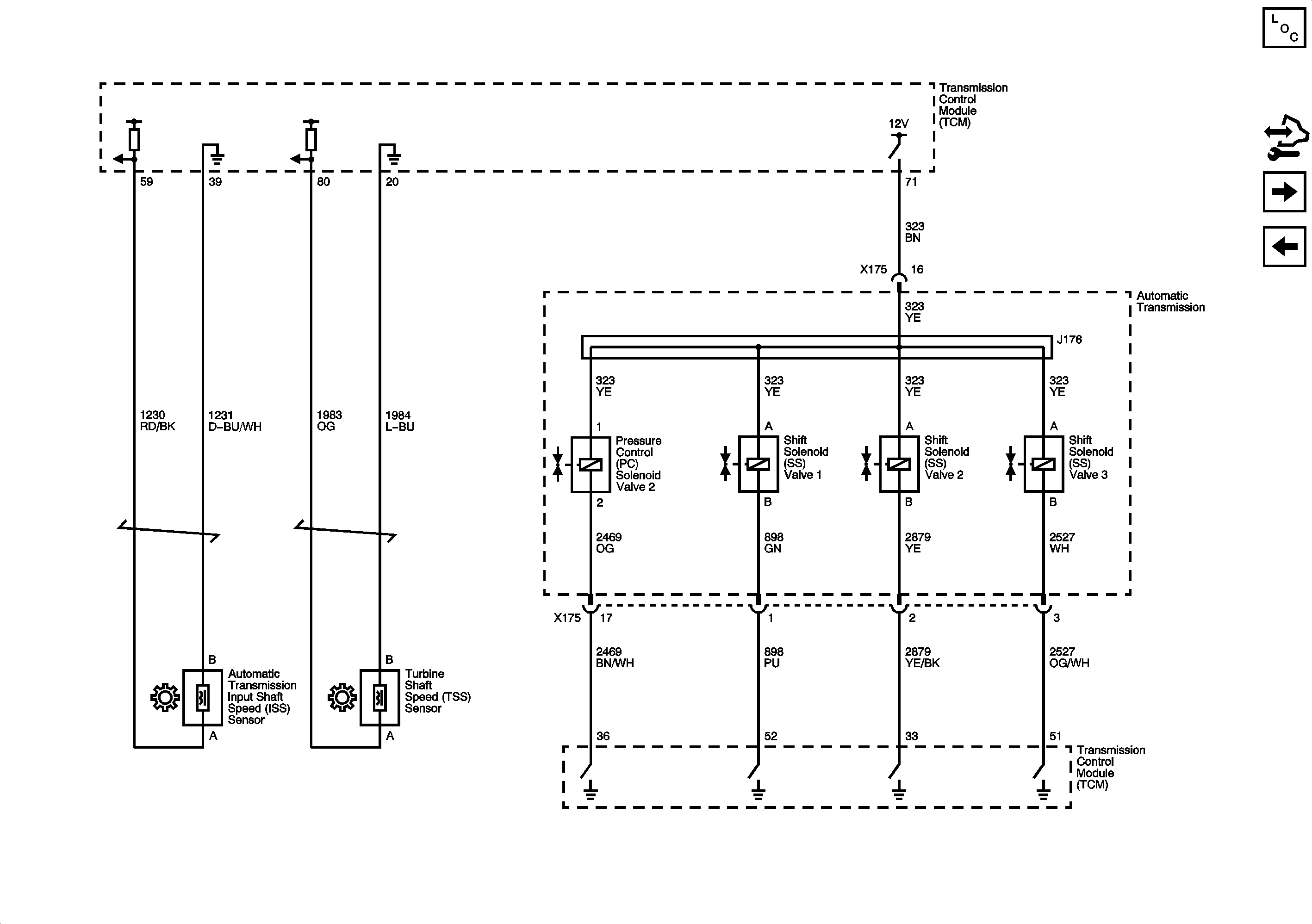
🢒 Speed Sensors, Trim B and Shift Solenoid
Speed Sensors, Trim B and Shift Solenoid
Speed Sensors, Trim B and Shift Solenoid
Master Electrical Component List
Control Module References
TCC PWM and Trim A Solenoid Valves, Pressure Switch Manifold and TFT Sensor
C102 - Upfitter TRANS OPT Connector and Internal Mode Switch