GM Service Manual Online
For 1990-2009 cars only
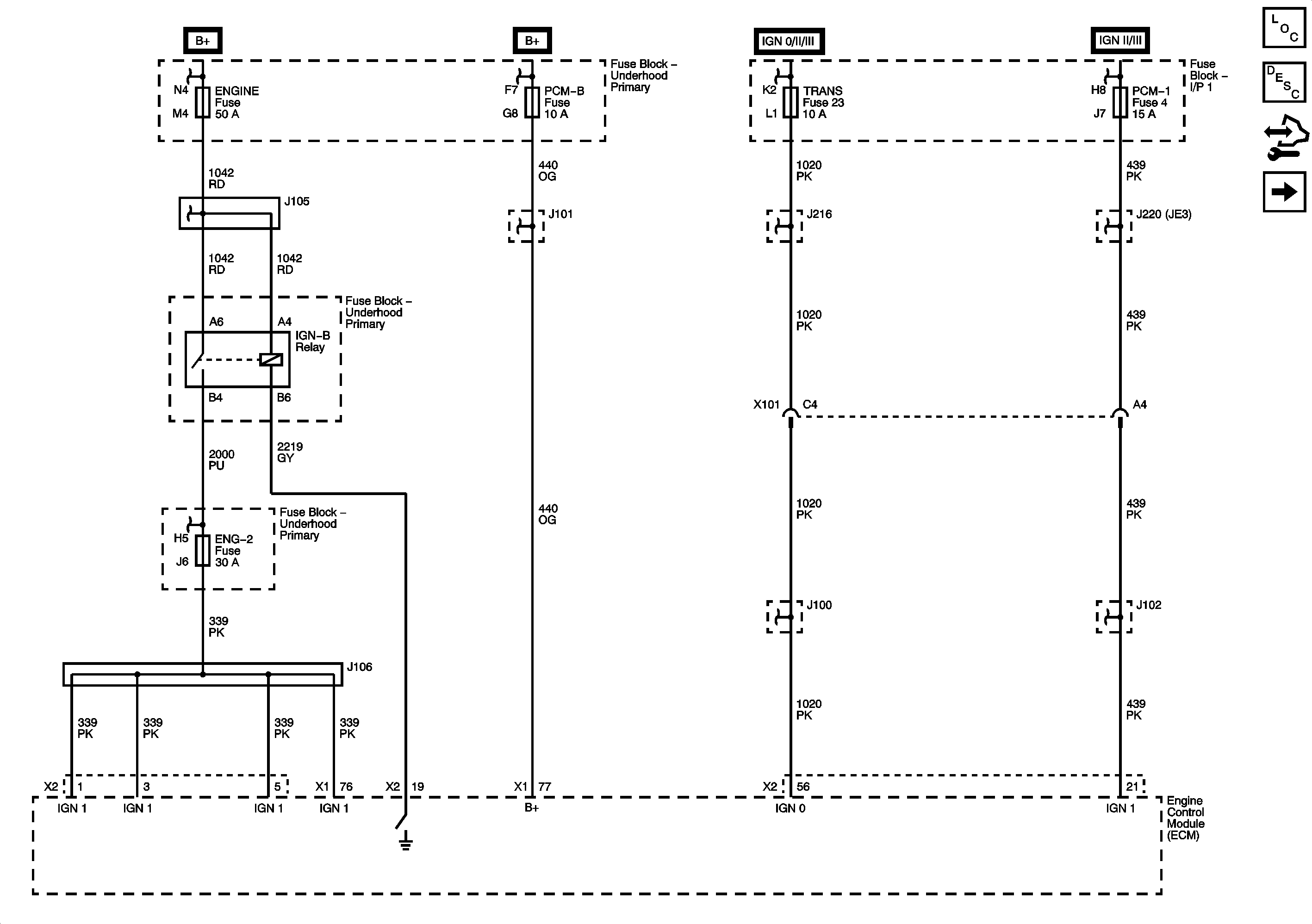
Figure 1:

Module Power


Object Number: 2076210  Size: FS
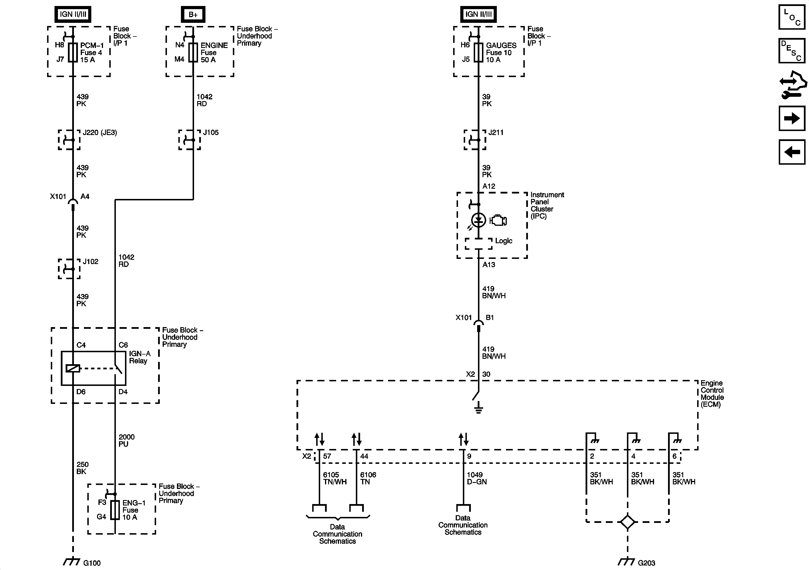
Figure 2:

Fuse Block, IGN-A Relay, Ground, Serial Data and MIL


Object Number: 2076212  Size: FS
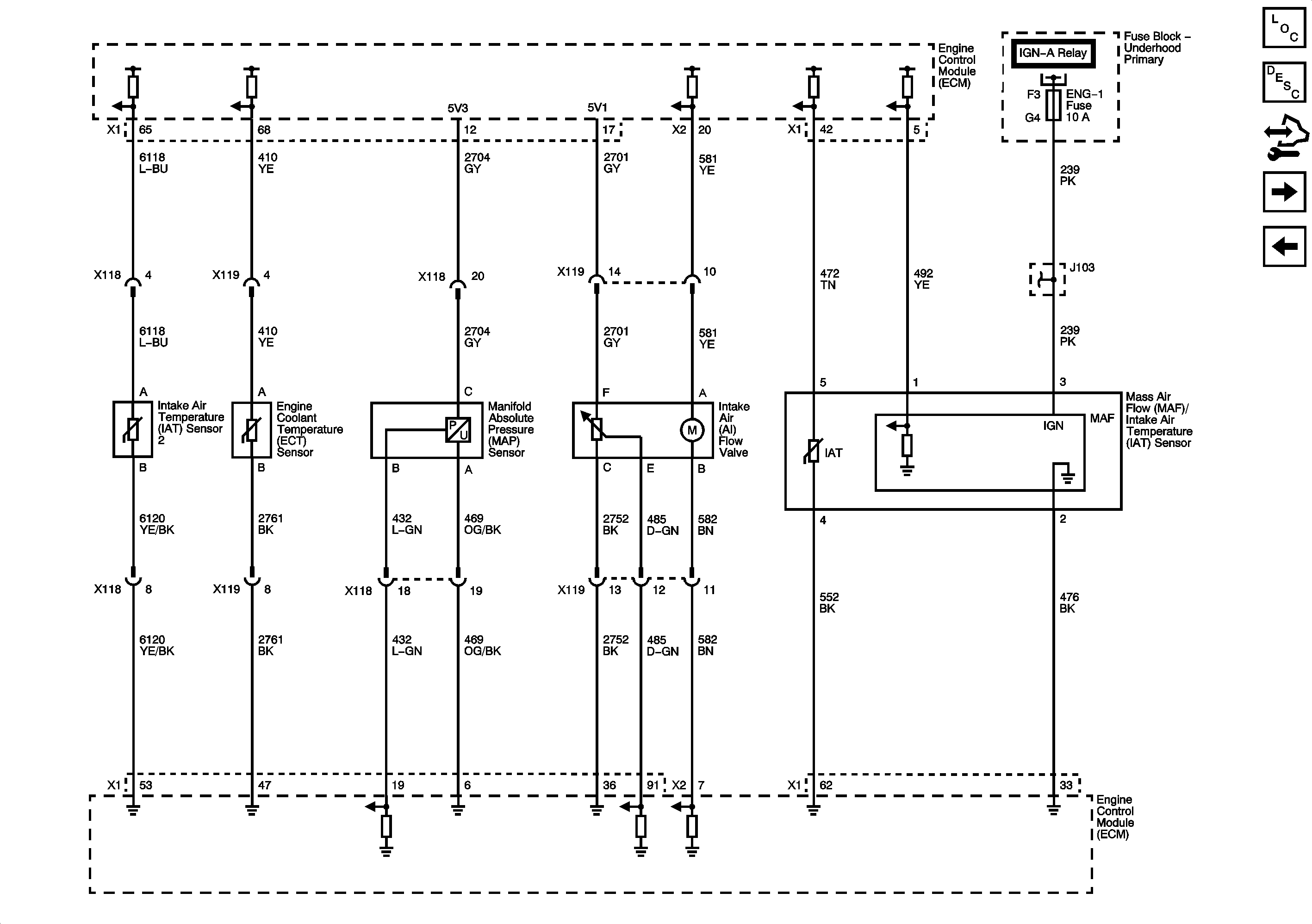
Figure 3:

Engine Data Sensors - 5-Volt and Low Reference


Object Number: 2076213  Size: FS
Figure 4:

Engine Data Sensors - Pressure, Temperature and MAF Sensor


Object Number: 2076214  Size: FS
Figure 5:

Engine Data Sensors - EGR and Turbocharger Controls


Object Number: 2076217  Size: FS
Figure 6:

Engine Data Sensors - APP, High Idle Switch (UZ3) and Injection Timing Controls


Object Number: 2076218  Size: FP
Figure 7:

Engine Data Sensors - Glow Plug Controls, Intake Air Heater (IAH) Module


Object Number: 2076219  Size: FS
Master Electrical Component List
Figure 8:

Fuel Controls - Fuel Pump, Temperature and Pressure Controls


Object Number: 2076221  Size: FS
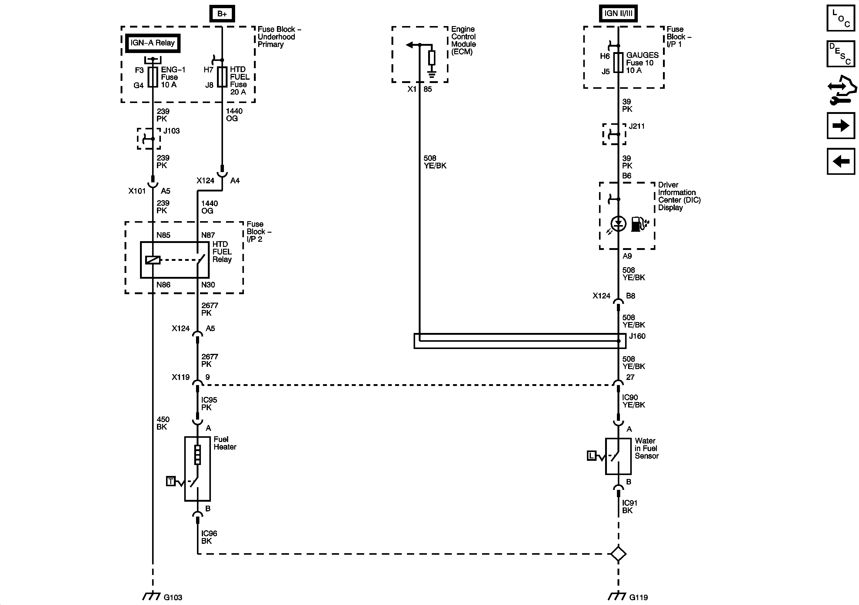
Figure 9:

Fuel Controls - Fuel Heater and Water-In-Fuel Sensor Controls


Object Number: 2076222  Size: FS
Figure 10:

Fuel Controls - Fuel Injectors


Object Number: 2076223  Size: FS
Figure 11:

Controlled/Monitored Subsystem References 1 of 2


Object Number: 2076224  Size: FS
Figure 12:

Controlled/Monitored Subsystem References 2 of 2


Object Number: 2076225  Size: FS