GM Service Manual Online
For 1990-2009 cars only
Figure 1:

Module Power


Object Number: 2076246  Size: FS
Figure 2:

Module Ground, Serial Data, and MIL, Wait to Start, Water in Fuel Indicators


Object Number: 2076247  Size: FS
Figure 3:

Engine Data Sensors - 5-Volt and Low Reference


Object Number: 2076249  Size: FS
Figure 4:

Engine Data Sensors - Manifold, and Engine Oil Pressure, Turbocharger Vane Position, and Intake Throttle


Object Number: 2076250  Size: FS
Figure 5:

Engine Data Sensors - Mass Air Flow, Temperature, and Turbocharger Vane Position Control


Object Number: 2076252  Size: FS
Figure 6:

Engine Data Sensors - APP Sensor and High Idle Switch - UF3


Object Number: 2076253  Size: FS
Figure 7:

Engine Data Sensors - VSS and Injector Timing Controls


Object Number: 2076254  Size: FS
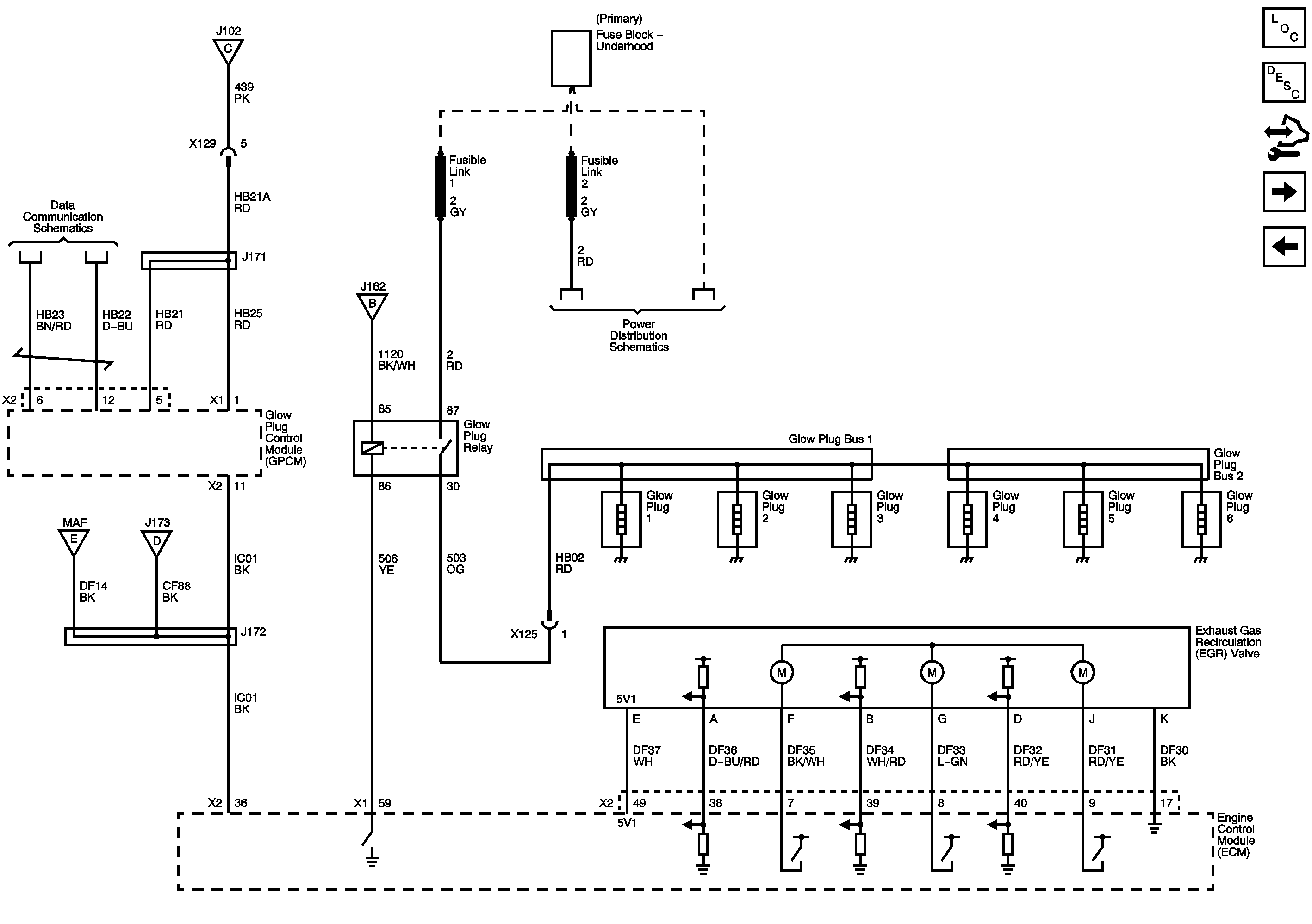
Figure 8:

Engine Data Sensors - EGR Valve and Glow Plug Controls


Object Number: 2076255  Size: FS
Figure 9:

Fuel Controls - Fuel Sensors, Suction Control Valve (SCV), Exhaust Temperature, DPF Pressure Sensor, and Exhaust Brake Solenoid


Object Number: 2076257  Size: FS
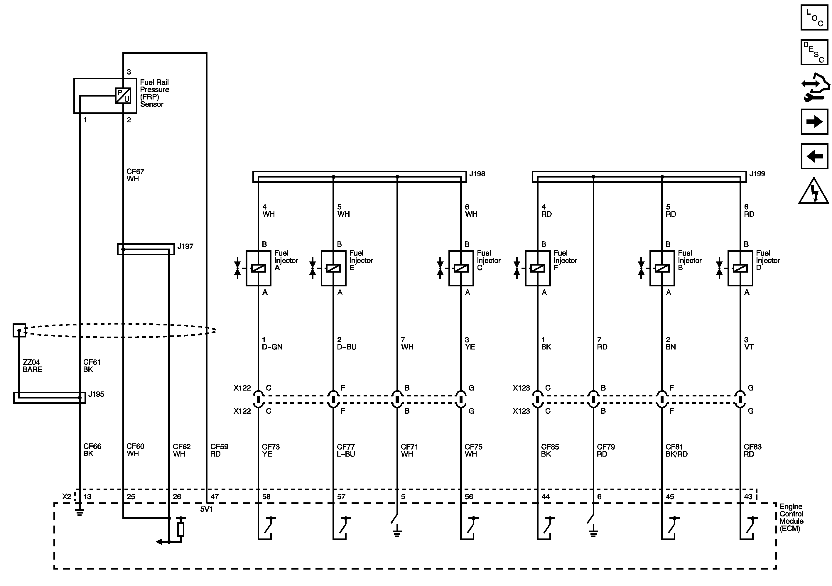
Figure 10:

Fuel Controls - Fuel Injectors, Fuel Rail Pressure (FRP)


Object Number: 2076259  Size: FS
Figure 11:

Power Take Off (PTO) System References


Object Number: 2076260  Size: FS
Figure 12:

Controlled/Monitored Subsystem References


Object Number: 2076262  Size: FS