GM Service Manual Online
For 1990-2009 cars only
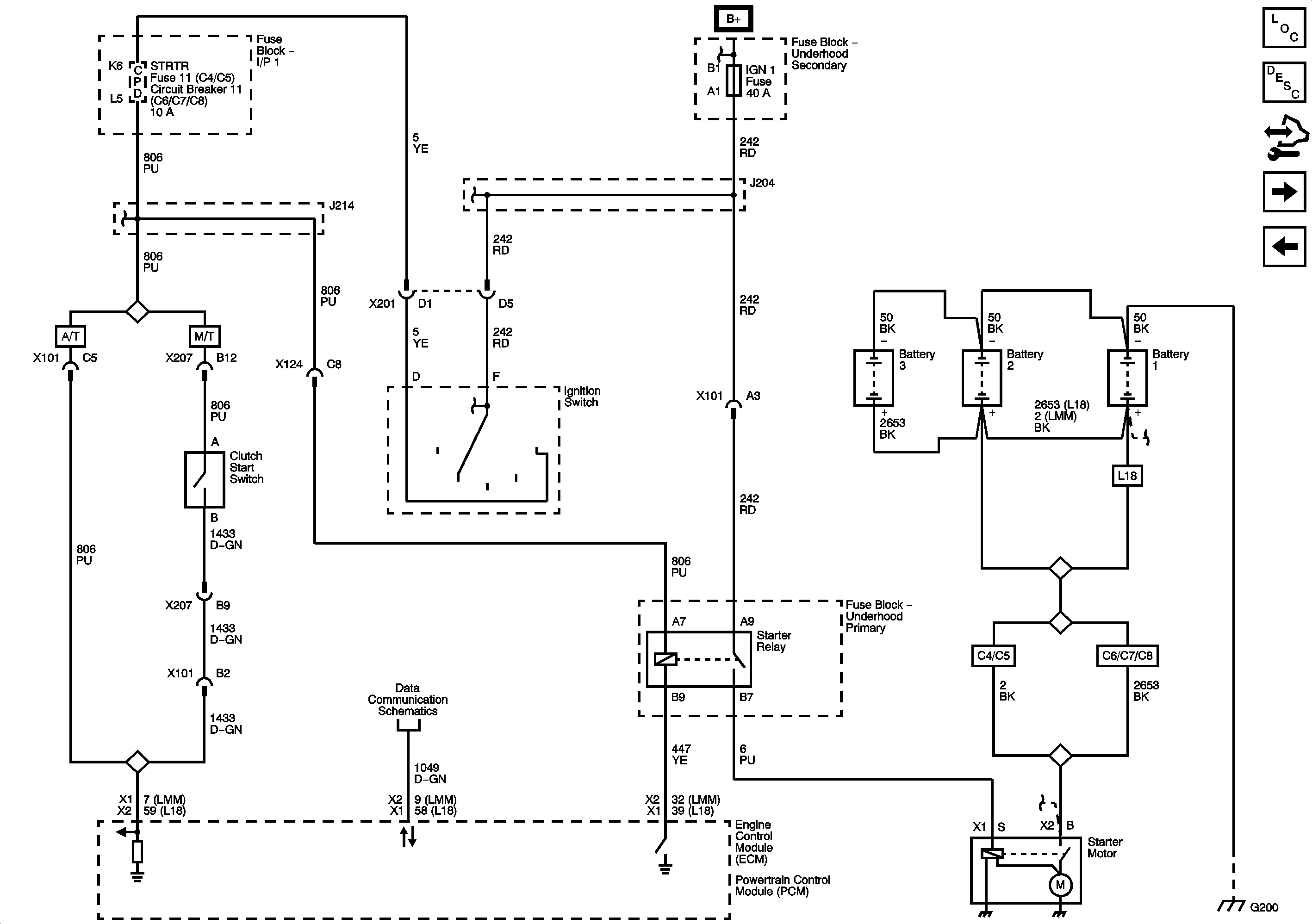
Figure 1:

Starting System - LF6/LF8


Object Number: 2076284  Size: FS
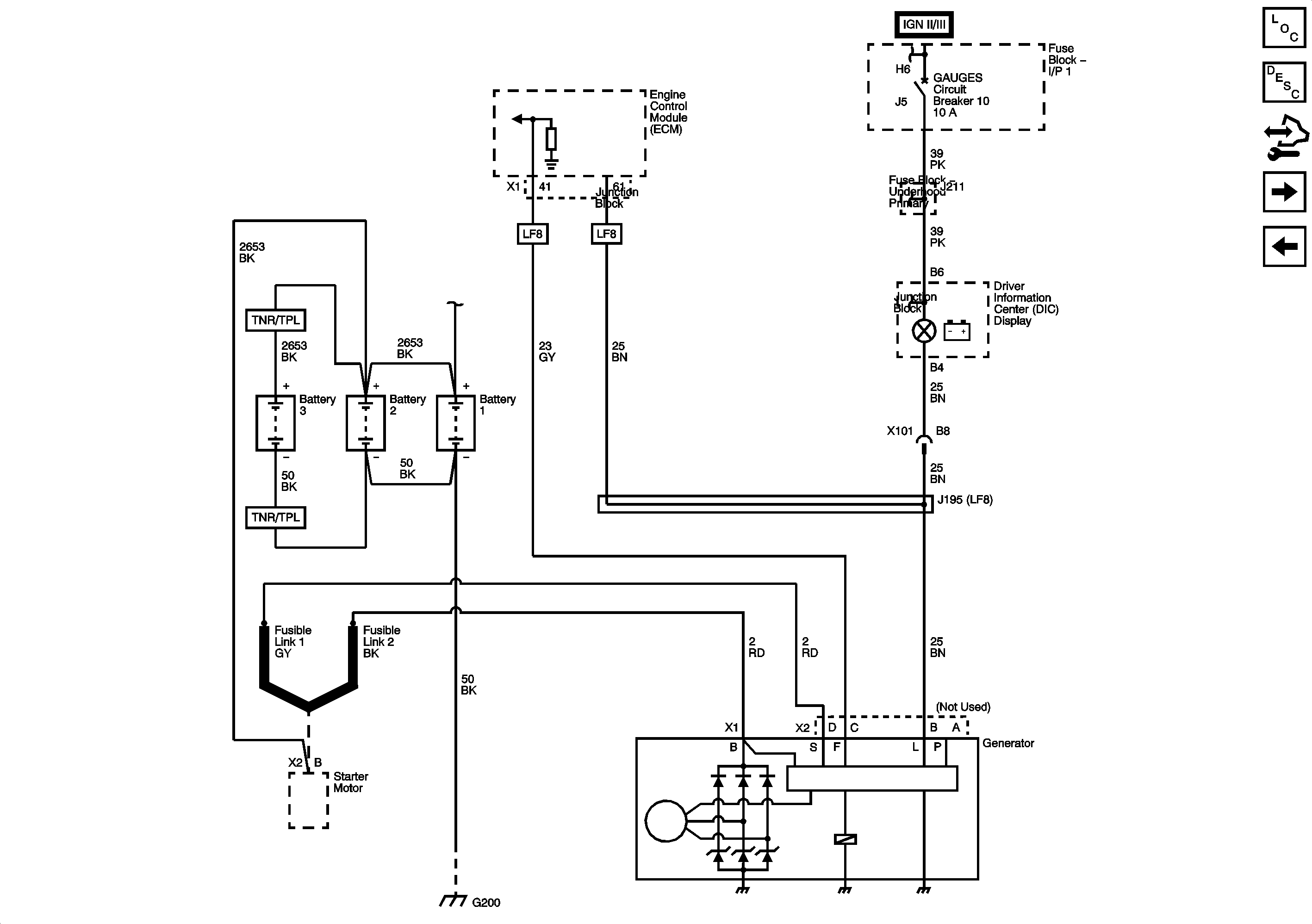
Figure 2:

Charging System - LF6/LF8


Object Number: 2076285  Size: FS
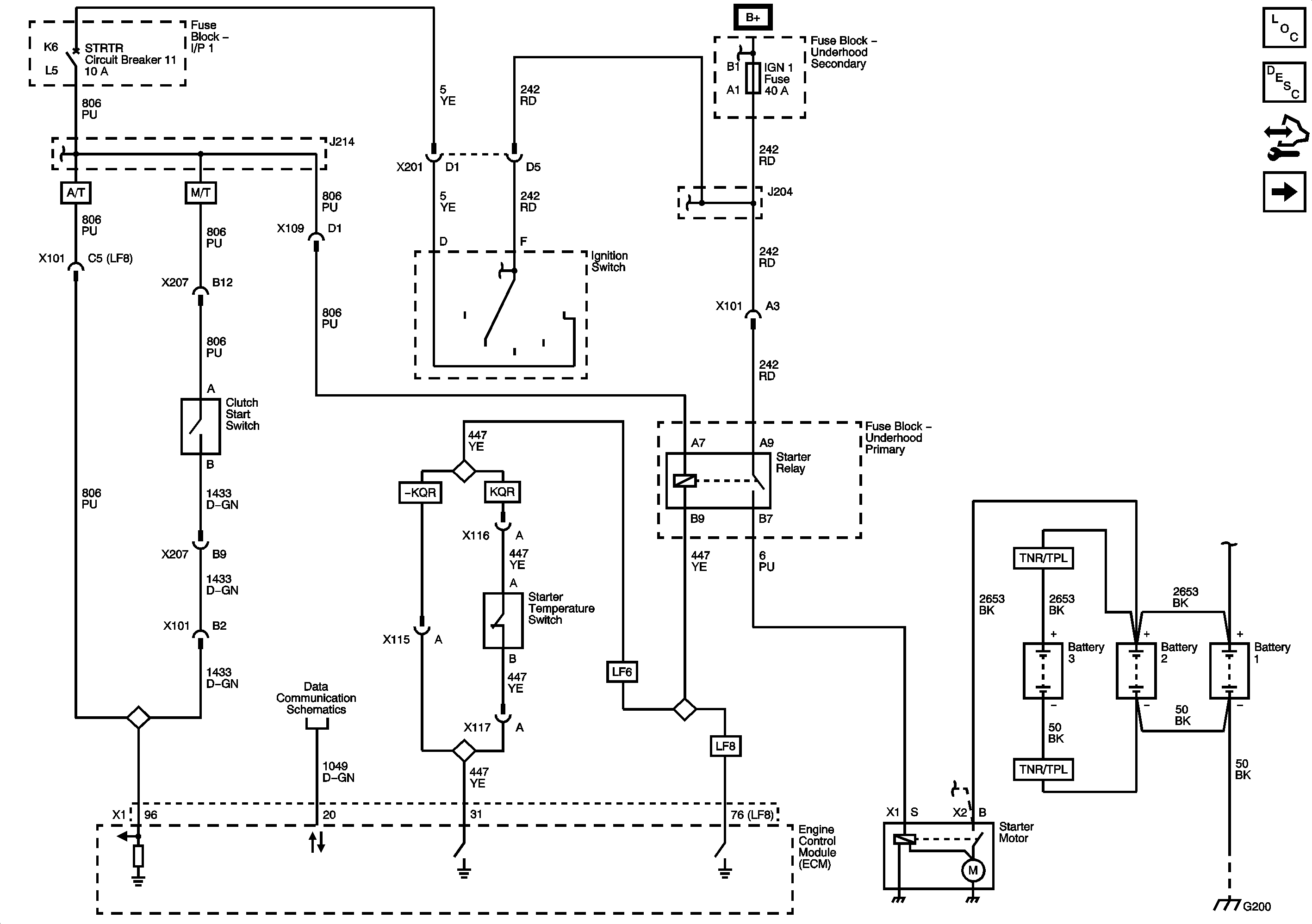
Figure 3:

Starting System L18/LMM


Object Number: 2076287  Size: FS
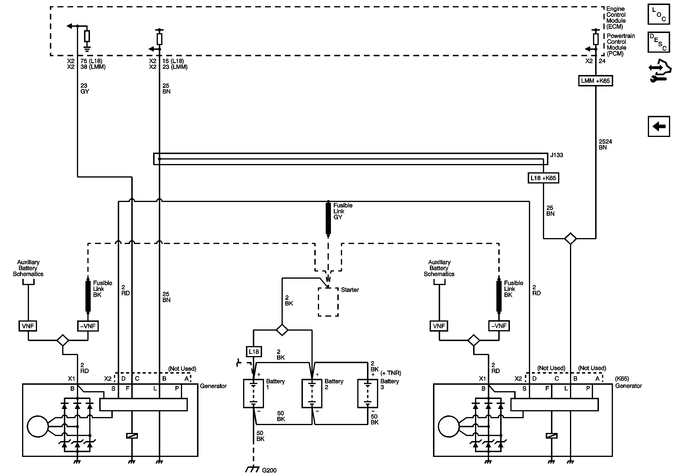
Figure 4:

Charging System L18/LMM


Object Number: 2076289  Size: FS