GM Service Manual Online
For 1990-2009 cars only
Makes
🢒
Chevrolet
🢒
2009
🢒
Kodiak C-Series (Conventional) C4/C5
🢒
Diagnostic Navigation
🢒
Vehicle Diagnostic Information
🢒 Radio/Navigation System Schematics
Figure
1:
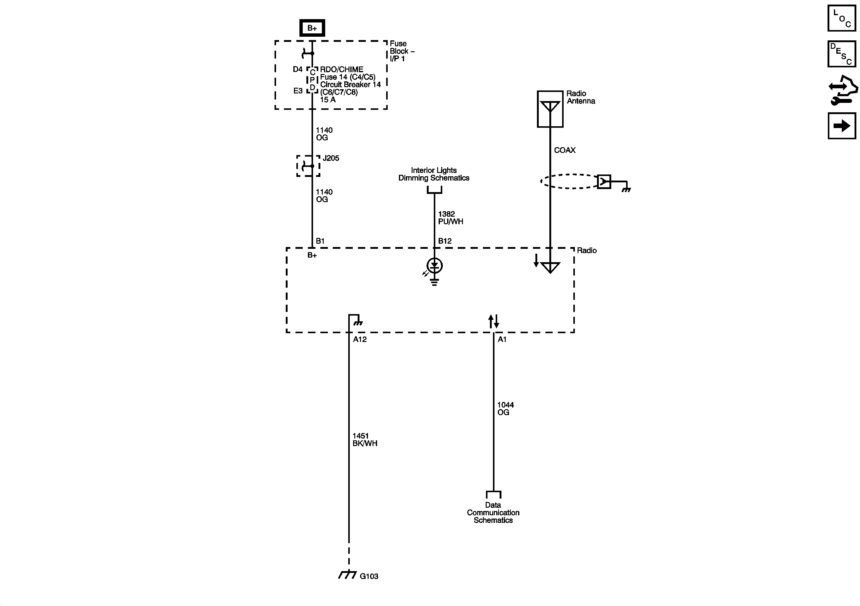
Radio
Figure
2:
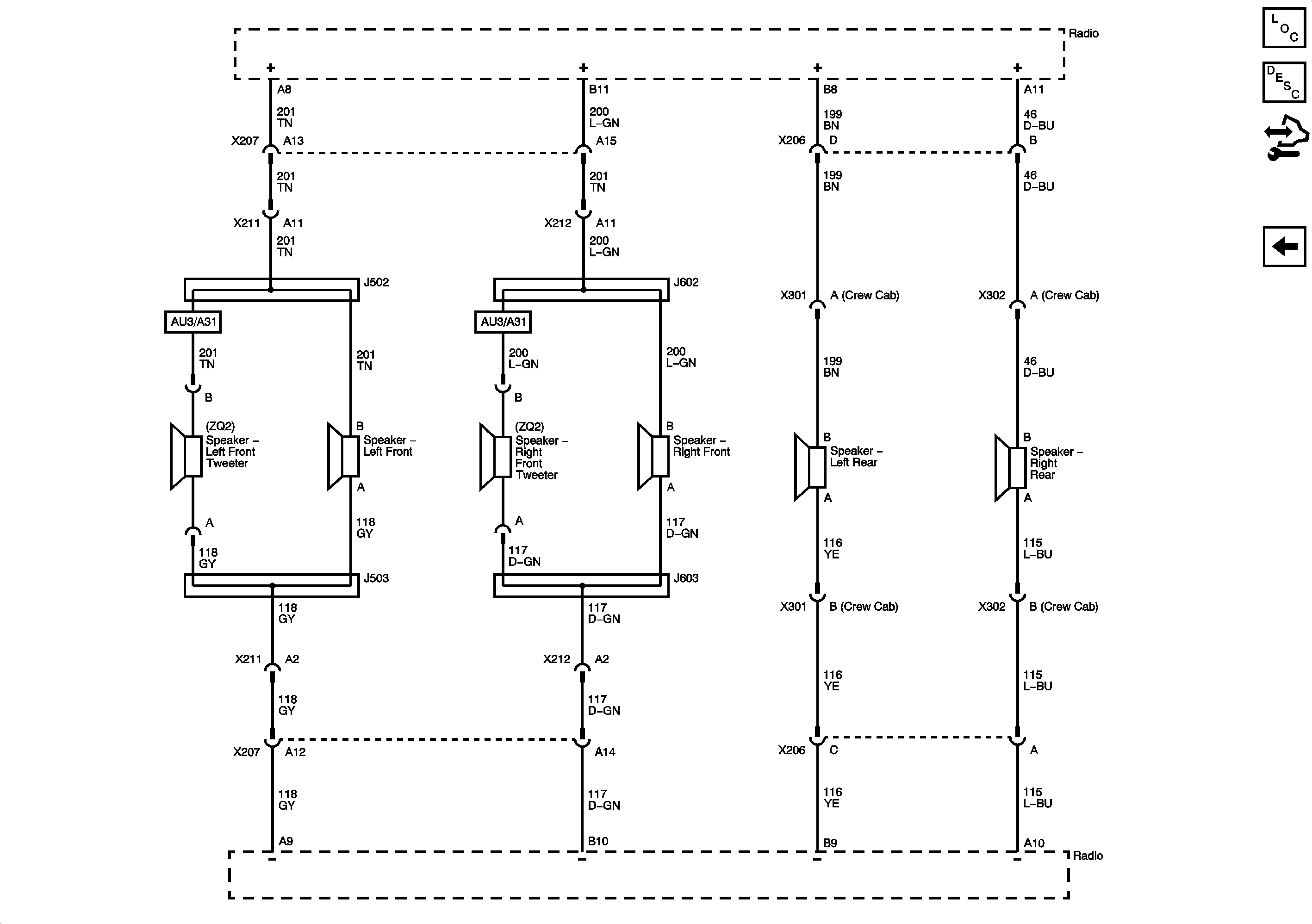
Speakers