GM Service Manual Online
For 1990-2009 cars only
Makes
🢒
Chevrolet
🢒
2009
🢒
Kodiak C-Series (Conventional) C4/C5
🢒
Driveline/Axle
🢒
Rear Drive Axle
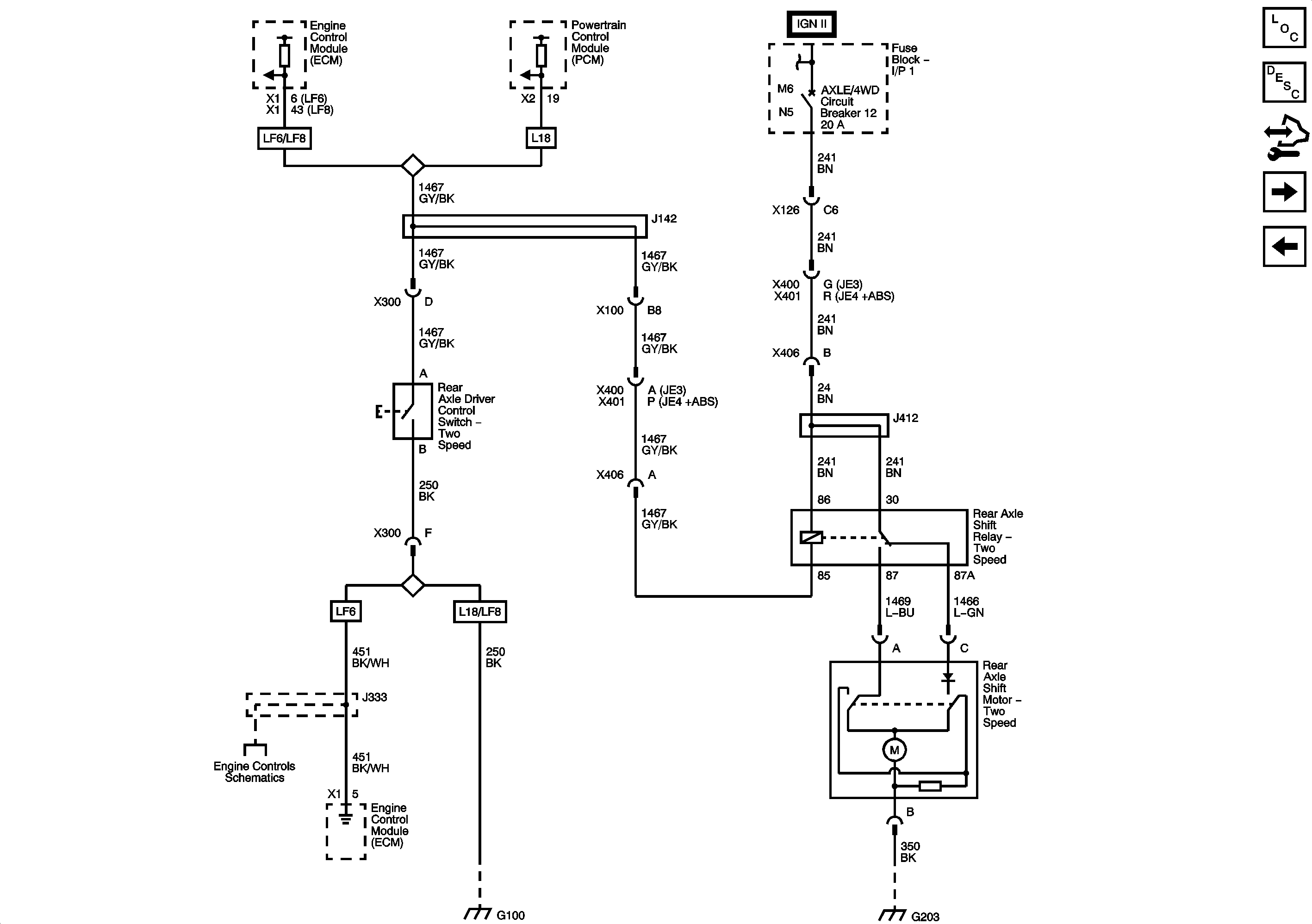
🢒 Two-Speed Rear Axle Schematics
Figure
1:
HPZ with Automatic Transmission
Figure
2:
HPZ with Manual Transmission
Figure
3:
HP1/HP2