GM Service Manual Online
For 1990-2009 cars only
Makes
🢒
Chevrolet
🢒
2009
🢒
Kodiak C-Series (Conventional) C4/C5
🢒
Power and Signal Distribution
🢒
Data Communications
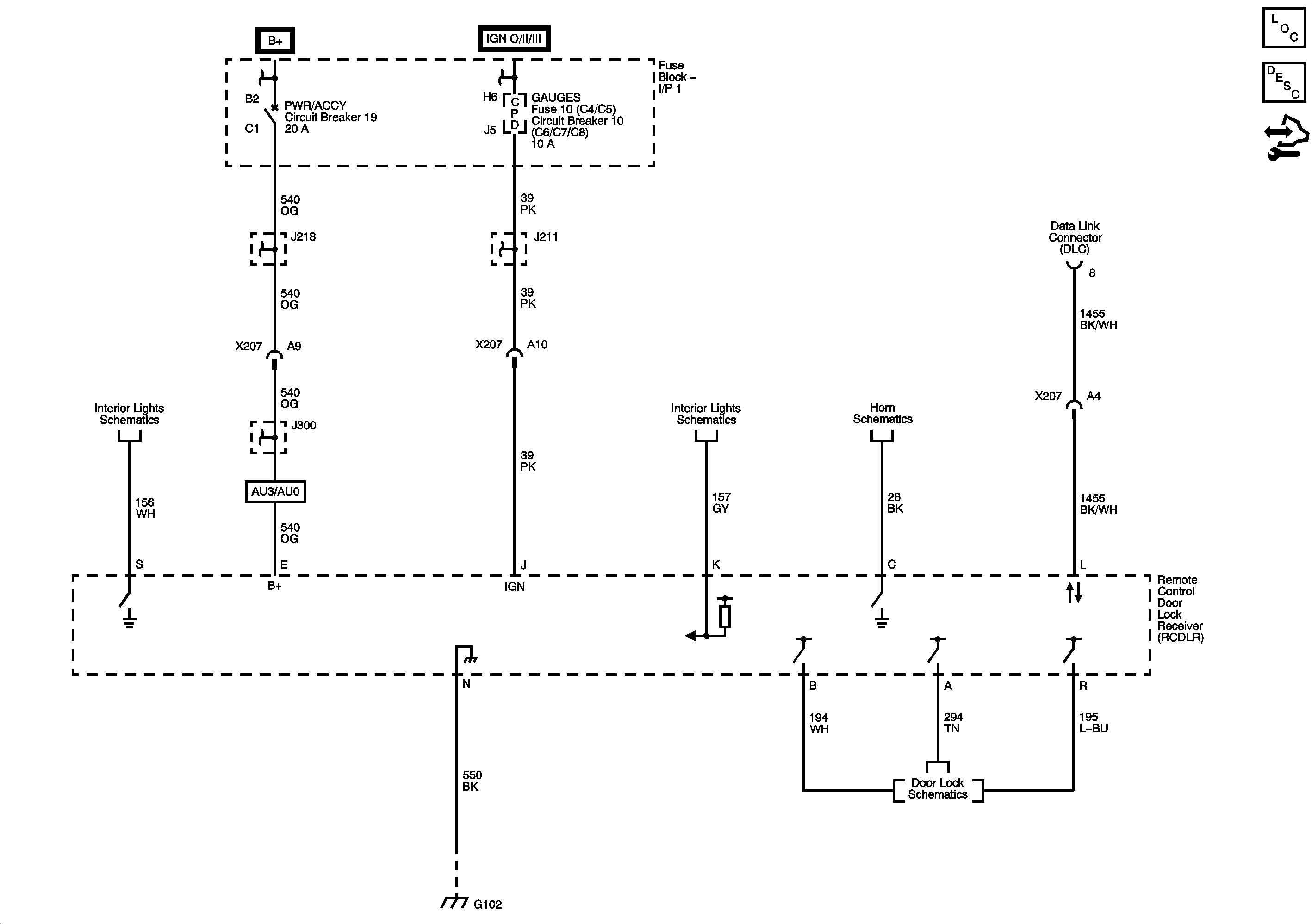
🢒 Remote Function Schematics