GM Service Manual Online
For 1990-2009 cars only
Figure 1:

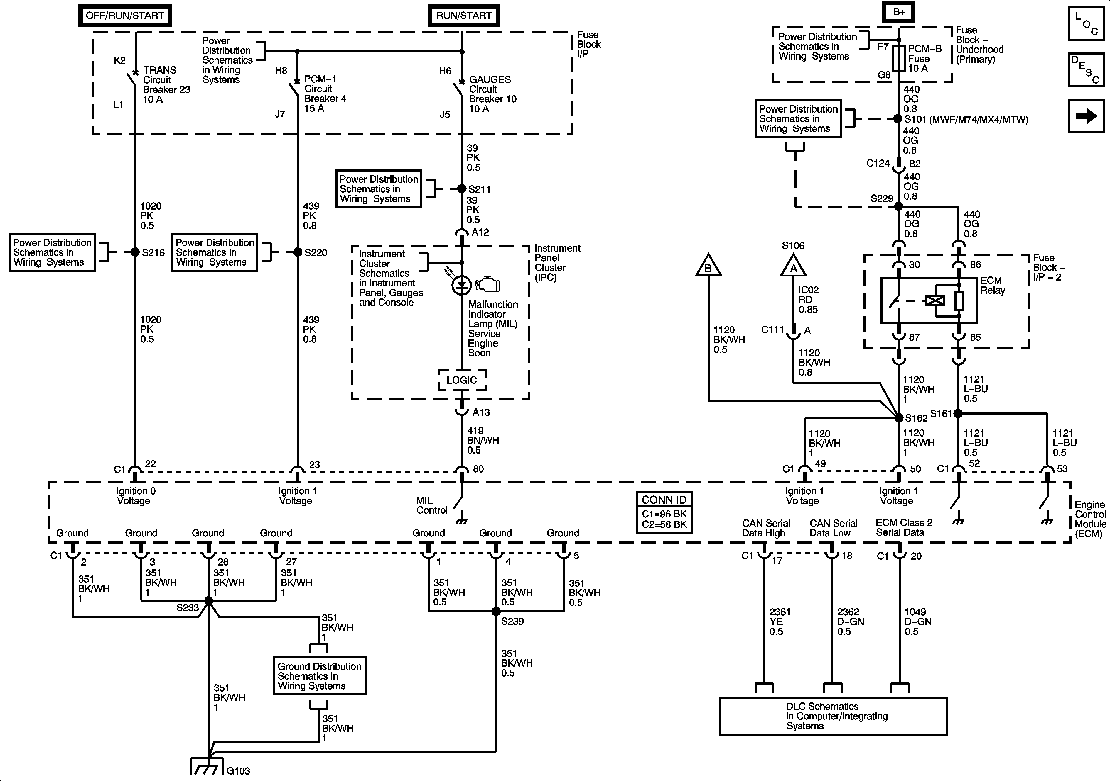
Module Power, Ground, Serial Data and MIL


Object Number: 1492876  Size: FS
Master Electrical Component List
Data Link Communications Description and Operation
Engine Data Sensors - 5-Volt Low Reference
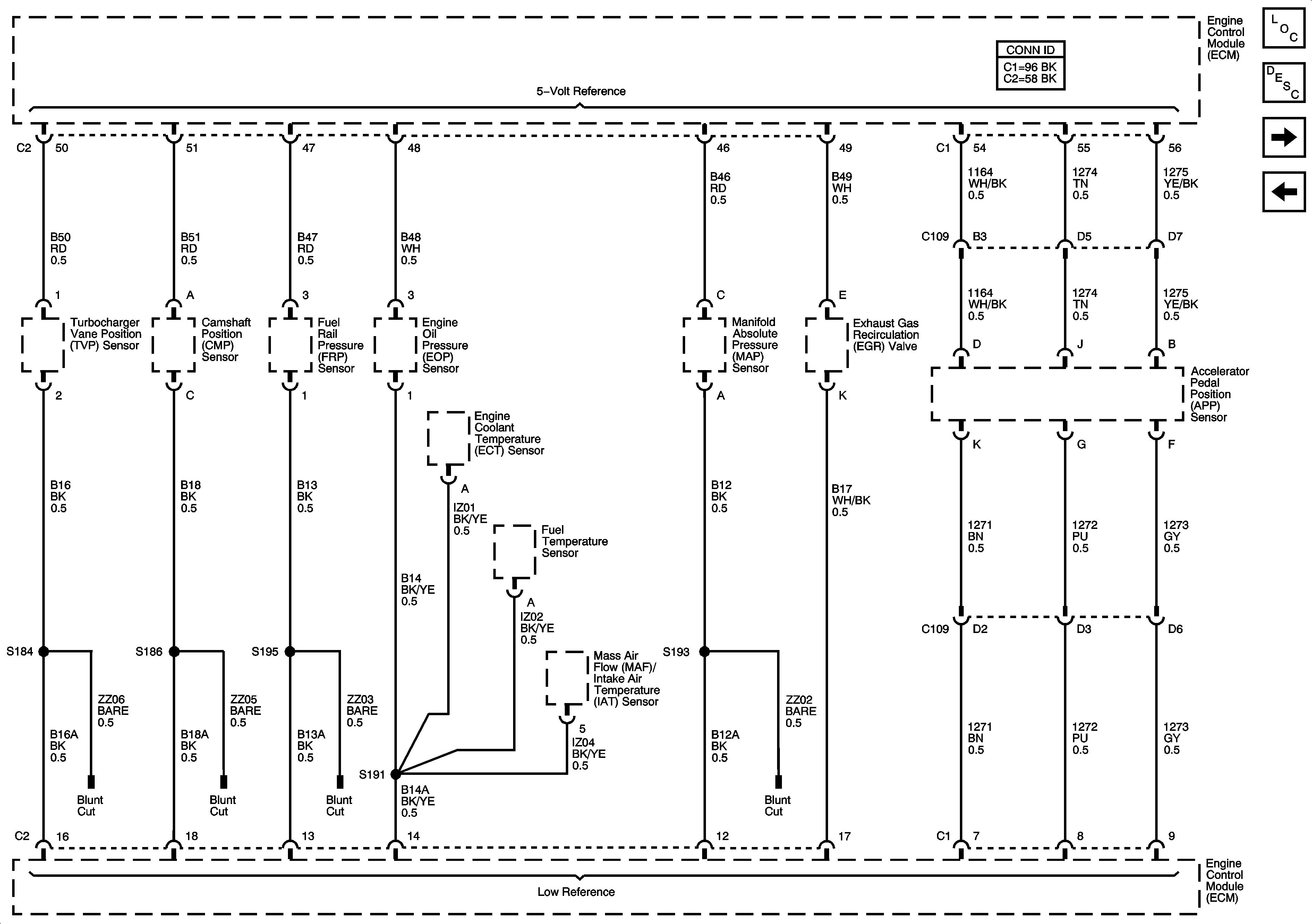
Engine Data Sensors - Pressure and Temperature 2 of 2
Engine Data Sensors - Pressure and Temperature 2 of 2
Figure 2:

Engine Data Sensors - 5-Volt and Low References


Object Number: 1647775  Size: FS
Master Electrical Component List
Data Link Communications Description and Operation
Batteries and B+ Busses
Batteries and B+ Busses
Data Link Communications Schematic Icons
Data Link Communications Schematic Icons
Figure 3:

Engine Data Sensors - Pressure and Temperature 1 of 2


Object Number: 1647780  Size: FS
Master Electrical Component List
Data Link Communications Description and Operation
Batteries and B+ Busses
Batteries and B+ Busses
Data Link Communications Schematic Icons
Data Link Communications Schematic Icons
Figure 4:

Engine Data Sensors - Pressure and Temperature 2 of 2


Object Number: 1647785  Size: FS
Master Electrical Component List
Data Link Communications Description and Operation
Fuel Controls - Fuel Sensors and Suction Control Valve (SCV)
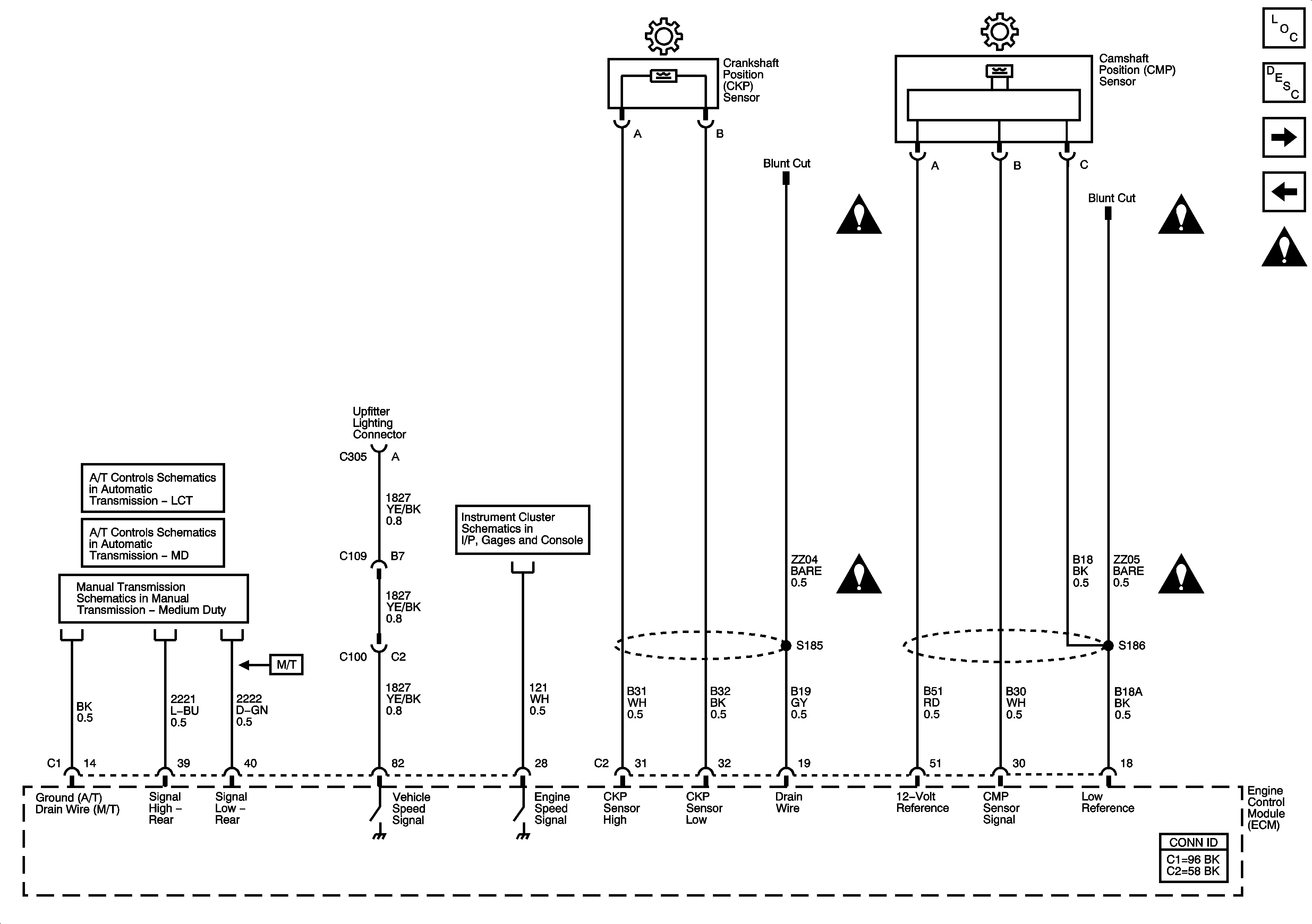
Engine Data Sensors - VSS and Injector Timing Controls
Module Power, Ground, Serial Data and MIL
Figure 5:

Engine Data Sensors - APP Sensor and High Idle Switch - UF3


Object Number: 1647810  Size: FS
Master Electrical Component List
Data Link Communications Description and Operation
Batteries and B+ Busses
Batteries and B+ Busses
Data Link Communications Schematic Icons
Data Link Communications Schematic Icons
Figure 6:

Engine Data Sensors - VSS and Injector Timing Controls


Object Number: 1647819  Size: FS
Master Electrical Component List
Data Link Communications Description and Operation
Batteries and B+ Busses
Batteries and B+ Busses
Data Link Communications Schematic Icons
Data Link Communications Schematic Icons
Figure 7:

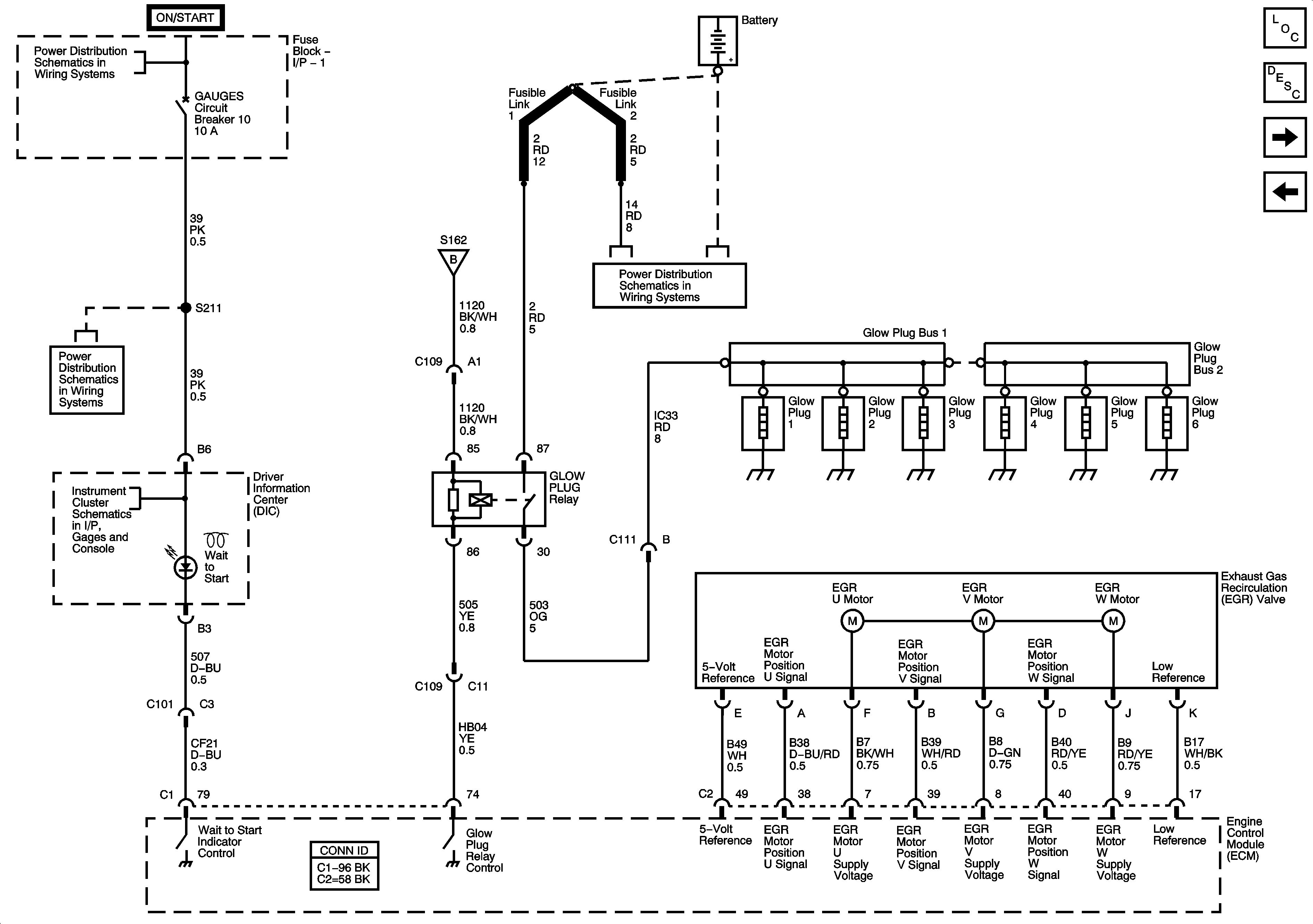
Engine Data Sensors - EGR Valve and Glow Plug Controls


Object Number: 1647833  Size: FS
Master Electrical Component List
Data Link Communications Description and Operation
Fuel Controls - Fuel Sensors and Suction Control Valve (SCV)
Engine Data Sensors - VSS and Injector Timing Controls
Module Power, Ground, Serial Data and MIL
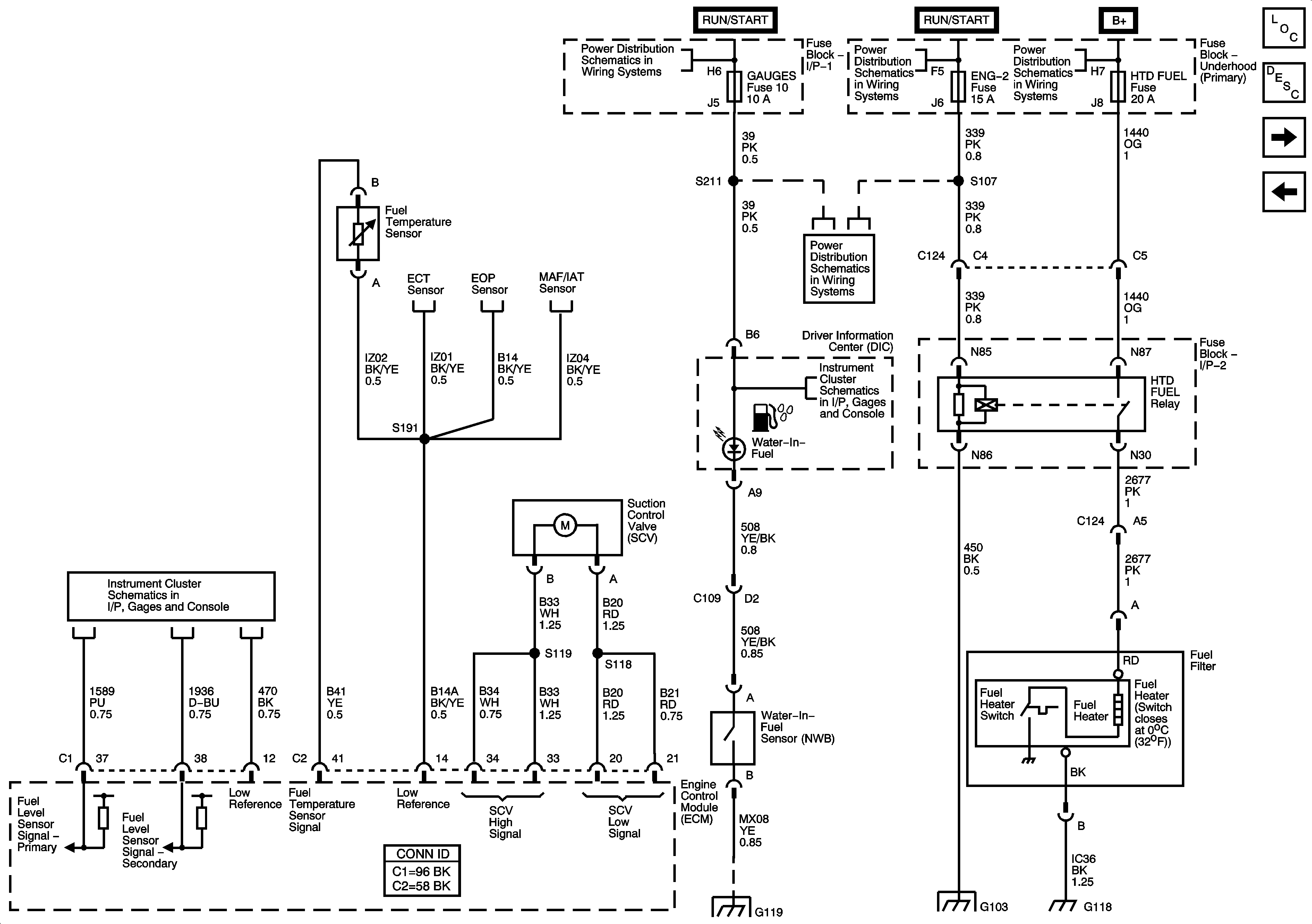
Figure 8:

Fuel Controls - Fuel Sensors and Suction Control Valve (SCV)


Object Number: 1647850  Size: FS
Master Electrical Component List
Data Link Communications Description and Operation
Batteries and B+ Busses
Batteries and B+ Busses
Data Link Communications Schematic Icons
Data Link Communications Schematic Icons
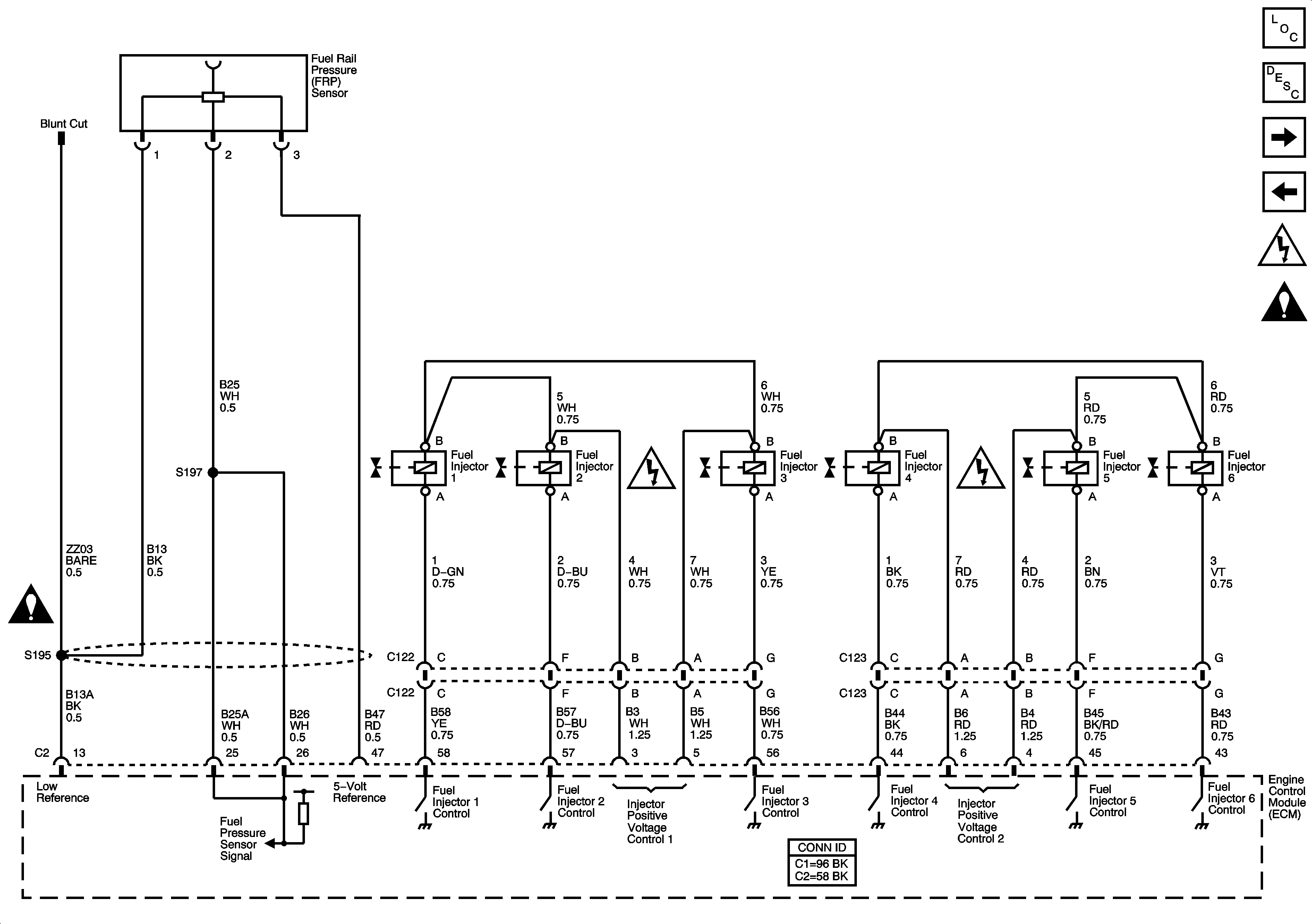
Figure 9:

Fuel Controls - Fuel Injectors


Object Number: 1647868  Size: FS
Master Electrical Component List
Data Link Communications Description and Operation
Batteries and B+ Busses
Batteries and B+ Busses
Data Link Communications Schematic Icons
Data Link Communications Schematic Icons
Figure 10:

Controlled/Monitored Subsystem References


Object Number: 1647884  Size: FS
Master Electrical Component List
Data Link Communications Description and Operation
Batteries and B+ Busses
Batteries and B+ Busses
Data Link Communications Schematic Icons
Data Link Communications Schematic Icons