GM Service Manual Online
For 1990-2009 cars only
Makes
🢒
Chevrolet
🢒
2005
🢒
Kodiak C-Series (Conventional) C6/C7/C8
🢒
Brakes
🢒
Hydraulic Brakes
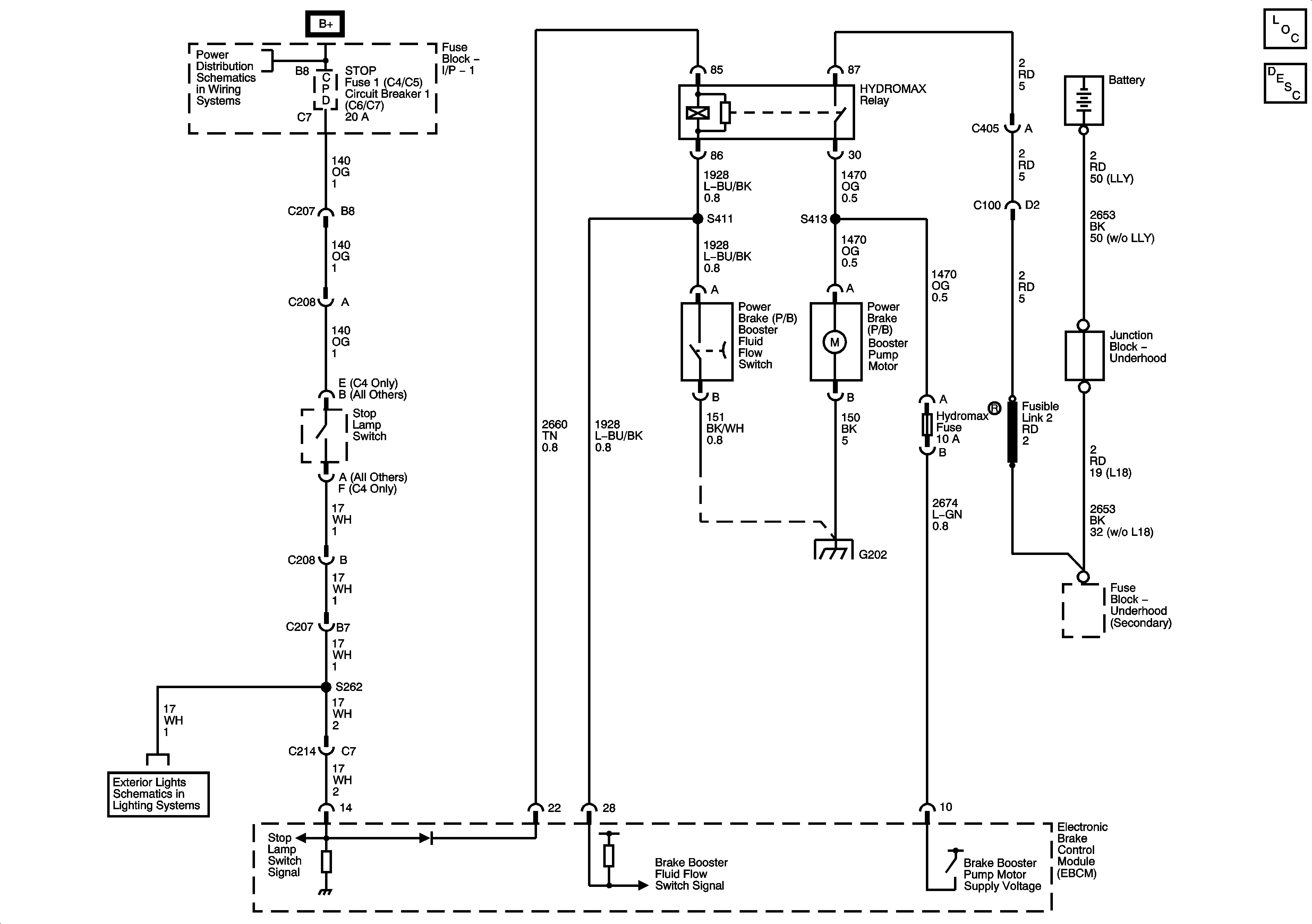
🢒 Power Brake Booster Pump Schematics
Master Electrical Component List
Brake Assist System Description and Operation
BAT/HAZ, HAZARD, PWR ACCY, STOP, and TRLR TRN/HAZ Fuses/Circuit Breakers
G200, G202, and G203 - 1 of 4
Stop Lamp Switch