GM Service Manual Online
For 1990-2009 cars only

Tools Required

J 39400-A Halogen Leak Detector

Removal Procedure

  1. Recover the refrigerant from the A/C system. Refer to Refrigerant Recovery and Recharging .
  2. Remove the right wheelhouse panel. Refer to Wheelhouse Panel Replacement in Body Front End.
  3. Remove the air cleaner. Refer to the appropriate procedure:
  4. •  Air Cleaner Replacement in Engine Controls - 7.2L (Caterpillar)
    •  Air Cleaner Replacement in Engine Controls - 8.1L
    •  Air Cleaner Replacement in Engine Controls - 7.8L
    • Caterpillar® 3126 Unit Repair Manual
  5. Disconnect the low pressure sensor electrical connector.
  6. Disconnect the blower motor assembly electrical connector.
  7. Disconnect the blower motor resistor assembly electrical connector.
  8. Remove the accumulator. Refer to Air Conditioning Accumulator Replacement .
  9. Remove the multi-use module bracket. Refer to the appropriate procedure:
  10. •  Multiuse Module Bracket Replacement in Engine Controls - 8.1L
    •  Multiuse Module Bracket Replacement in Engine Controls - 7.8L
    • Caterpillar® 3126 Unit Repair Manual

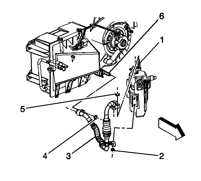
    Object Number: 800358  Size: SH
  11. Remove the retaining nut (3) from the evaporator inlet tube (5).
  12. Remove the evaporator inlet tube from the evaporator.
  13. Remove the sealing washer.

  14. Object Number: 769765  Size: SH
  15. Remove the retaining nut (4) from the evaporator outlet tube (3).
  16. Remove the evaporator outlet tube from the evaporator.
  17. Remove the sealing washer.

  18. Object Number: 300822  Size: SH
  19. Remove the front cover retaining screws from the evaporator and blower module assembly.
  20. Remove the front cover.
  21. Remove the evaporator core from the evaporator and blower module assembly.

Installation Procedure

  1. Add polyalkyleneglycol (PAG) oil to the evaporative emission (EVAP) core. Refer to Refrigerant System Capacities .

  2. Object Number: 300822  Size: SH
  3. Install the evaporator core to the evaporator and blower module assembly.
  4. Install the front cover.
  5. Notice: Refer to Fastener Notice in the Preface section.

  6. Install the front cover retaining screws to the evaporator and blower module assembly.
  7. Tighten
    Tighten the screws to 6 N·m (53 lb in).

  8. Install new O-ring seals to the evaporator inlet and outlet tubes. Refer to O-Ring Replacement .

  9. Object Number: 800358  Size: SH
  10. Install the evaporator inlet tube to the evaporator.
  11. Install the evaporator inlet tube retaining nut (3).
  12. Tighten
    Tighten the nut to 16 N·m (12 lb ft).


    Object Number: 769765  Size: SH
  13. Install the evaporator outlet tube to the evaporator.
  14. Install the evaporator outlet tube retaining nut.
  15. Tighten
    Tighten the nut to 16 N·m (12 lb ft).

  16. Install the multi-use module bracket. Refer to the appropriate procedure:
  17. •  Multiuse Module Bracket Replacement in Engine Controls - 8.1L
    •  Multiuse Module Bracket Replacement in Engine Controls - 7.8L
    • Caterpillar® 3126 Unit Repair Manual
  18. Install the accumulator. Refer to Air Conditioning Accumulator Replacement .
  19. Connect the low pressure sensor electrical connector.
  20. Connect the blower motor assembly electrical connector.
  21. Connect the blower motor resistor assembly electrical connector.
  22. Install the air cleaner. Refer to the appropriate procedure:
  23. •  Air Cleaner Replacement in Engine Controls - 7.2L (Caterpillar)
    •  Air Cleaner Replacement in Engine Controls - 8.1L
    •  Air Cleaner Replacement in Engine Controls - 7.8L
    • Caterpillar® 3126 Unit Repair Manual
  24. Install the right wheelhouse panel. Refer to Wheelhouse Panel Replacement in Body Front End.
  25. Evacuate and recharge the A/C system. Refer to Refrigerant Recovery and Recharging .
  26. Leak test the fittings of the components using the J 39400-A .