GM Service Manual Online
For 1990-2009 cars only
Makes
🢒
Chevrolet
🢒
2005
🢒
Kodiak C-Series (Conventional) C6/C7/C8
🢒 2 of 2
2 of 2
2 of 2
Master Electrical Component List
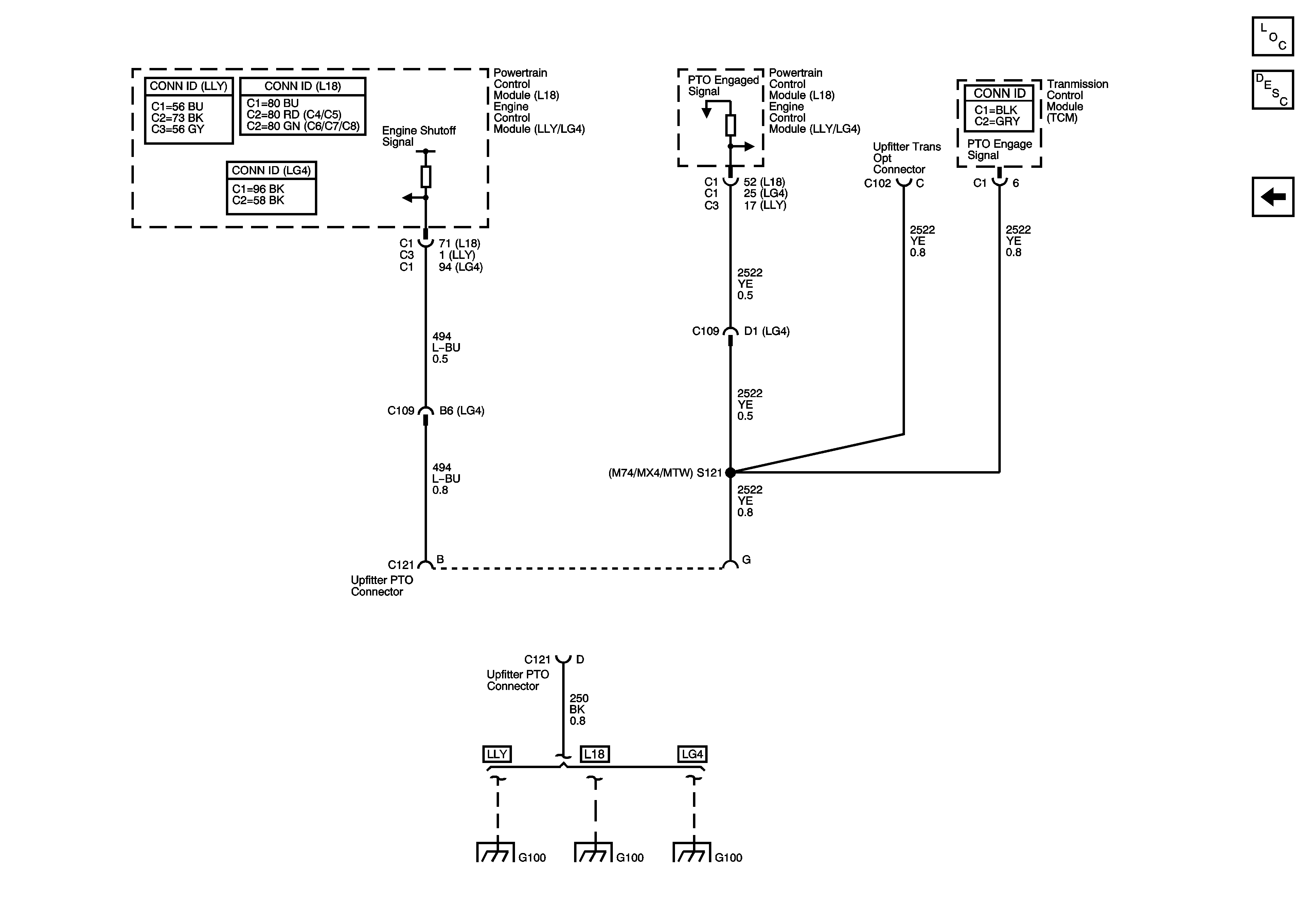
Power Take-Off (PTO) Description and Operation
Power Takeoff (LG4/L18/LB7) - 1 of 2
G100 (LB7)
G100 (L18)
G100 (LG4)