GM Service Manual Online
For 1990-2009 cars only
Makes
🢒
Chevrolet
🢒
2005
🢒
Kodiak C-Series (Conventional) C6/C7/C8
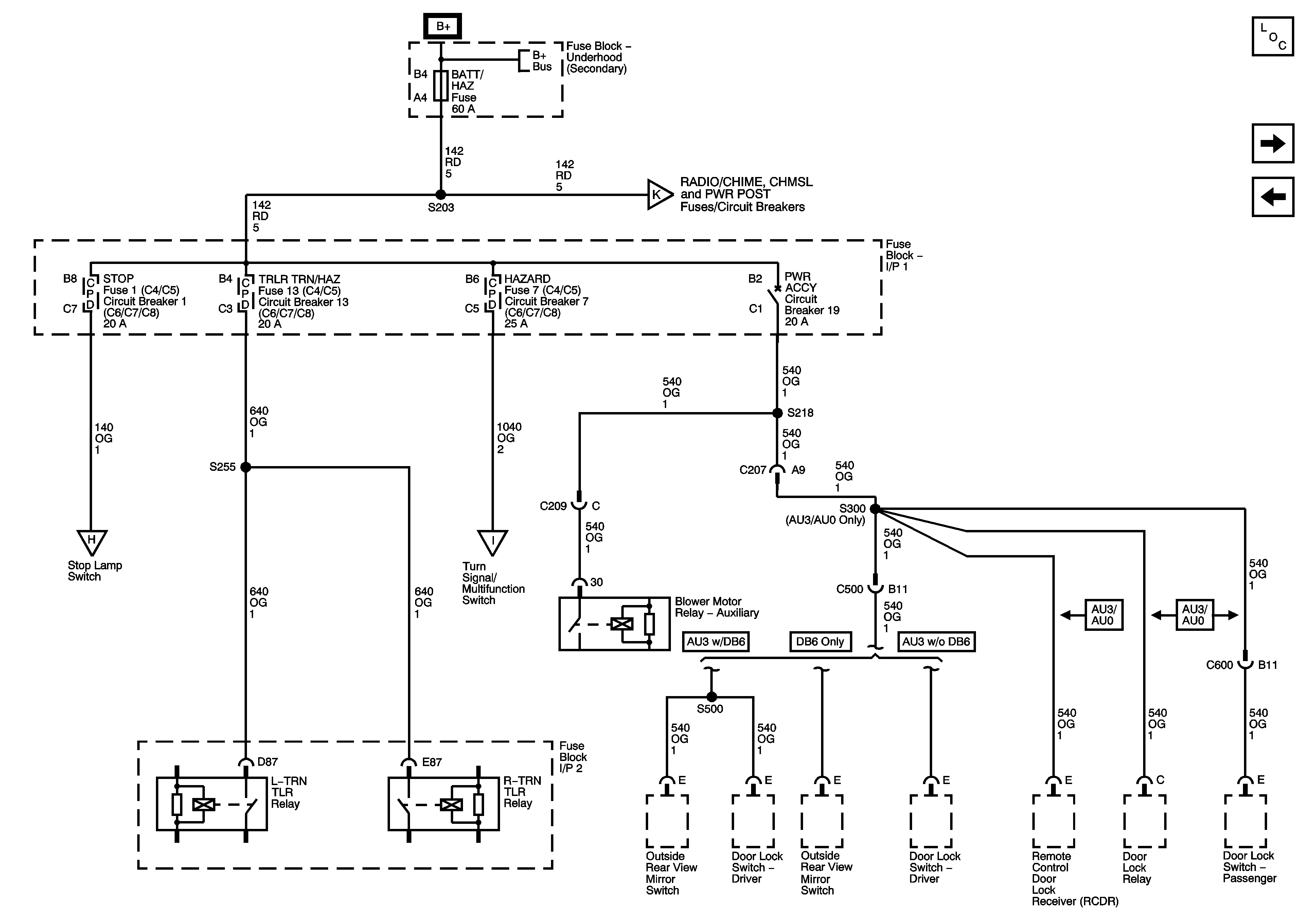
🢒 Underhood Fuse Block,I/P Fuse Block, BATT/HAZ Fuse, PWR ACCY, HAZARD, TRLR TRN/HAZ, and STOP Fuses/Circuit Breakers
Underhood Fuse Block,I/P Fuse Block, BATT/HAZ Fuse, PWR ACCY, HAZARD, TRLR TRN/HAZ, and STOP Fuses/Circuit Breakers
Underhood Fuse Block, BATT/HAZ Fuse, STOP, TRLR, TRN/HAZ, and HAZARD Fuses/Circuit Breakers, and PWR ACCY Circuit Breaker
Master Electrical Component List
I/P Fuse Block, BRAKE ISO Fuse/Circuit Breaker
COURTESY, and LH PARK LP Fuse/Circuit Breaker
B+ Bus Bar
RADIO/CHIME, CHMSL, and PWR POST Fuses/Circuit Breakers
I/P Fuse Block, BRAKE ISO Fuse/Circuit Breaker
I/P Fuse Block, TURN/BACKUP Fuse/Circuit Breaker