GM Service Manual Online
For 1990-2009 cars only
Makes
🢒
Chevrolet
🢒
2005
🢒
Kodiak C-Series (Conventional) C6/C7/C8
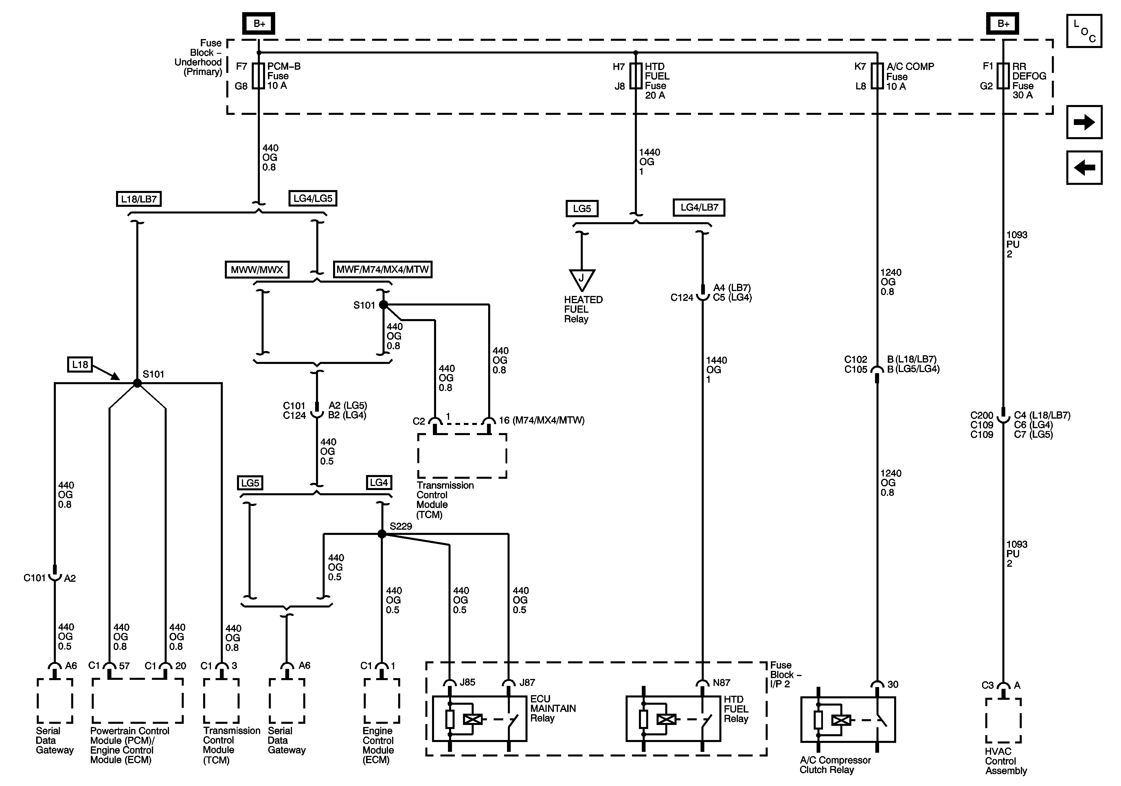
🢒 Underhood Fuse Block, PCM-B, HTD FUEL, A/C COMP, and RR DEFOG Fuses
Underhood Fuse Block, PCM-B, HTD FUEL, A/C COMP, and RR DEFOG Fuses
Underhood Fuse Block, PCM-B, HTD FUEL, A/C COMP, and RR DEFOG Fuses
Master Electrical Component List
FUEL Fuse/Circuit Breaker (L18/LB7), PCV Circuit Breaker (LG4), and ECM-B Circuit Breaker (LG5)
ABS 2, ABS 3, ABS 1, and E/A Pump Fuses and HORN Fuse/Circuit Breaker
FUEL Fuse/Circuit Breaker (L18/LB7), PCV Circuit Breaker (LG4), and ECM-B Circuit Breaker (LG5)