GM Service Manual Online
For 1990-2009 cars only
Makes
🢒
Chevrolet
🢒
2005
🢒
Kodiak C-Series (Conventional) C6/C7/C8
🢒 G102 - 2 of 2
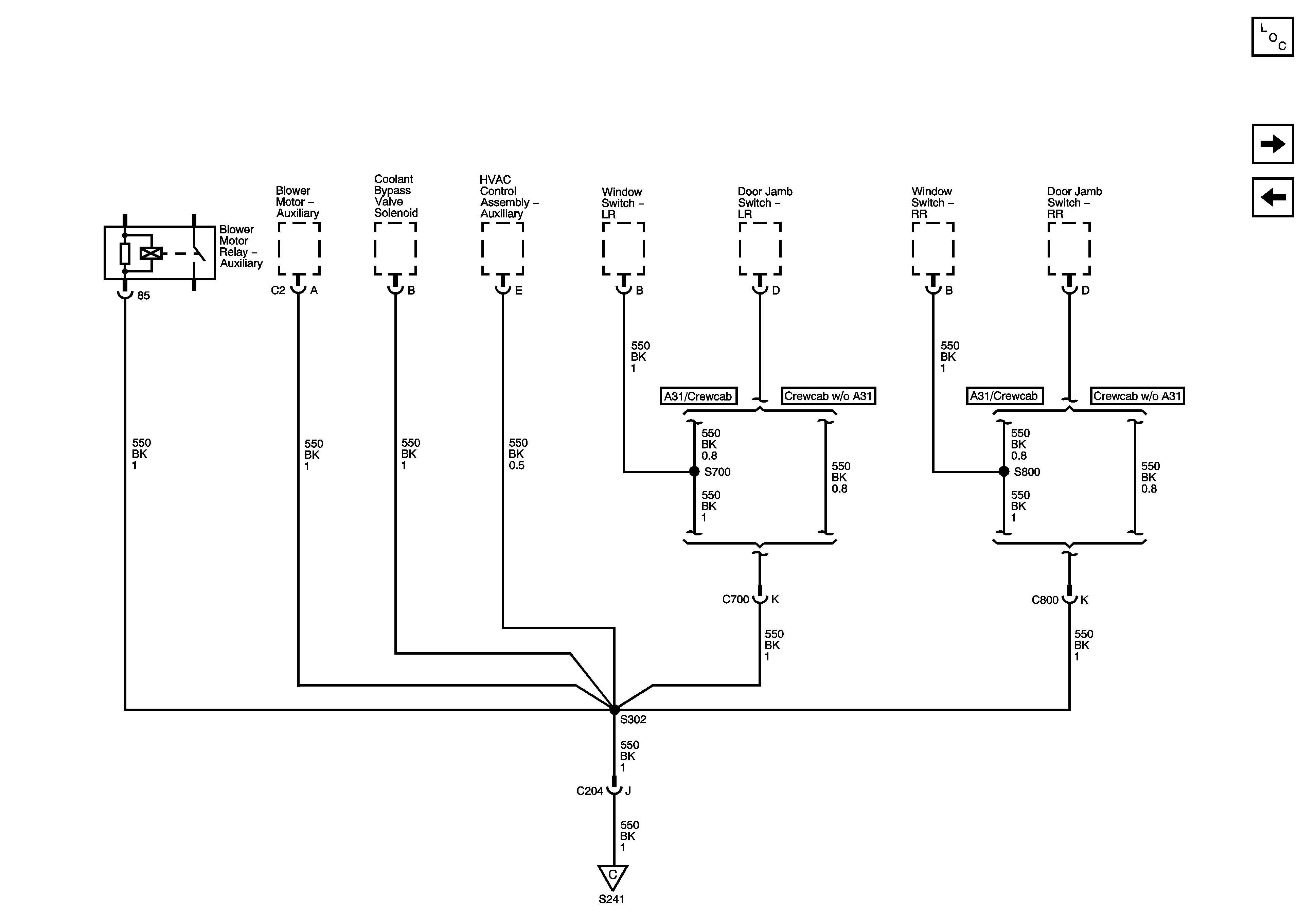
G102 - 2 of 2
G102 - 2 of 2
Master Electrical Component List
G103 - 1 of 2, G105, and G106
G102 - 1 of 2
G102 - 1 of 2