GM Service Manual Online
For 1990-2009 cars only
Makes
🢒
Chevrolet
🢒
2005
🢒
Kodiak C-Series (Conventional) C6/C7/C8
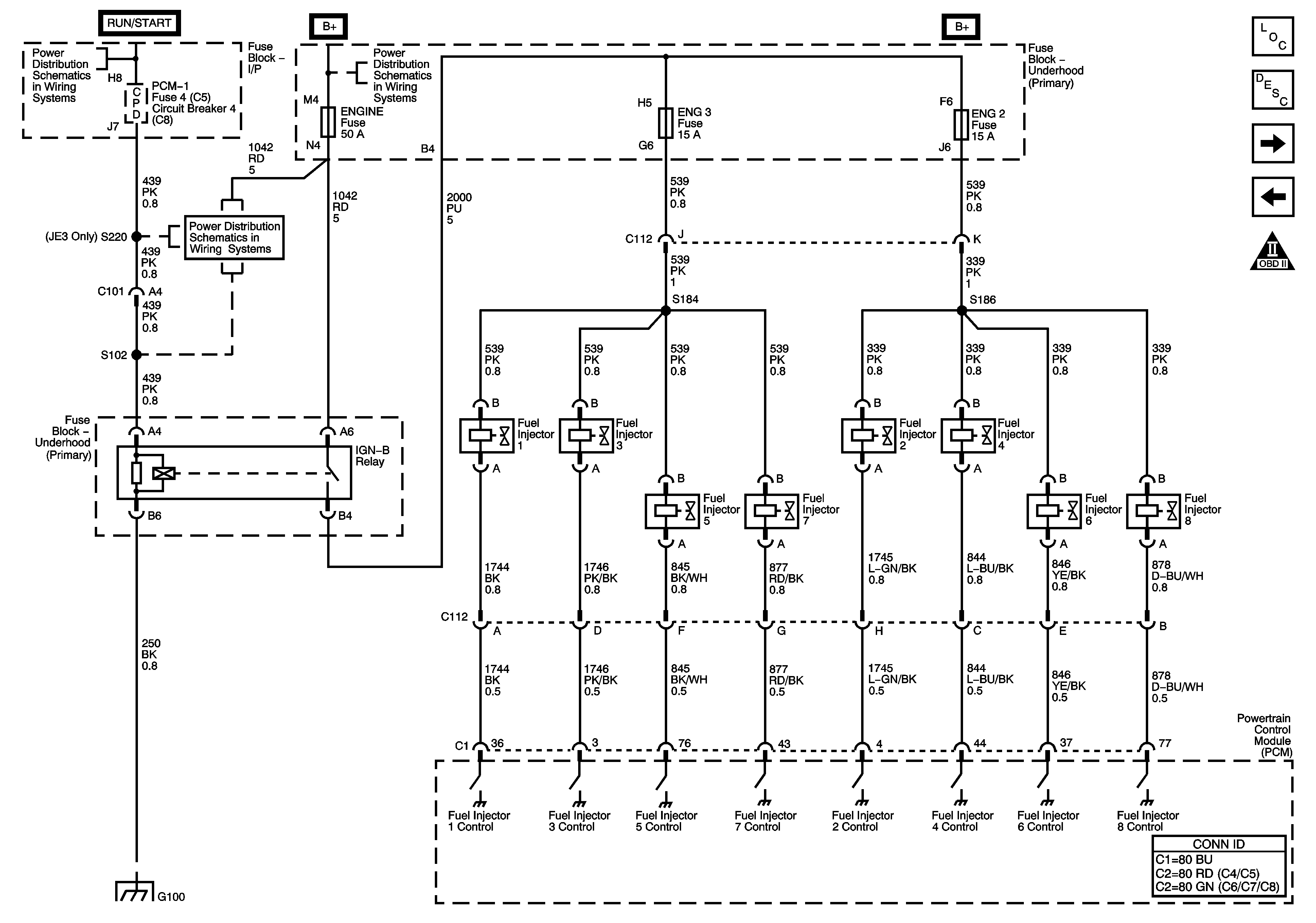
🢒 Fuel Controls - Fuel Injectors
Fuel Controls - Fuel Injectors
Fuel Controls - Fuel Injectors
Master Electrical Component List
Fuel System Description
Device Controls - EGR Valve and Solenoid
Fuel System - B3D Only
Engine Controls Schematic Icons
Ignition Switch, OFF/RUN/START, RUN/START, and START Bus Bars
Underhood Fuse Block, ENGINE Fuse and I/P Fuse Block, PCM-I Fuse/Circuit Breaker
Underhood Fuse Block, ENGINE Fuse and I/P Fuse Block, PCM-I Fuse/Circuit Breaker
G100 (L18)