GM Service Manual Online
For 1990-2009 cars only
Makes
🢒
Chevrolet
🢒
2005
🢒
Kodiak C-Series (Conventional) C6/C7/C8
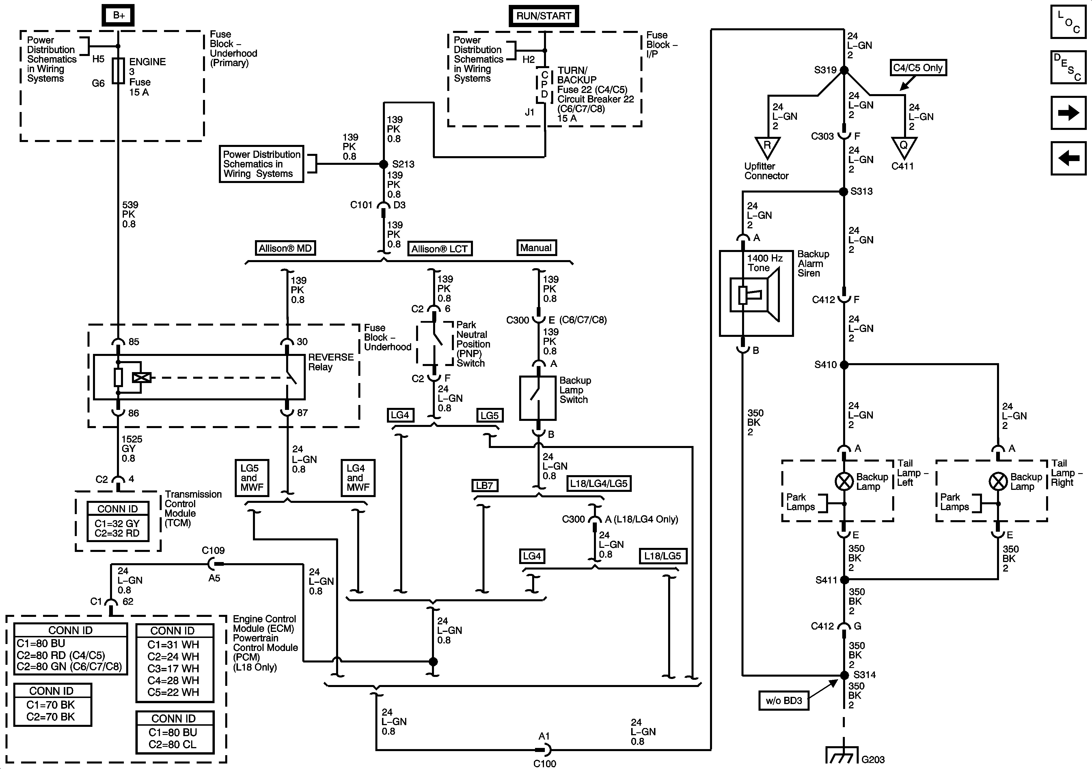
🢒 Backup Lamps
Backup Lamps
Backup Lamps
Master Electrical Component List
Exterior Lighting Systems Description and Operation
Trailer Tow Connector (C6/C7/C8)
Stoplamp Switch
Underhood Fuse Block, ENG 3, O2A, and ENG 2 Fuses (LG4)
Ignition Switch, OFF/RUN/START, RUN/START, and START Bus Bars
I/P Fuse Block, TURN/BACKUP Fuse/Circuit Breaker
Upfitter Connector
Trailer Tow Connector (C6/C7/C8)
Park Lamps, Roof Marker Lamps
Park Lamps, Roof Marker Lamps
G200, G202, and G203 - 1 of 4