GM Service Manual Online
For 1990-2009 cars only
Makes
🢒
Chevrolet
🢒
2005
🢒
Kodiak C-Series (Conventional) C6/C7/C8
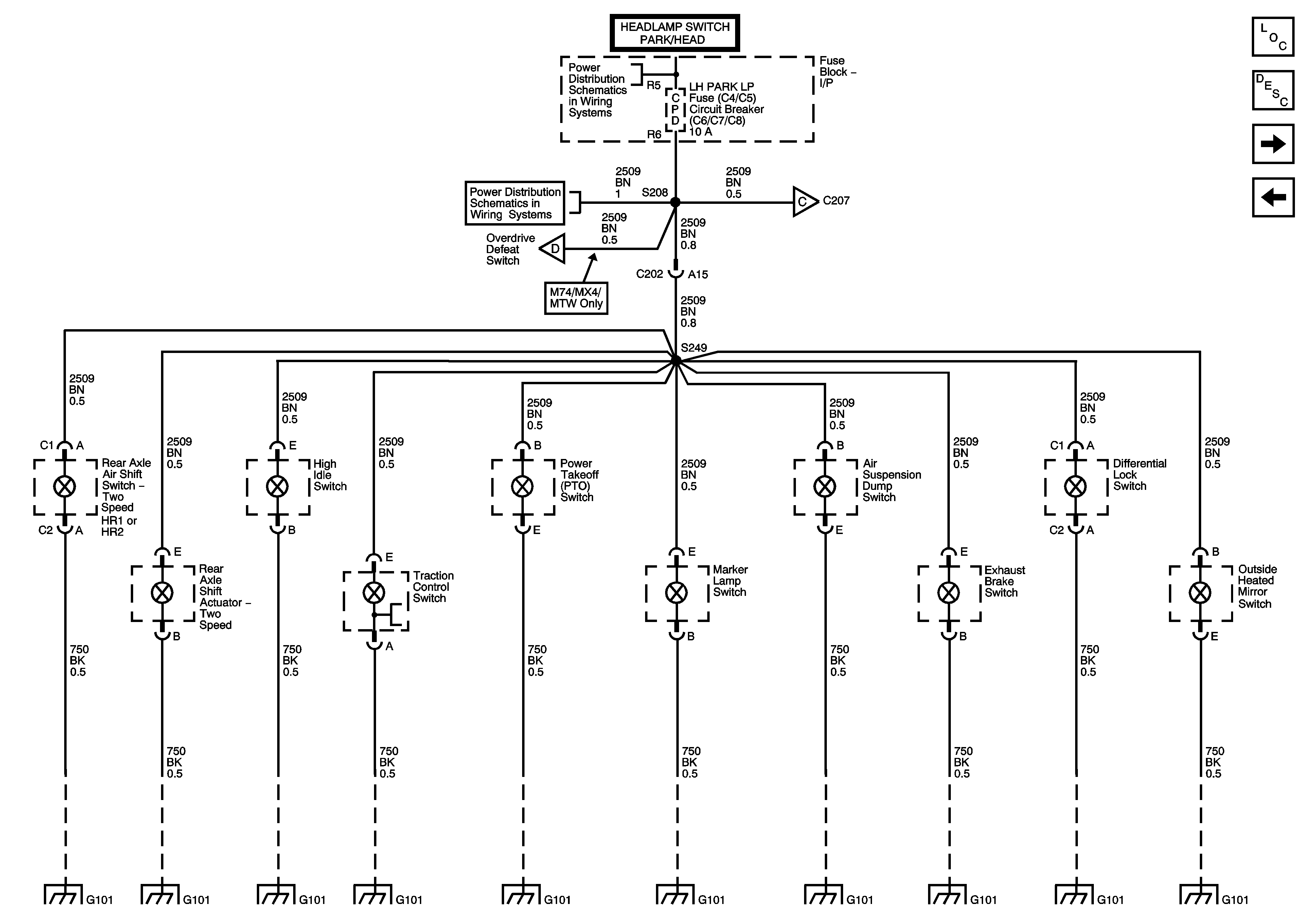
🢒 Panel Lamp Switches
Panel Lamp Switches
Panel Lamp Switches
Master Electrical Component List
Interior Lighting Systems Description and Operation
Panel, Door Switches
Dome Reading Lamps
Underhood Fuse Block, LIGHTING and HVAC Fuses, I/P Fuse Block, and COURTESY, PARK, ILLUM, RH PARK LP, and LH PARK LP Fuses/Circuit Breakers
Underhood Fuse Block, LIGHTING and HVAC Fuses, I/P Fuse Block, and COURTESY, PARK, ILLUM, RH PARK LP, and LH PARK LP Fuses/Circuit Breakers
Panel, Door Switches
Panel, Door Switches
G101 - 1 of 2
G101 - 1 of 2
G101 - 1 of 2
G101 - 1 of 2
G101 - 1 of 2
G101 - 1 of 2
G101 - 1 of 2
G101 - 1 of 2
G101 - 1 of 2
G101 - 1 of 2