GM Service Manual Online
For 1990-2009 cars only
Makes
🢒
Chevrolet
🢒
2005
🢒
Kodiak C-Series (Conventional) C6/C7/C8
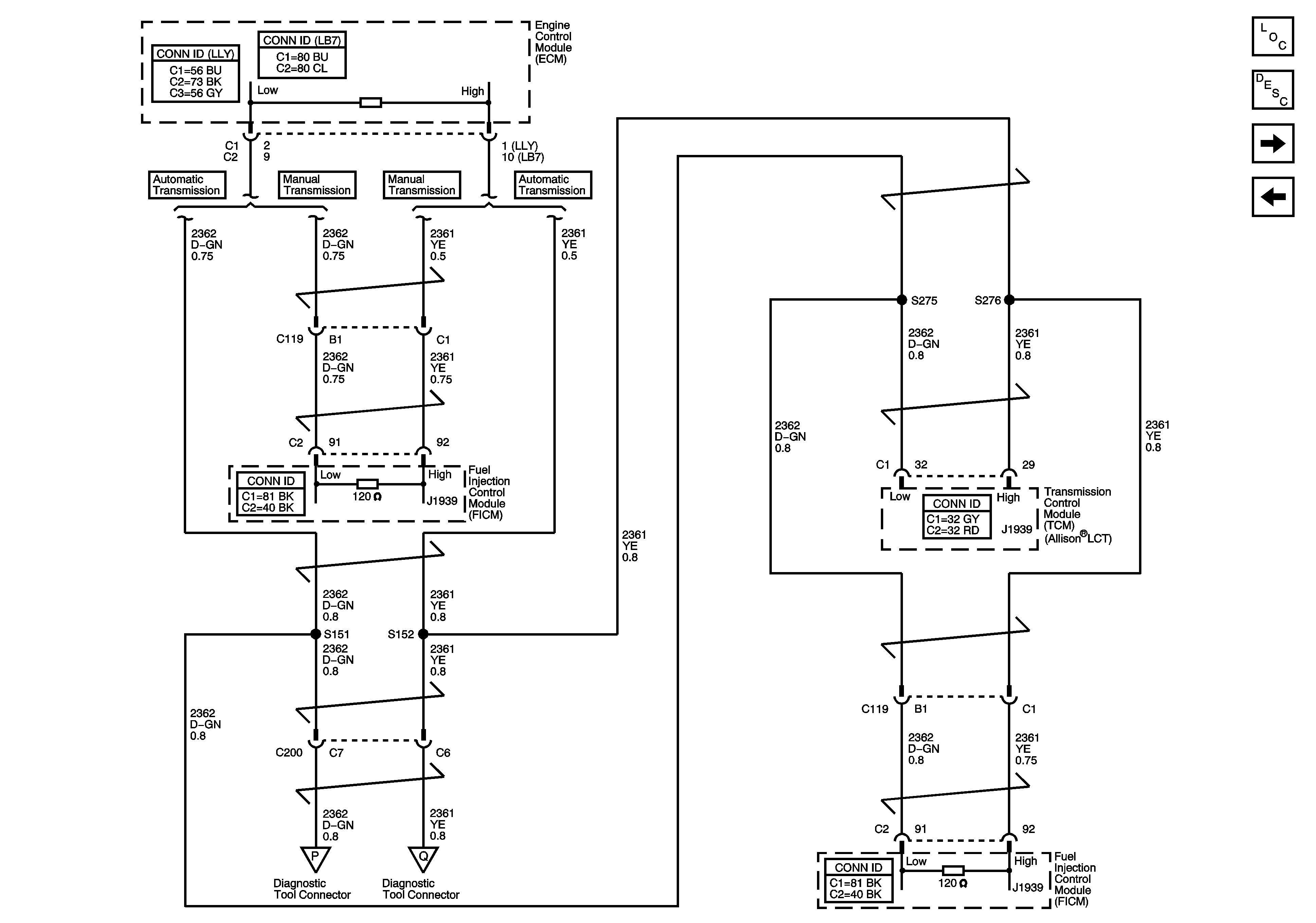
🢒 J1939 Serial Data (LB7)
J1939 Serial Data (LB7)
J1939 Serial Data (LB7)
Master Electrical Component List
Data Link Communications Description and Operation
J1939 Serial Data (LG5/L18/LG4/LC8)
Serial Data Gateway
Diagnostic Tool Connector - Power and Ground
Diagnostic Tool Connector - Power and Ground