GM Service Manual Online
For 1990-2009 cars only
Makes
🢒
Chevrolet
🢒
2007
🢒
Kodiak C-Series (Conventional) C6/C7/C8
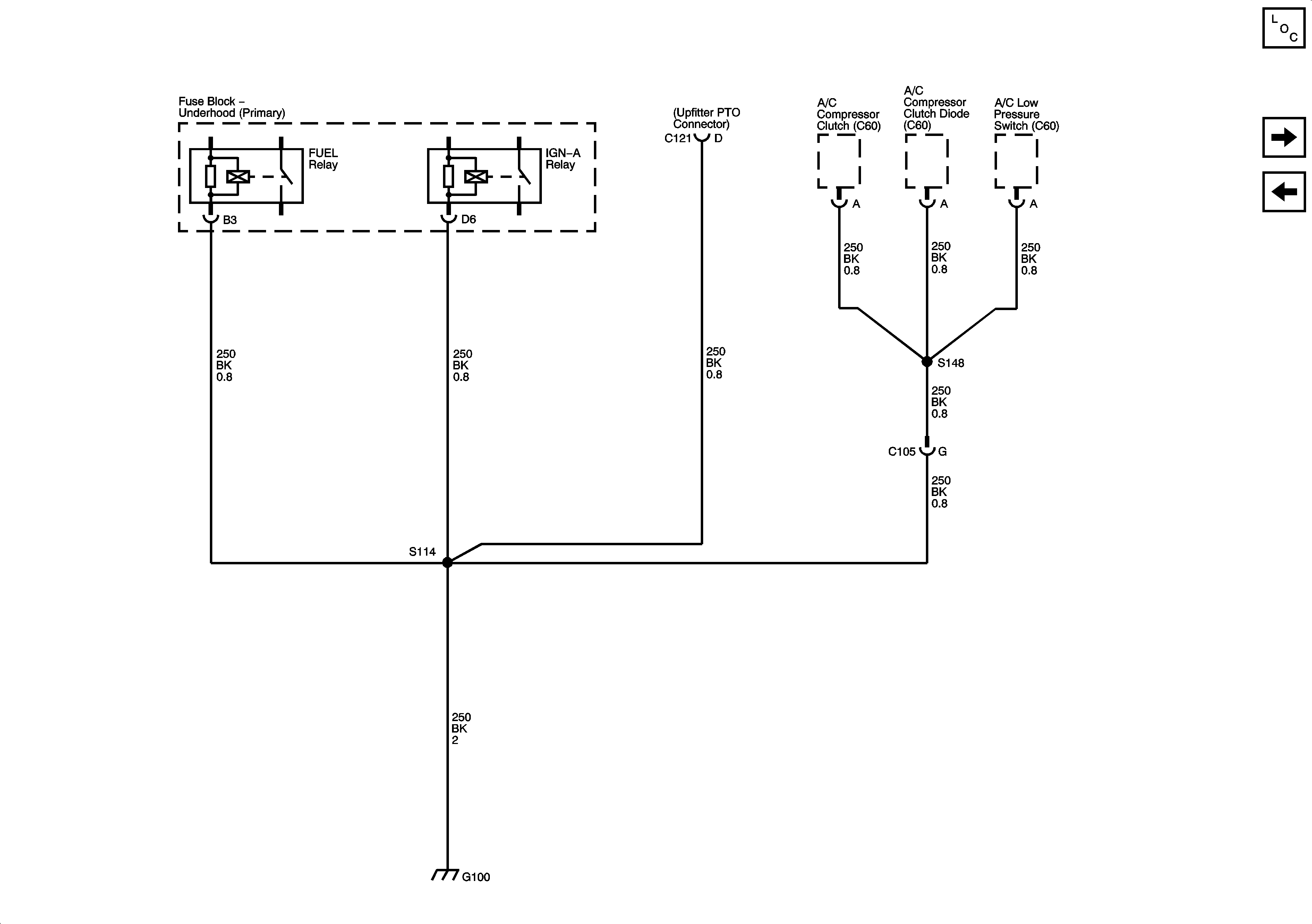
🢒 G100 - LLY
G100 - LLY
G100 - LLY
Master Electrical Component List
G100 - LG4
G100 - L18