GM Service Manual Online
For 1990-2009 cars only
Makes
🢒
Chevrolet
🢒
2007
🢒
Kodiak C-Series (Conventional) C6/C7/C8
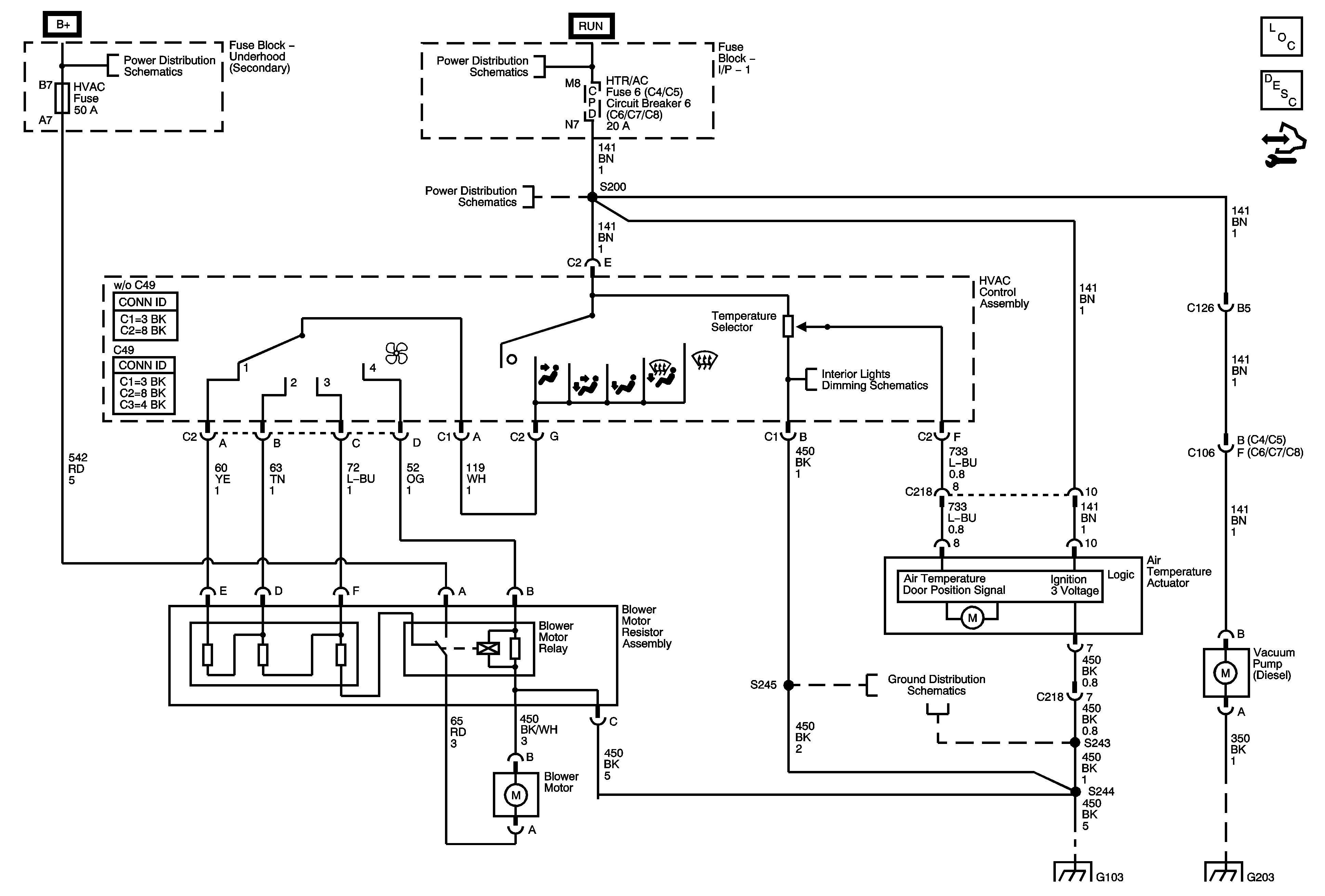
🢒 2007 MD560C HVAC Schematics - C40
2007 MD560C HVAC Schematics - C40
Master Electrical Component List
Air Delivery Description and Operation
Control Module References
Batteries - LG4/LG5 and B+ Bus
Ignition Switch - RUN and ACC/RUN Busses
AXL/4WD, BRK, HYD/AIR BRK, and HTR/AC Fuses/Circuit Breakers
Interior Lights Dimming Schematics
G103 - 1 of 2, G105, and G106
G103 - 1 of 2, G105, and G106
G112, G113, G203 - 4 of 4, G204, G205, and G400