GM Service Manual Online
For 1990-2009 cars only
Makes
🢒
Chevrolet
🢒
2007
🢒
Kodiak C-Series (Conventional) C6/C7/C8
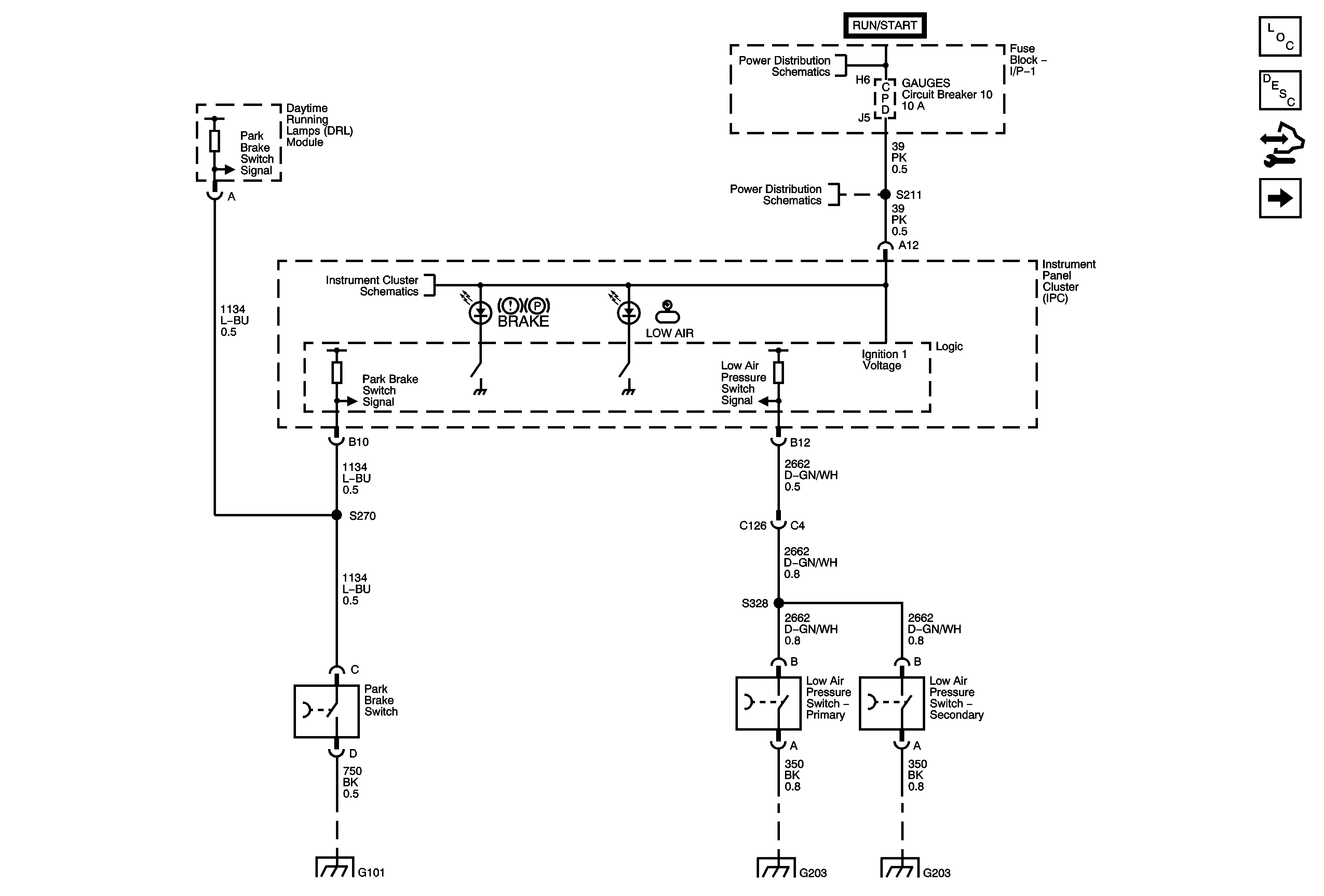
🢒 Air Brake Warning System
Air Brake Warning System
Air Brake Warning System
Master Electrical Component List
Brake Warning System Description and Operation
Control Module References
Air Brake System
Ignition Switch - OFF/RUN/START, RUN/START, and START Busses
AIRBAG, GAUGES, LT REAR TURN/STOP, and RT REAR TURN/STOP Fuses/Circuit Breakers
Instrument Panel Cluster - 1 of 2
G101 - 1 of 2
G112, G113, G203 - 4 of 4, G204, G205, and G400
G200, G202, and G203 - 1 of 4