GM Service Manual Online
For 1990-2009 cars only
Makes
🢒
Chevrolet
🢒
2007
🢒
Kodiak C-Series (Conventional) C6/C7/C8
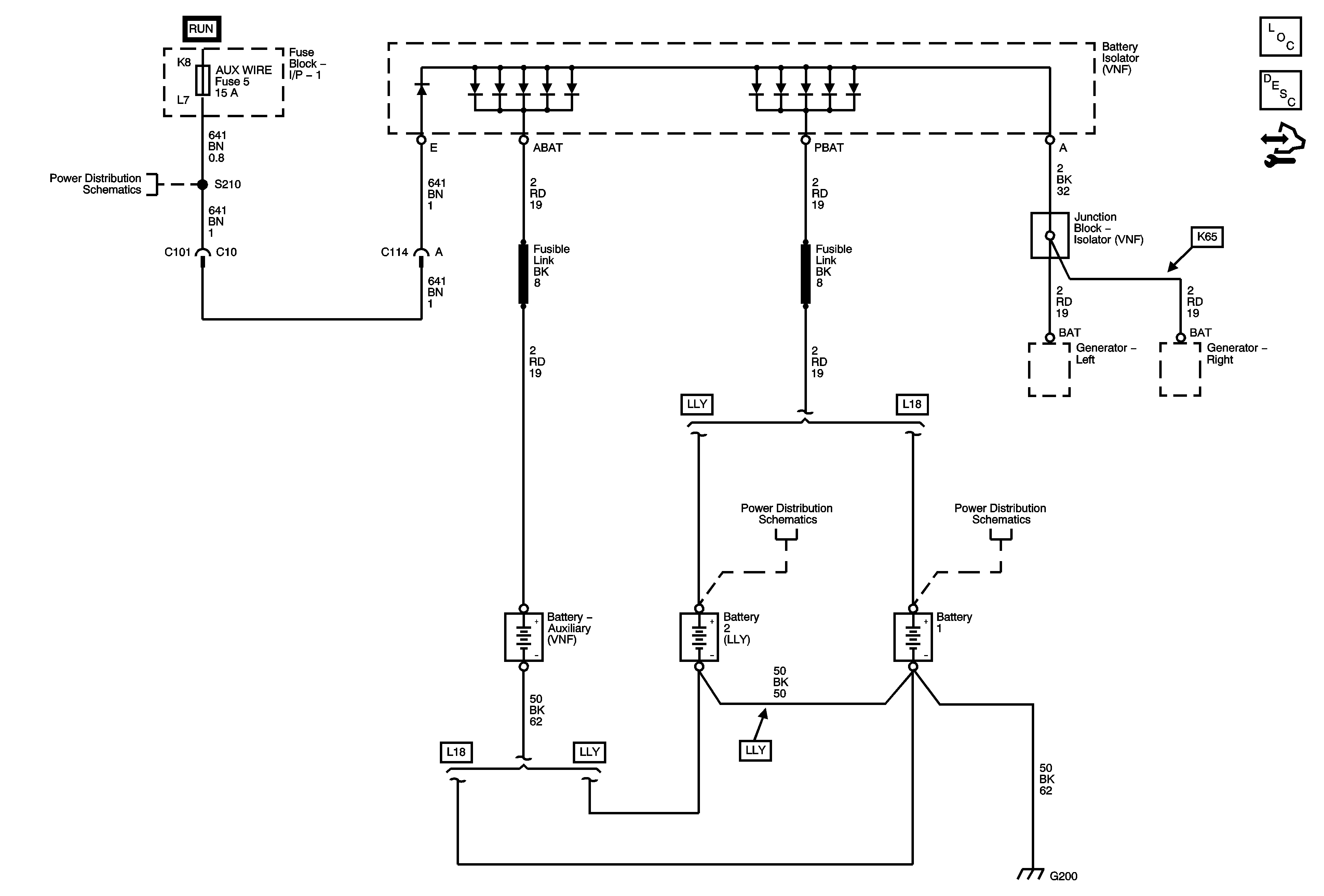
🢒 Auxiliary Battery Schematics
Auxiliary Battery Schematics
Master Electrical Component List
Battery Description and Operation
Control Module References
AUX WIRE and IGN 4 - Fuses/Circuit Breakers
Batteries - LLY
Batteries - L18