GM Service Manual Online
For 1990-2009 cars only
Makes
🢒
Chevrolet
🢒
2007
🢒
Kodiak C-Series (Conventional) C6/C7/C8
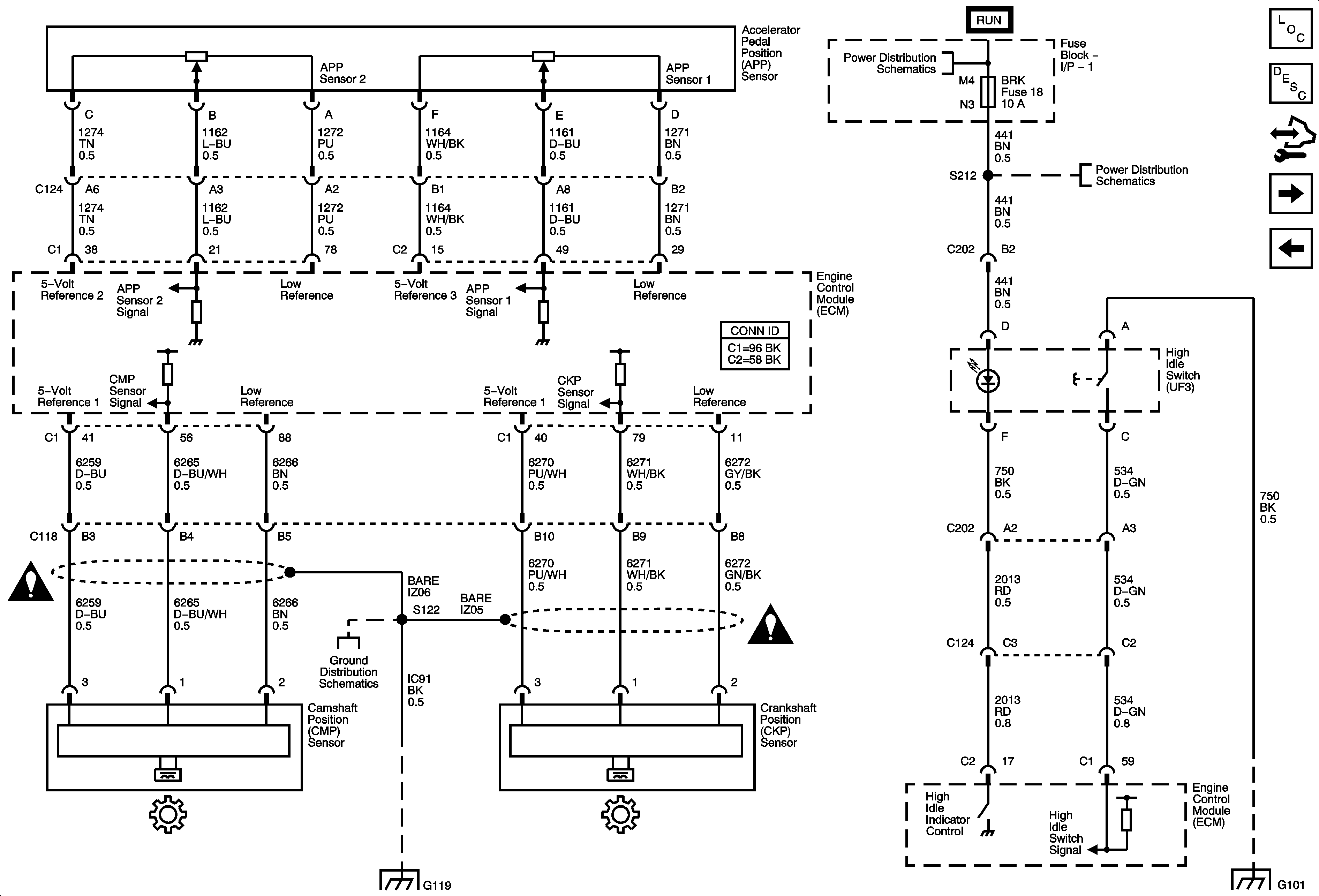
🢒 Engine Data Sensors - APP, High Idle Switch (UZ3) and Injection Timing Controls
Engine Data Sensors - APP, High Idle Switch (UZ3) and Injection Timing Controls
Engine Data Sensors - APP, High Idle Switch (UZ3) and Injection Timing Controls
Master Electrical Component List
Accelerator Pedal Position System Description
Control Module References
Engine Data Sensors - Glow Plug Controls and Intake Air Heater (IAH) Module
Engine Data Sensors - EGR and Turbocharger Controls
Engine Controls Schematic Icons
Ignition Switch - RUN and ACC/RUN Busses
AXL/4WD, BRK, HYD/AIR BRK, and HTR/AC Fuses/Circuit Breakers
Engine Controls Schematic Icons
Engine Controls Schematic Icons
G118, G119, and G120
G118, G119, and G120
G101 - 1 of 2