GM Service Manual Online
For 1990-2009 cars only
Makes
🢒
Chevrolet
🢒
2007
🢒
Kodiak C-Series (Conventional) C6/C7/C8
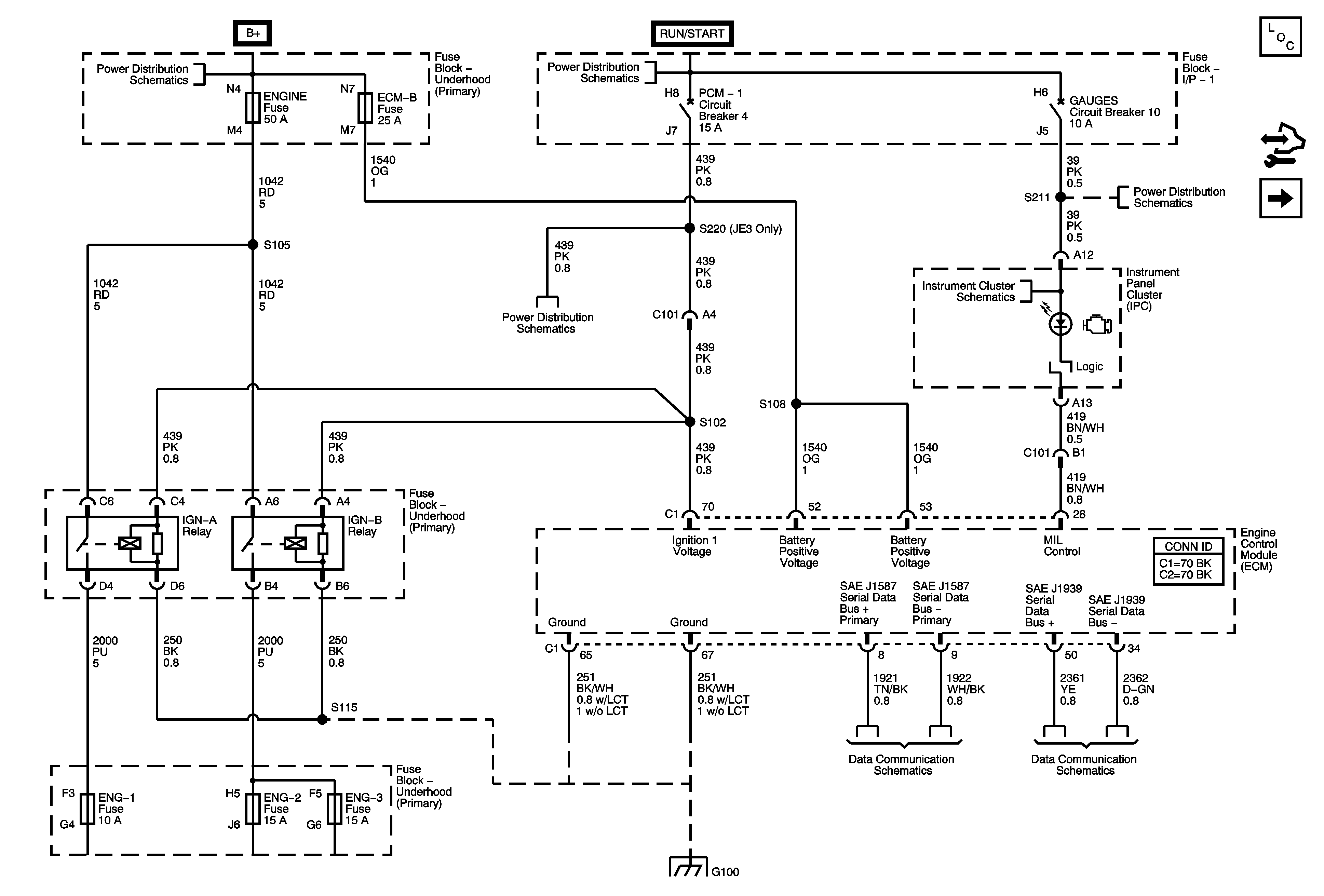
🢒 Modular Power, Ground, Serial Data, and MIL
Modular Power, Ground, Serial Data, and MIL
Module Power, Ground, Serial Data, and MIL
Master Electrical Component List
Control Module References
Engine Data Sensors - 5-Volt and Low Reference
Batteries - LG4/LG5 and B+ Bus
Ignition Switch - OFF/RUN/START, RUN/START, and START Busses
ENGINE and PCM-1 Fuses/Circuit Breakers
G100 - LG5
Data Link Connector Power and Ground, 2 of 2
J1939 Serial Data, 2 of 2 - L18 w/JE4, LG4, LG5
Instrument Panel Cluster - 1 of 2
AIRBAG, GAUGES, LT REAR TURN/STOP, and RT REAR TURN/STOP Fuses/Circuit Breakers