GM Service Manual Online
For 1990-2009 cars only
Makes
🢒
Chevrolet
🢒
2007
🢒
Kodiak C-Series (Conventional) C6/C7/C8
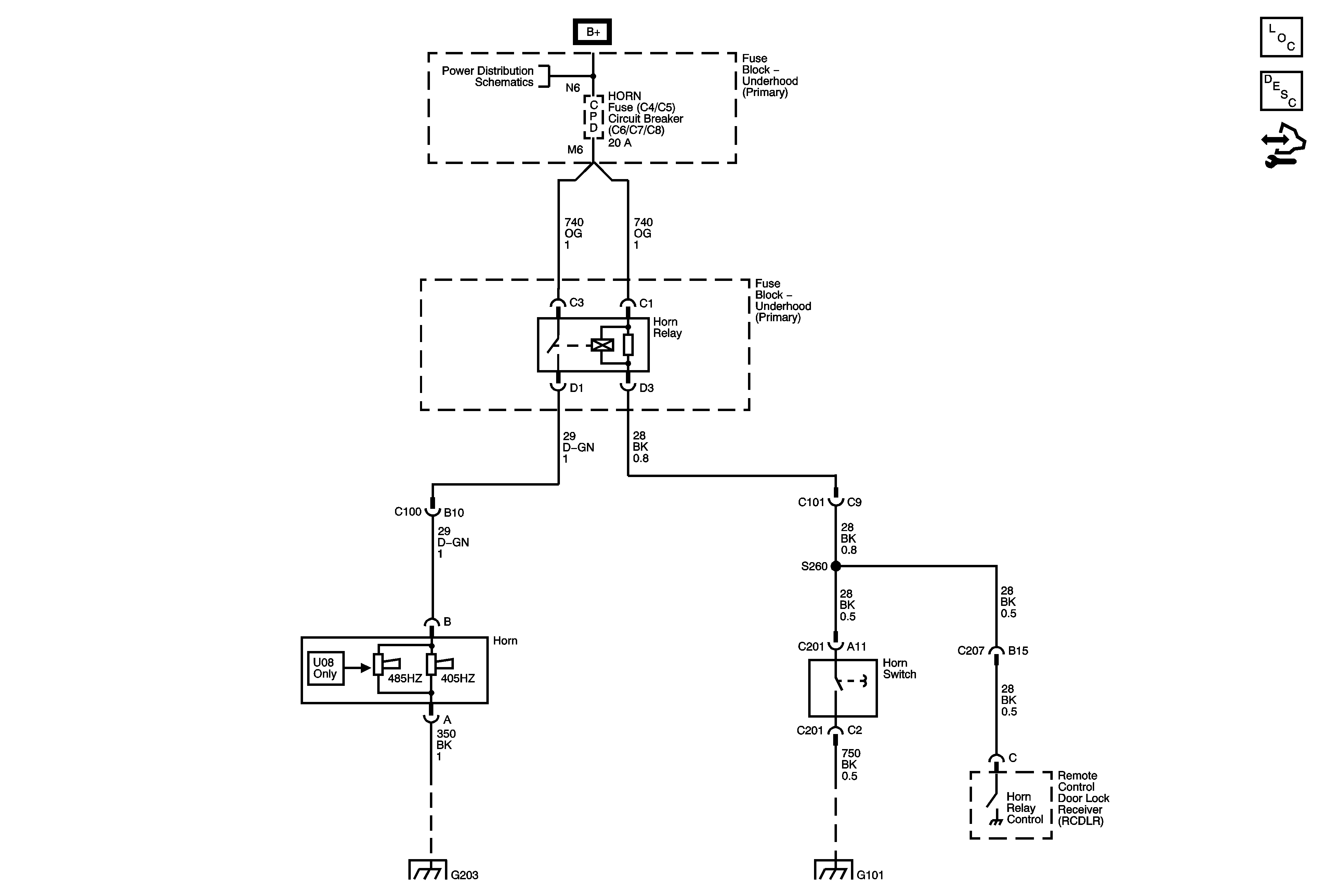
🢒 Horn Schematics
Horn Schematics
Master Electrical Component List
Horns System Description and Operation
Control Module References
Batteries - LG4/LG5 and B+ Bus
G112, G113, G203 - 4 of 4, G204, G205, and G400
G101 - 1 of 2