GM Service Manual Online
For 1990-2009 cars only
Makes
🢒
Chevrolet
🢒
2007
🢒
Kodiak C-Series (Conventional) C6/C7/C8
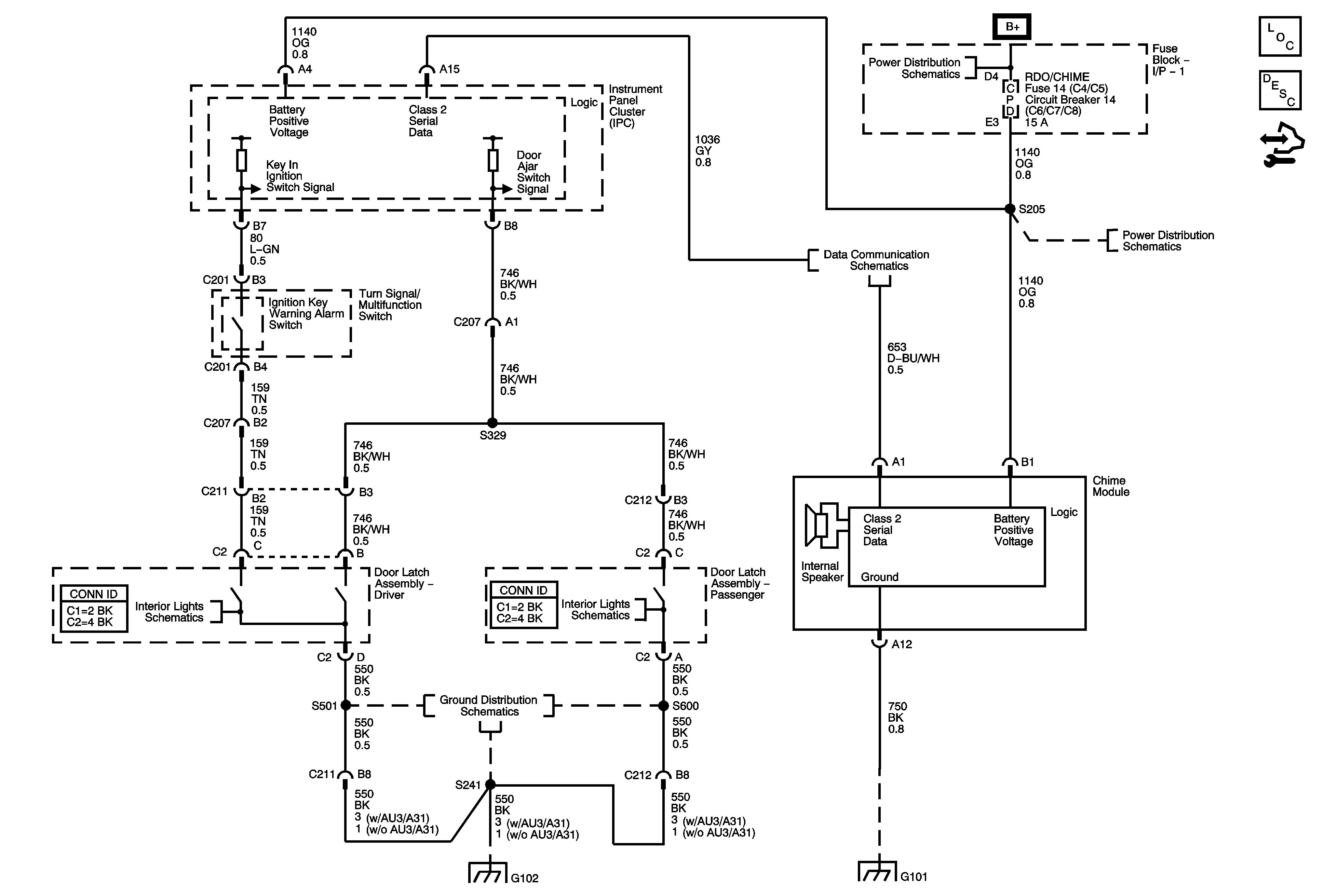
🢒 Audible Warning Schematics
Audible Warning Schematics
Master Electrical Component List
Audible Warnings Description and Operation
Control Module References
Dome/Reading Lamps
G102 - 1 of 2
G102 - 1 of 2
Dome/Reading Lamps
Splice Pack SP203
G101 - 1 of 2
RDO/CHIME, CHMSL, and PWR POST Fuses/Circuit Breakers
RDO/CHIME, CHMSL, and PWR POST Fuses/Circuit Breakers