GM Service Manual Online
For 1990-2009 cars only
Makes
🢒
Chevrolet
🢒
2007
🢒
Kodiak C-Series (Conventional) C6/C7/C8
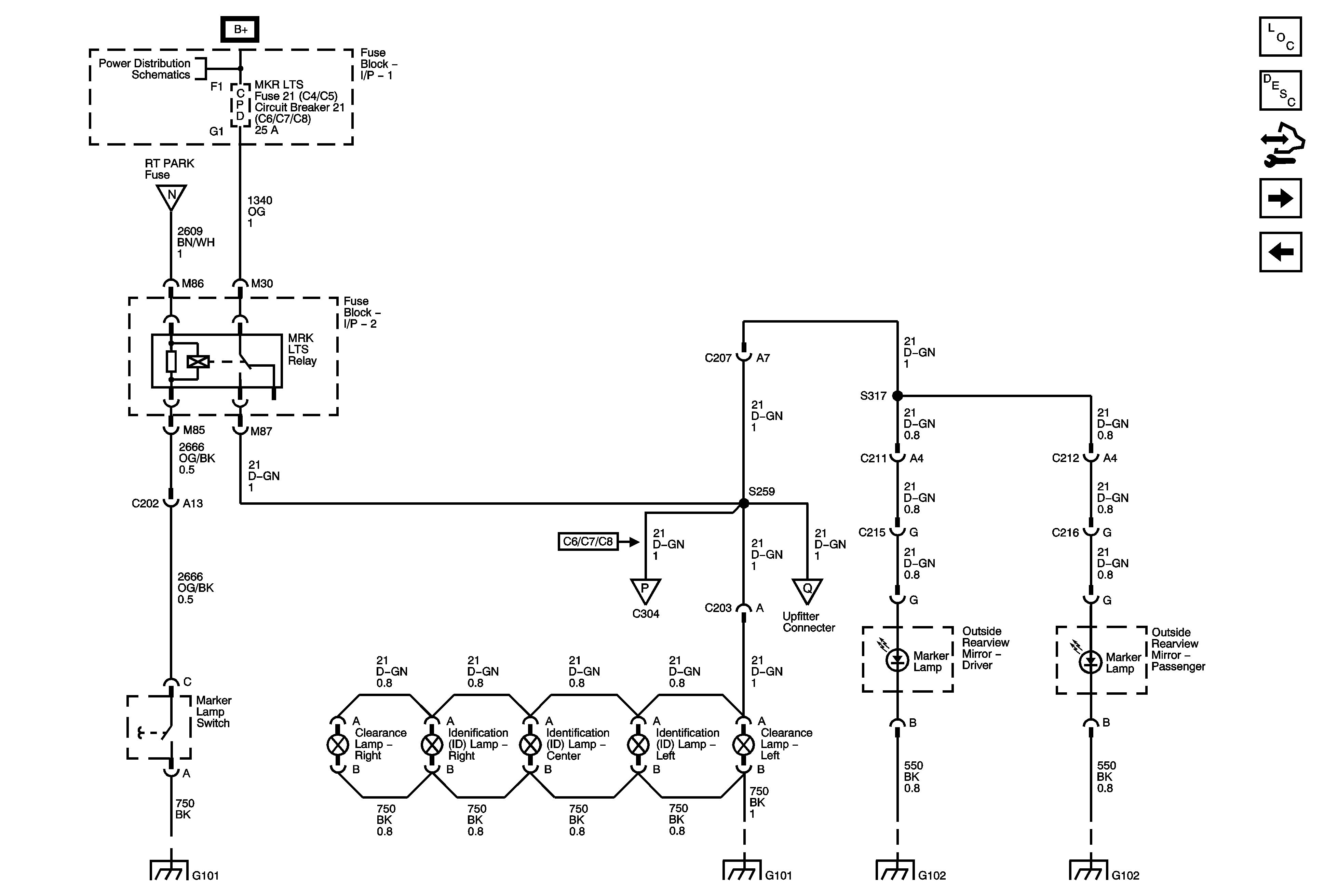
🢒 Clearance, ID, and Marker Lamps
Clearance, ID, and Marker Lamps
Clearance, ID, and Marker Lamps
Master Electrical Component List
Exterior Lighting Systems Description and Operation
Control Module References
Backup Lamp Control
Park and Stop Lamps
IGN-4, ELEC BRK/BRKLP, HDLP, MKR LTS, PWR WNDW, DRL, and RADIO Fuses/Circuit Breakers
Park and Stop Lamps
G101 - 2 of 2
Trailer Tow Connector (C6/C7/C8)
G101 - 1 of 2
C305 (Upfitter Lighting Connector)
G102 - 1 of 2
G102 - 1 of 2