GM Service Manual Online
For 1990-2009 cars only
Makes
🢒
Chevrolet
🢒
2007
🢒
Kodiak C-Series (Conventional) C6/C7/C8
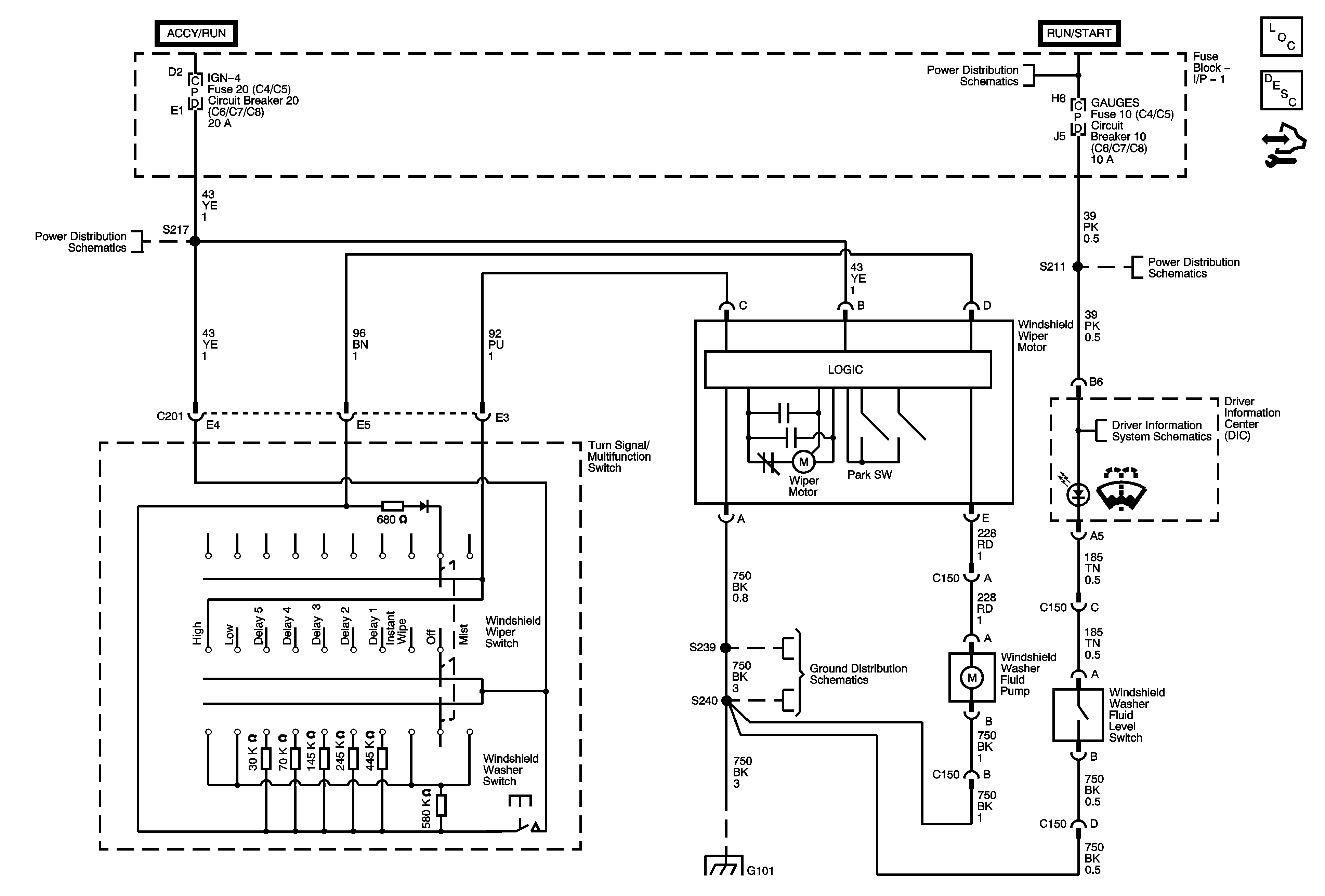
🢒 Wiper/Washer Schematics
Wiper/Washer Schematics
Master Electrical Component List
Wiper/Washer System Description and Operation
Control Module References
AUX WIRE and IGN 4 - Fuses/Circuit Breakers
G101 - 1 of 2
G101 - 1 of 2
Ignition Switch - OFF/RUN/START, RUN/START, and START Busses
AIRBAG, GAUGES, LT REAR TURN/STOP, and RT REAR TURN/STOP Fuses/Circuit Breakers
2007 MD-560C Driver Information System Schematics - DIC