GM Service Manual Online
For 1990-2009 cars only
Makes
🢒
Chevrolet
🢒
2007
🢒
Kodiak C-Series (Conventional) C6/C7/C8
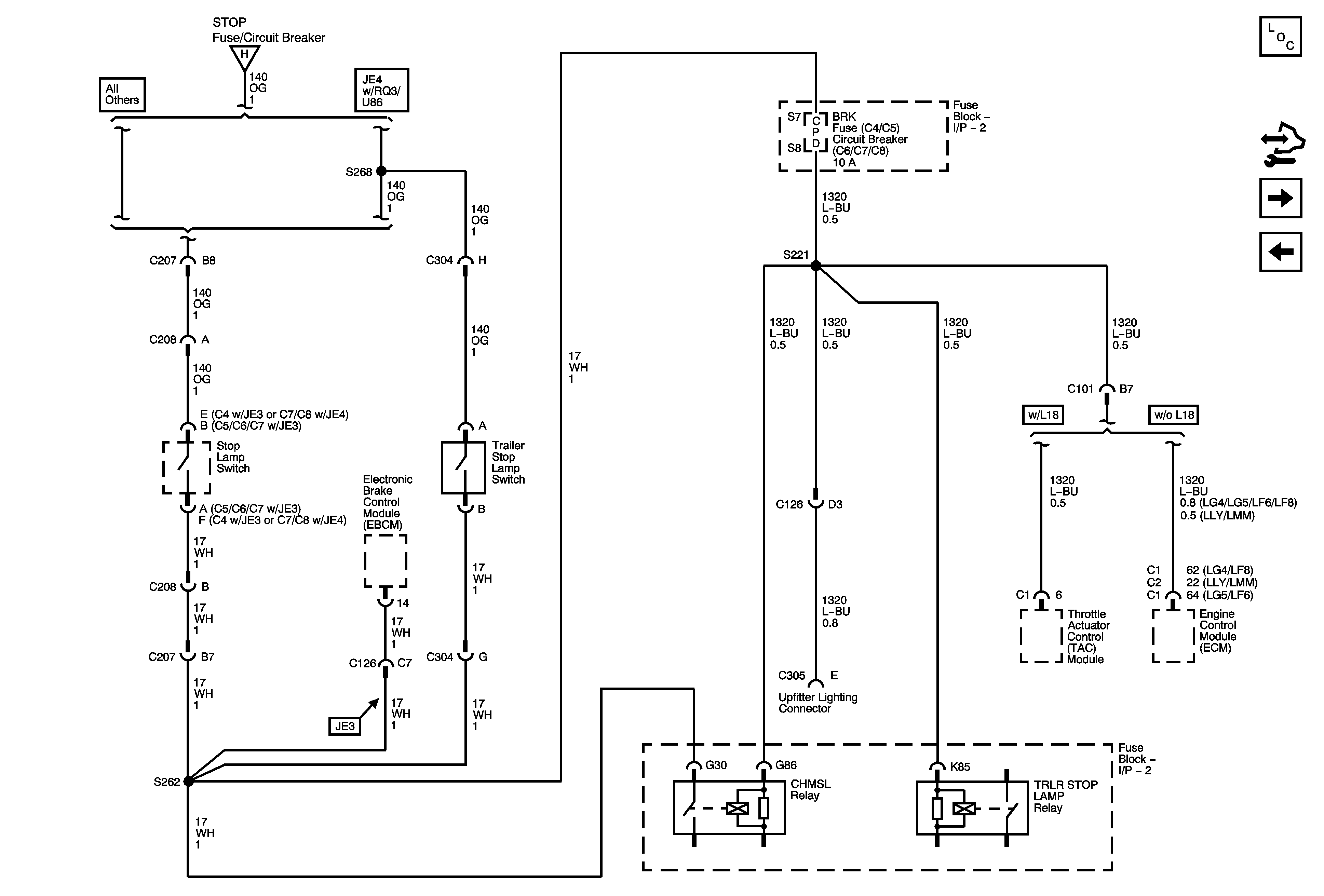
🢒 BRKFuse/Circuit Breaker
BRKFuse/Circuit Breaker
BRK Fuse/Circuit Breaker
Master Electrical Component List
Control Module References
ABS-1, ABS-2, ABS-3, E/A PUMP and HORN Fuses/Circuit Breakers
BAT/HAZ, HAZRD, PWR/ACCY, STOP, and TRLR Fuses/Circuit Breakers
BAT/HAZ, HAZRD, PWR/ACCY, STOP, and TRLR Fuses/Circuit Breakers