GM Service Manual Online
For 1990-2009 cars only
Makes
🢒
Chevrolet
🢒
2007
🢒
Kodiak C-Series (Conventional) C6/C7/C8
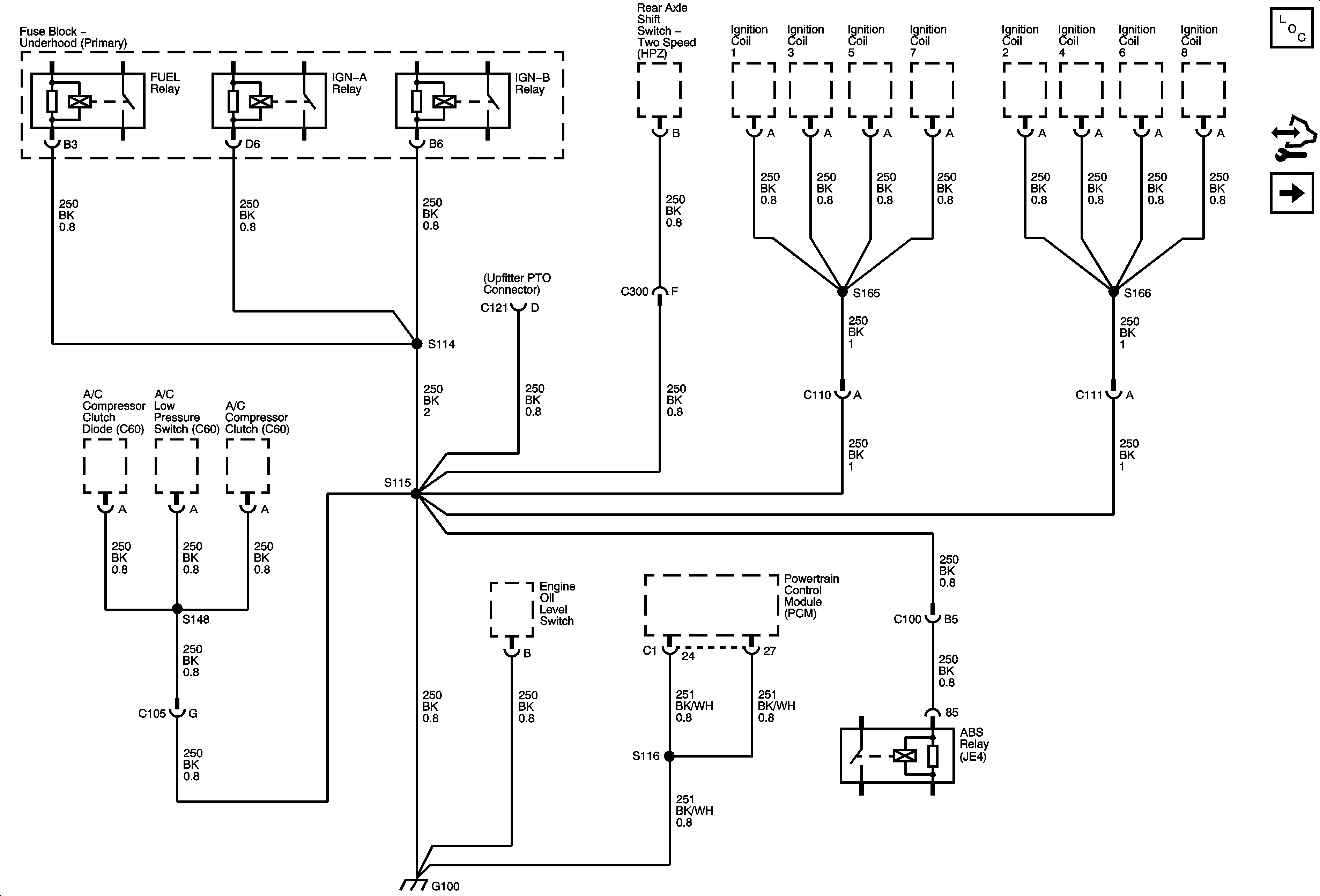
🢒 G100 - L18
G100 - L18
G100 - L18
Master Electrical Component List
Control Module References
G100 - LLY