GM Service Manual Online
For 1990-2009 cars only
Makes
🢒
Chevrolet
🢒
2007
🢒
Kodiak C-Series (Conventional) C6/C7/C8
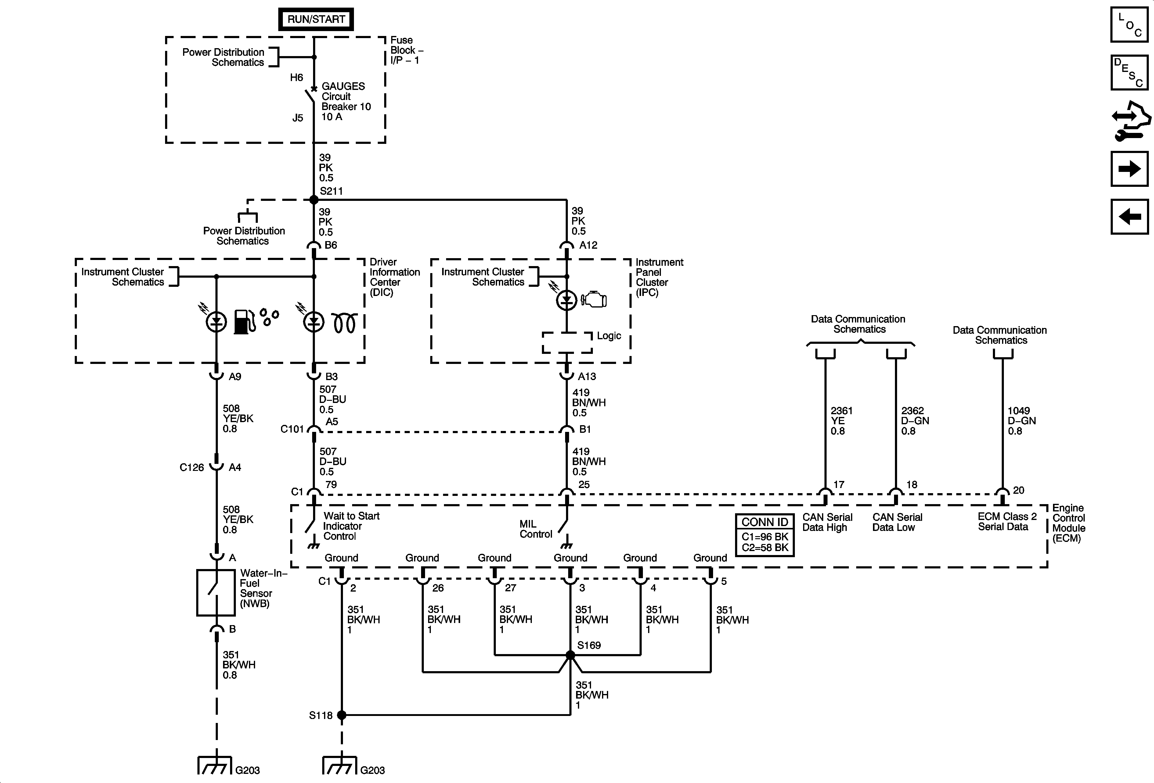
🢒 Module Ground, Serial Data, and MIL, Wait to Start, Water in Fuel Indicators
Module Ground, Serial Data, and MIL, Wait to Start, Water in Fuel Indicators
Module Ground, Serial Data, and MIL, Wait to Start, Water in Fuel Indicators
Master Electrical Component List
Engine Control Component Description
Control Module References
Engine Data Sensors - 5-Volt and Low Reference
Module Power
Ignition Switch - OFF/RUN/START, RUN/START, and START Busses
AIRBAG, GAUGES, LT REAR TURN/STOP, and RT REAR TURN/STOP Fuses/Circuit Breakers
2007 MD-560C Driver Information System Schematics - DIC
Instrument Panel Cluster - 1 of 2
J1939 Serial Data, 2 of 2 - L18 w/JE4, LG4, LG5
Splice Pack SP203
G203 - 3 of 4
G203 - 3 of 4